电脑桌面
添加小米粒文库到电脑桌面
安装后可以在桌面快捷访问

某给水泵站机电设备调试方案

某给水泵站机电设备调试方案_第1页
1/6
某给水泵站机电设备调试方案_第2页
2/6
某给水泵站机电设备调试方案_第3页
3/6
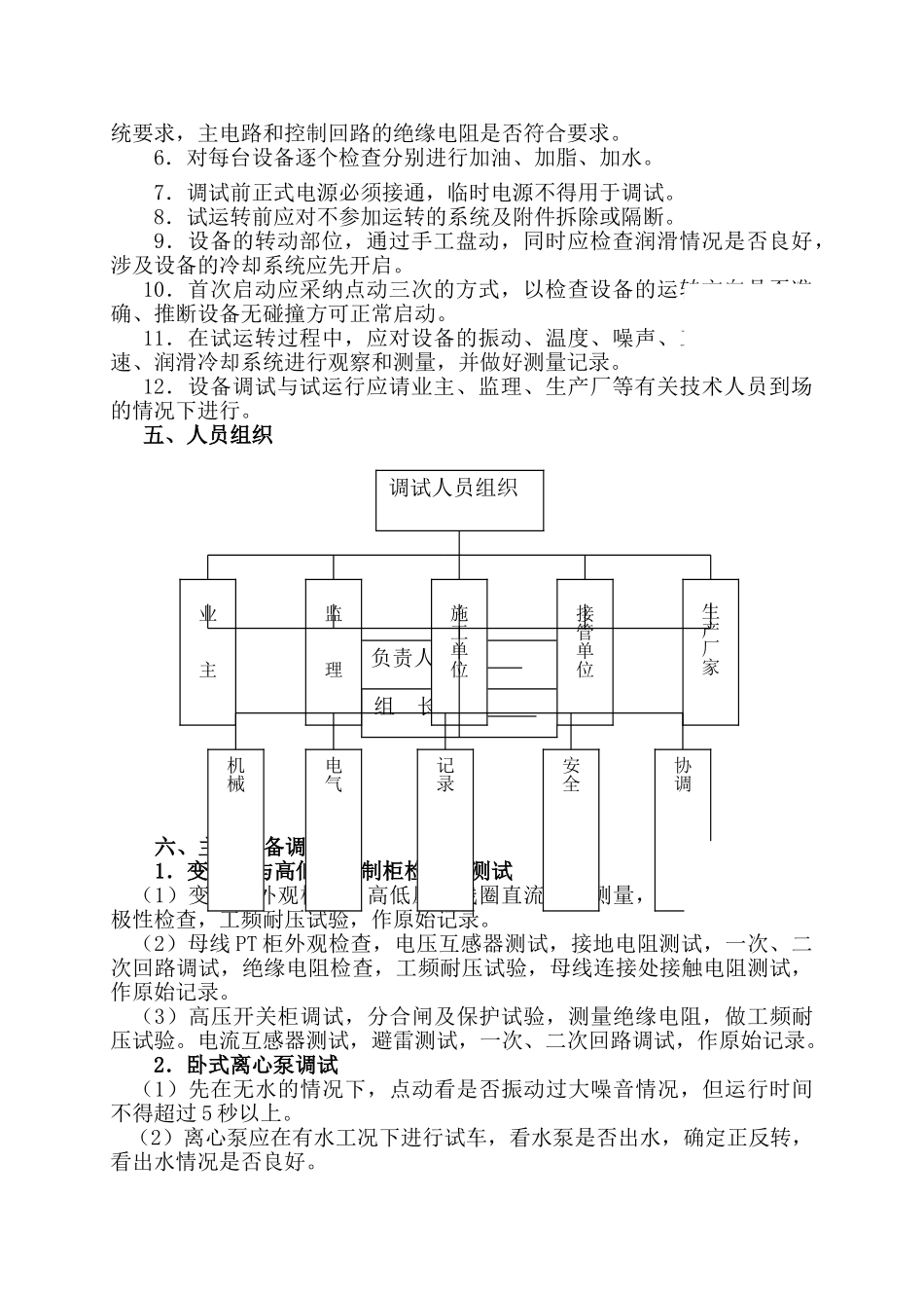
给水泵站工程设备调试方案编制:审核:某股份有限公司 一、工程概况泵站占地面积约 10714m2,本工程主要由增压泵房、配电间、清水池、门卫、加药间与储液池、机电设备及工艺管道、总体平面等单位工程组成。泵站进水管由市政给水管网引入,经本站增压后,将水输入供水管网至相应用水区域。二、设备调试检验标准及依据 1.GB50150-91《电气装置安装工程电气设备交接试验标准》2.GB50171-92《电气装置安装工程盘、柜及二次回路接线施工及验收法律规范》3.GB148-90《电气装置安装工程电力变压器,油浸电抗器,互感器施工及验收法律规范》4.GB50258-96《电气装置安装工程 1kv 及以下配线施工及验收法律规范》5.GB50259-96《电气装置安装工程电气照明装置施工及验收法律规范》6.GB50256-96《电气装置安装工程起重机电气装置施工及验收法律规范》7.GB50231-98《机械设备安装工程施工验收通用法律规范》 8.GB50270-98《连续输送设备安装工程施工及验收法律规范》 9.GB50275-98《压缩机、风机、泵安装工程施工及验收法律规范》 10.GB50278-98《起重机设备安装工程施工及验收法律规范》11.特别或非标设备的检验标准可按设备制造厂的技术规定执行。 12.已审批通过的施工现场安全保证体系,以及施工合同。 13.JGJ46-2025《施工现场临时用电安全技术法律规范》 14.根据设计工艺图纸及厂家产品说明书三、实施方式单机调试 整改 单机调试 合格 试运转联动调试 合格 验收 四、设备调试前的准备工作1.调试前应查阅所有设备的安装质量记录,对不符合要求的必须整改并进行复验,所有设备安装质量应符合有关施工规程及制造厂的技术要求。2.检查将要调试的设备范围是否有障碍物,若有障碍物要清理洁净。3.调试前应检查所需工具、材料、各种油料、动力等准备充足,确保试车阶段的供应,同时设备运转时安全防护措施应配备齐全。4.电气设备调试、试运转,必须符合供电部门的规定,并获得其认可。5.检查机械联锁机构,电气连锁装置的动作是否正确可靠、符合系统要求,主电路和控制回路的绝缘电阻是否符合要求。6.对每台设备逐个检查分别进行加油、加脂、加水。7.调试前正式电源必须接通,临时电源不得用于调试。8.试运转前应对不参加运转的系统及附件拆除或隔断。9.设备的转动部位,通过手工盘动,同时应检查润滑情况是否良好,涉及设备的冷却系统应先开启。10.首次启动应采纳点动三次的方式,以检查设备的运转方向是否准确、推断...

1、当您付费下载文档后,您只拥有了使用权限,并不意味着购买了版权,文档只能用于自身使用,不得用于其他商业用途(如 [转卖]进行直接盈利或[编辑后售卖]进行间接盈利)。
2、本站所有内容均由合作方或网友上传,本站不对文档的完整性、权威性及其观点立场正确性做任何保证或承诺!文档内容仅供研究参考,付费前请自行鉴别。
3、如文档内容存在违规,或者侵犯商业秘密、侵犯著作权等,请点击“违规举报”。

碎片内容

某给水泵站机电设备调试方案

您可能关注的文档

确认删除?
VIP
微信客服
  • 扫码咨询
会员Q群
  • 会员专属群点击这里加入QQ群
客服邮箱
回到顶部