电脑桌面
添加小米粒文库到电脑桌面
安装后可以在桌面快捷访问

框剪结构会议展览中心工程地下室防水施工方案2

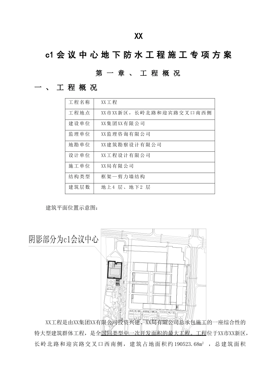
框剪结构会议展览中心工程地下室防水施工方案2_第1页
1/23
框剪结构会议展览中心工程地下室防水施工方案2_第2页
2/23
框剪结构会议展览中心工程地下室防水施工方案2_第3页
3/23
目 录第一章、工程概况................................................................................................................1一、工程概况....................................................................................................................1二、工程防水设计概况....................................................................................................2第二章、防水卷材及防水砂浆的选择................................................................................2一、防水卷材材料的选择及要求....................................................................................2二、防水砂浆选择及要求................................................................................................4第三章、施工总体计划及准备............................................................................................4一、施工进度安排............................................................................................................4二、施工准备....................................................................................................................4第四章、施工方案及措施....................................................................................................5一、防水砂浆施工........................................................................................................5二、双面自粘改性沥青防水卷材施工工艺................................................................7三、水泥砂浆保护层施工............................................................................................9四、地下室侧壁聚苯乙烯泡沫塑料板保护层施工....................................................10五、抗渗混凝土施工....................................................................................................10第五章、细部构造及节点详图............................................................................................13第六章、质量控制及保证措施...........................................................................

1、当您付费下载文档后,您只拥有了使用权限,并不意味着购买了版权,文档只能用于自身使用,不得用于其他商业用途(如 [转卖]进行直接盈利或[编辑后售卖]进行间接盈利)。
2、本站所有内容均由合作方或网友上传,本站不对文档的完整性、权威性及其观点立场正确性做任何保证或承诺!文档内容仅供研究参考,付费前请自行鉴别。
3、如文档内容存在违规,或者侵犯商业秘密、侵犯著作权等,请点击“违规举报”。

碎片内容

框剪结构会议展览中心工程地下室防水施工方案2

文旅传媒+ 关注
实名认证
内容提供者

传播文化,成就未来

确认删除?
VIP
微信客服
  • 扫码咨询
会员Q群
  • 会员专属群点击这里加入QQ群
客服邮箱
回到顶部