电脑桌面
添加小米粒文库到电脑桌面
安装后可以在桌面快捷访问

框剪结构住宅楼工程控制施工扬尘噪音施工方案

框剪结构住宅楼工程控制施工扬尘噪音施工方案_第1页
1/14
框剪结构住宅楼工程控制施工扬尘噪音施工方案_第2页
2/14
框剪结构住宅楼工程控制施工扬尘噪音施工方案_第3页
3/14
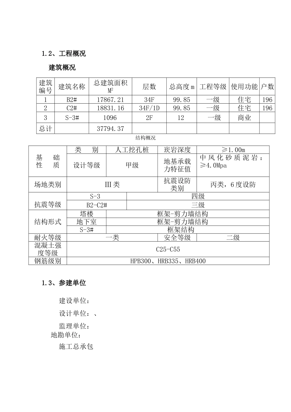
目 录第一章 工程概况.............................................11.1、地理位置...............................................11.2、工程概况...............................................11.3、参建单位...............................................21.4、方案编制依据...........................................3第二章 环境管理目标及指标...................................32.1、环境管理目标...........................................32.2、环境管理指标...........................................32.3、控制施工扬尘、噪音管理网络.............................4第三章 责任制考核...........................................5第四章 施工扬尘、噪音的控制点...............................5第五章 控制施工扬尘、噪音的措施.............................65.1、管理控制...............................................65.2、控制施工扬尘、噪音措施................................10第一章 工程概况1.1、地理位置。场地地势总体上是北高南低,地貌上为浅丘地貌。地层岩性主要为第四系全新人工填土层、侏罗系沙溪庙组(J2s)组成,采纳中风化砂质泥岩作为持力层。场地地下水类型主要为上层滞水及基岩裂隙水,无统一地下水位,水量较小,易于疏排,无稳定水位。场地及其附近无断裂通过,岩层平缓,属构造相对稳定地块。无影响场地及地基稳定性的不良地质作用,场地及地基稳定性较好,属可进行建设的一般场地,适宜工程建筑。1.2、工程概况 建筑概况 建筑编号建筑名称总建筑面积M2层数总高度 m 工程等级 使用功能 户数1B2#17867.2134F99.85一级住宅1962C2#18831.1634F/1D99.85一级住宅1963S-3#10962F12一级商业总计37794.37 结构概况基 础性 质类 别人工挖孔桩崁岩深度≥1.00m设计等级甲级地基承载力特征值中 风 化 砂 质 泥 岩 :≥4.0Mpa场地类别Ⅲ 类抗震设防类别丙类,6 度设防抗震等级S-3四级B2-C2#三级结构形式塔楼框架-剪力墙结构地下室框架-剪力墙结构S-3#框架结构耐火等级一类安全等级二级混凝土强度等级C25-C55钢筋级别HPB300、HRB335、HRB4001.3、参建单位建设单位: 设计单位:、监理单位: 地勘单位: 施工总承包1.4、方案编制依据◆《中华人民共和国环境保护法》;◆《中华人民共和国固体废物污染环境防治法》;◆《中华人民共和国大气污染防治法》;◆《中华人民...

1、当您付费下载文档后,您只拥有了使用权限,并不意味着购买了版权,文档只能用于自身使用,不得用于其他商业用途(如 [转卖]进行直接盈利或[编辑后售卖]进行间接盈利)。
2、本站所有内容均由合作方或网友上传,本站不对文档的完整性、权威性及其观点立场正确性做任何保证或承诺!文档内容仅供研究参考,付费前请自行鉴别。
3、如文档内容存在违规,或者侵犯商业秘密、侵犯著作权等,请点击“违规举报”。

碎片内容

框剪结构住宅楼工程控制施工扬尘噪音施工方案

确认删除?
VIP
微信客服
  • 扫码咨询
会员Q群
  • 会员专属群点击这里加入QQ群
客服邮箱
回到顶部