电脑桌面
添加小米粒文库到电脑桌面
安装后可以在桌面快捷访问

框架结构住宅楼工程塔吊基础施工方案

框架结构住宅楼工程塔吊基础施工方案_第1页
1/19
框架结构住宅楼工程塔吊基础施工方案_第2页
2/19
框架结构住宅楼工程塔吊基础施工方案_第3页
3/19
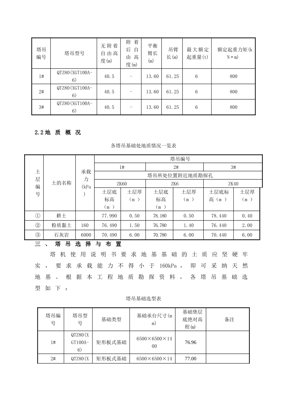
目 录一 、 编 制 依 据 及 编 制 说 明 ..................................................................2二 、 工 程 概 况 .....................................................................................................2三 、 塔 吊 选 择 与 布 置 ................................................................................3四 、 塔 吊 基 础 设 计 .......................................................................................4五 、 质 量 、 安 全 注 意 事 项 ..................................................................5附件1 塔吊基础计算书..........................................................................................................................6附图2 1~3#塔吊基础施工图附图3 1~3#塔吊基础定位图塔 吊 基 础 方 案一 、 编 制 依 据 及 编 制 说 明1) 、 塔 吊 厂 家 提 供 的 塔 式 起 重 机 使 用 说 明 书 ;2) 、 有 限 公 司 设 计 的 一 标 段 工 程 ( 展 示 区 ) 施工 图 ;3) 、 提 供 的 《 岩 土 工 程 勘 察 报 告 》 ;4) 、 《 建 筑 工 程 地 基 基 础 工 程 施 工 质 量 验 收 法律 规 范 》 GB50202-2025;5 ) 、 中 国 建 筑 工 业 出 版 社 出 版 的 《 建 筑 施 工手 册 》 ( 第 五 版 ) 。二 、 工 程 概 况2.1 塔 吊 概 况本 工 程 共 计 投 入3 台 塔 吊 , 据 甲 方 要 求 , 现 场标 高 回 填 至 绝 对 高 程80.00m ; 1# 塔 吊 基 础 位 置 设 置在原土层往下1.5m 处,1#塔吊基础面绝对高程为78.46m ;2#塔吊基础位置设置在原土层往下1.68m 处,2# 塔 吊 基 础 面 绝 对 高 程 为78.50m ; 3# 塔 吊 基 础 位 置设 置 在 原 土 层 往 下 1.84m处 ,3# 塔 吊 基 础 面 绝 对 高 程 为78.50m 。各塔吊主要参数一览表塔吊编号塔吊型号无 附 着自 由 高度(m)附 着后 自由 高度(m)平衡臂长(m)吊臂长(m)最大额定起重量(t)额定起重力矩(kN·m)1#QTZ80(XGT100A-6)40.5-13.6061.2568002#QTZ80(XGT100A-6)40.5-13.6061.2568003#QTZ80(XGT100A-6)40.5...

1、当您付费下载文档后,您只拥有了使用权限,并不意味着购买了版权,文档只能用于自身使用,不得用于其他商业用途(如 [转卖]进行直接盈利或[编辑后售卖]进行间接盈利)。
2、本站所有内容均由合作方或网友上传,本站不对文档的完整性、权威性及其观点立场正确性做任何保证或承诺!文档内容仅供研究参考,付费前请自行鉴别。
3、如文档内容存在违规,或者侵犯商业秘密、侵犯著作权等,请点击“违规举报”。

碎片内容

框架结构住宅楼工程塔吊基础施工方案

您可能关注的文档

确认删除?
VIP
微信客服
  • 扫码咨询
会员Q群
  • 会员专属群点击这里加入QQ群
客服邮箱
回到顶部