电脑桌面
添加小米粒文库到电脑桌面
安装后可以在桌面快捷访问

桥梁施工工程监理安全质量控制要点

桥梁施工工程监理安全质量控制要点_第1页
1/33
桥梁施工工程监理安全质量控制要点_第2页
2/33
桥梁施工工程监理安全质量控制要点_第3页
3/33
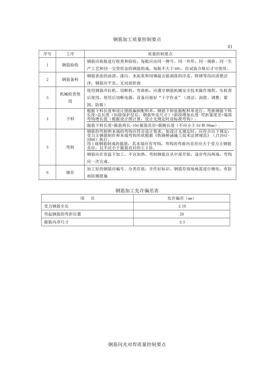
铁路工程施工质量控制要点铁路桥梁工程施工 质量控制要点中铁二十三局集团三公司2025 年 1 月目 录1、钢筋加工质量控制要点2、钢筋闪光对焊质量控制要点3、钢筋电弧焊接质量控制要点4、钢筋绑扎接头质量控制要点5、混凝土原材料与配合比质量控制要点6、混凝土搅拌质量控制要点7、混凝土运输质量控制要点8、混凝土浇筑质量控制要点9、混凝土振捣工序作业质量控制要点10、混凝土养护质量控制要点11、混凝土冬期施工质量控制要点12、混凝土夏期施工质量控制要点13、后张法预应力施工质量控制要点14、钻孔作业质量控制要点15、挖孔作业质量控制要点16、钢筋笼制作质量控制要点17、钢筋笼安装质量控制要点18、水下混凝土灌注筑质量控制要点19、后张法预制箱梁质量控制要点20、管道压浆质量控制要点21、后张法预制 T 梁质量控制要点22、移动模架制箱梁作业质量控制要点23、预制箱梁移梁作业质量控制要点24、预制箱梁架设作业质量控制要点25、预制 T 梁架设作业质量控制要点26、支架浇筑连续梁质量控制要点27、悬臂浇筑连续梁质量控制要点28、连续梁 0 号梁段施工质量控制要点29、(三角桁架)挂篮施工质量控制要点30、连续梁合拢段施工质量控制要点参考标准、法律规范、资料1、铁路桥涵工程施工质量检验标准(TB10416-2025)2、客运专线铁路桥涵工程施工质量验收暂行规定(铁建设[2025]160 号)3、客运专线铁路桥涵工程施工技术指南(TZ13-2025)4、铁路混凝土与砌体工程施工质量验收标准(TB10424-2025)5、铁路混凝土工程施工质量验收补充工程(铁建设[2025]160 号)6、铁路桥涵施工法律规范(TB10203-2025)7、铁路架桥机架梁规程(TB10213-1999)8、铁路工程结构混凝土强度检测规程(TB10426-2025)9、铁路工程建设原材料质量控制标准条文汇编(2025)10、铁路桥梁工程施工作业要点示范卡片(2025)钢筋加工质量控制要点01序号工序质量控制要点1钢筋验收钢筋应按批进行检查和验收,每批应由同一牌号、同一外形、同一规格、同一生产工艺和同一交货状态的钢筋组成,每批不大于 60t,经试验合格后才可使用。2钢筋备料钢筋表面的油渍、漆污、水泥浆和用锤敲击能剥落的浮皮、铁锈等均应清楚洁净,钢筋应平直、无局部折曲3机械检查使用使用钢筋冷拉机、切断机、弯曲机,应遵守钢筋机械安全技术操作规程,先检查后使用,使用后切断电源,设备应做好“十字作业”(清洁、润滑、调整、紧固、防腐)4下料根据下料长度和设计图纸编制配料单,钢...

1、当您付费下载文档后,您只拥有了使用权限,并不意味着购买了版权,文档只能用于自身使用,不得用于其他商业用途(如 [转卖]进行直接盈利或[编辑后售卖]进行间接盈利)。
2、本站所有内容均由合作方或网友上传,本站不对文档的完整性、权威性及其观点立场正确性做任何保证或承诺!文档内容仅供研究参考,付费前请自行鉴别。
3、如文档内容存在违规,或者侵犯商业秘密、侵犯著作权等,请点击“违规举报”。

碎片内容

桥梁施工工程监理安全质量控制要点

津创媒+ 关注
实名认证
内容提供者

欢迎交流文创,小店资料希望满足您的需要。

确认删除?
VIP
微信客服
  • 扫码咨询
会员Q群
  • 会员专属群点击这里加入QQ群
客服邮箱
回到顶部