电脑桌面
添加小米粒文库到电脑桌面
安装后可以在桌面快捷访问

民族剧院大体积混凝土施工方案

民族剧院大体积混凝土施工方案_第1页
1/6
民族剧院大体积混凝土施工方案_第2页
2/6
民族剧院大体积混凝土施工方案_第3页
3/6
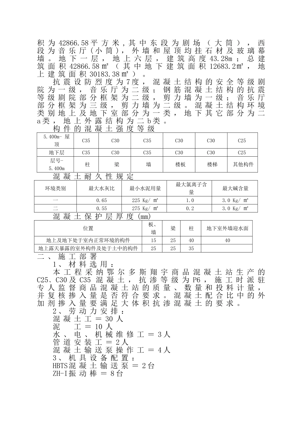
鄂 尔 多 斯 民 族 剧 院 工 程大 体 积 混 凝 土 施 工 方 案 鄂 尔 多 斯 民 族 剧 院 工 程大 体 积 混 凝 土 浇 筑 施 工 方 案一 、 工 程 概 况本 工 程 为 鄂 尔 多 斯 民 族 剧 院 , 属 于 大 型 文 化 类公 共 建 筑 , 均 为 框 架 剪 力 墙 结 构 , 基 础 均 为 筏 板 基础 。 建 筑 总 用 地 2.27公 顷 , 分 东 西 两 段 , 总 建 筑 面积 为 42866.58 平 方 米 , 其 中 东 段 为 剧 场 ( 大 筒 ) , 西段 为 音 乐 厅 ( 小 筒 ) , 外 墙 和 屋 顶 均 挂 石 材 及 玻 璃 幕墙 。 地 下 一 层 , 地 上 六 层 , 建 筑 高 度 43.28m ; 总 建筑 面 积 42866.58 ㎡ ( 其 中 地 下 建 筑 面 积 12683.2㎡ , 地上 建 筑 面 积 30183.38 ㎡ ) 。抗 震 设 防 烈 度 为 7 度 , 混 凝 土 结 构 的 安 全 等 级 剧院 为 一 级 , 音 乐 厅 为 二 级 ; 钢 筋 混 凝 土 结 构 的 抗 震等 级 剧 院 部 分 框 架 为 二 级 , 剪 力 墙 为 一 级 ; 音 乐 厅部 分 框 架 为 三 级 , 剪 力 墙 为 二 级 。 混 凝 土 结 构 环 境类 别 地 上 及 地 下 室 部 分 为 一 类 , 地 下 其 它 部 分 为 二a 类 , 地 上 外 露 结 构 为 二 b 类 。构 件 的 混 凝 土 强 度 等 级5.400m- 屋顶C35C30C35C30C30C25地下层C35C30C35C30C30C25层号-5.400m柱梁墙楼板楼梯其他构件混 凝 土 耐 久 性 规 定环境类别最大水灰比最小水泥用量最大氯离子含量最大碱含量一0.65225 Kg/ ㎡1.03.0 Kg/ ㎡二0.55275 Kg/ ㎡0.23.0 Kg/ ㎡混 凝 土 保 护 层 厚 度 (mm)位置板、墙梁柱地下室外墙迎水面地上及地下处于室内正常环境的构件15254040地上露天暴露的室外构件及处于土中的构件252535二 、 施 工 部 署1 、 材 料 选 用 :本 工 程 采 纳 鄂 尔 多 斯 翔 宇 商 品 混 凝 土 站 生 产 的C25﹑C30 及 C35 混 凝 土 , 抗 渗 等 级 为 P6 , 施 工 时 派 驻专 人 监 督 商 品 混 凝 土 站 的 质 量 、 数 量 和 投 料 计 量 ,...

1、当您付费下载文档后,您只拥有了使用权限,并不意味着购买了版权,文档只能用于自身使用,不得用于其他商业用途(如 [转卖]进行直接盈利或[编辑后售卖]进行间接盈利)。
2、本站所有内容均由合作方或网友上传,本站不对文档的完整性、权威性及其观点立场正确性做任何保证或承诺!文档内容仅供研究参考,付费前请自行鉴别。
3、如文档内容存在违规,或者侵犯商业秘密、侵犯著作权等,请点击“违规举报”。

碎片内容

民族剧院大体积混凝土施工方案

确认删除?
VIP
微信客服
  • 扫码咨询
会员Q群
  • 会员专属群点击这里加入QQ群
客服邮箱
回到顶部