电脑桌面
添加小米粒文库到电脑桌面
安装后可以在桌面快捷访问

民用建筑pp-r给水管道安装作业指导书

民用建筑pp-r给水管道安装作业指导书_第1页
1/2
民用建筑pp-r给水管道安装作业指导书_第2页
2/2
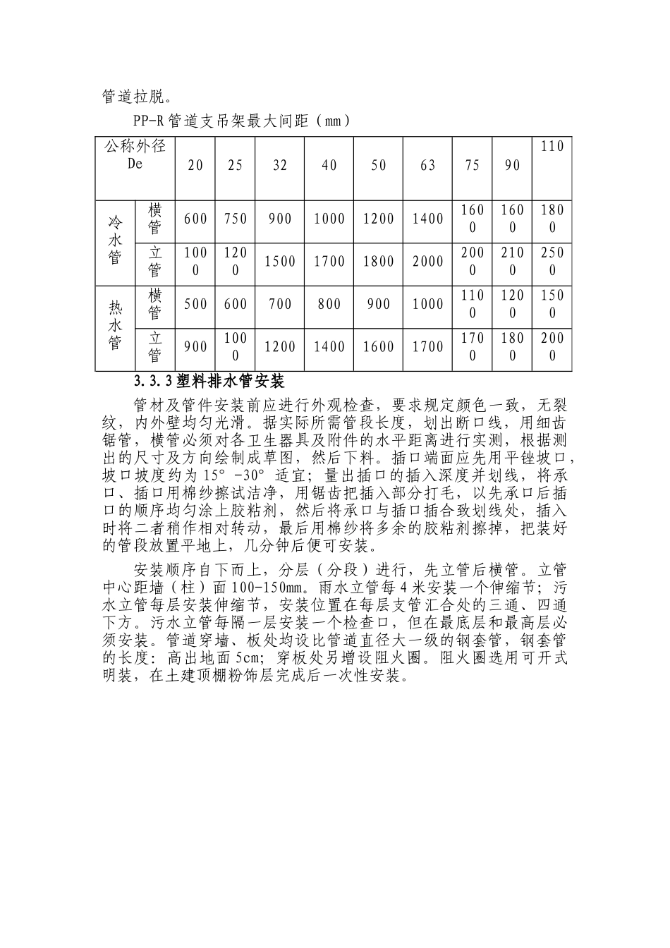
PP-R 给水管道安装作业指导书本工程给水系统支管采纳 PP-R 管,立管采纳 PP-R 管安装在管道井内。管材与管件的连接均采纳热熔连接。安装时使用专用的热熔工具,先让热熔工具通电预热,再套上连接端面清洁、干燥、无油的 PP-R 管材或管件,数秒钟(具体时间见熔接操作技术参数表)后管子预热,抽出预热部分再插入相应的管件,在加热和熔接的过程中,不能转动管材和管件,管道安装时不得有轴向扭曲,应直接插入,正常熔接,接合面应有一均匀的熔接圈。熔接操作技术参数表 外径熔接深度加热时间熔接时间冷却时间(mm)(mm)(s)(s)(min)201454325167433220844402112645022.5018656324246675263010890324010811038.5050151016046601515在施工中尽可能采纳直埋暗敷布管方式。PP-R 管的线胀系数较大,但其热胀应力较小,当管道直埋时填充物对管道的摩擦力大于热胀应力就约束了管道的变形。直埋敷设一般适用≤φ32mm 口径的支管。管道直埋时墙槽的深度为 De+20mm 宽度为 De+40-60mm。本工程给水立管采纳 PP-R 管明敷在管道井内,一般采纳伸缩接补偿方法解决管道的热胀变形,即给管道自由伸缩的空间和余地。也可采纳密集的固定管卡约束管道变形,管道的自由段较短,一般不超过 3 米,使用该方法要求固定管卡牢固,其对管道的约束力大于管道的膨胀力。管道除直埋外,均要采纳支架、吊架。PP-R 管道有专用的支架和吊架,安装前必须明确活动支架(可使管道自由伸缩)及固定支架(约束管道伸缩)的使用原理及适当的安装位置。一般在管道的分路处(三通)必须安装固定支架,以防止管道的变形将分路处的管道拉脱。PP-R 管道支吊架最大间距(mm)公称外径De2025324050637590110冷水管横管600750900100012001400160016001800立管100012001500170018002000200021002500热水管横管5006007008009001000110012001500立管900100012001400160017001700180020003.3.3 塑料排水管安装管材及管件安装前应进行外观检查,要求规定颜色一致,无裂纹,内外壁均匀光滑。据实际所需管段长度,划出断口线,用细齿锯管,横管必须对各卫生器具及附件的水平距离进行实测,根据测出的尺寸及方向绘制成草图,然后下料。插口端面应先用平锉坡口,坡口坡度约为 15°-30°适宜;量出插口的插入深度并划线,将承口、插口用棉纱擦试洁净,用锯齿把插入部分打毛,以先承口后插口的顺序均匀涂上胶粘剂,然后将承口与插口插合致划线处,插入时将二者稍作相对转动,最...

1、当您付费下载文档后,您只拥有了使用权限,并不意味着购买了版权,文档只能用于自身使用,不得用于其他商业用途(如 [转卖]进行直接盈利或[编辑后售卖]进行间接盈利)。
2、本站所有内容均由合作方或网友上传,本站不对文档的完整性、权威性及其观点立场正确性做任何保证或承诺!文档内容仅供研究参考,付费前请自行鉴别。
3、如文档内容存在违规,或者侵犯商业秘密、侵犯著作权等,请点击“违规举报”。

碎片内容

民用建筑pp-r给水管道安装作业指导书

领读文化+ 关注
实名认证
内容提供者

传播文化,铸就未来

确认删除?
VIP
微信客服
  • 扫码咨询
会员Q群
  • 会员专属群点击这里加入QQ群
客服邮箱
回到顶部