电脑桌面
添加小米粒文库到电脑桌面
安装后可以在桌面快捷访问

氧化锌避雷器阻性电流测试仪使用说明书

氧化锌避雷器阻性电流测试仪使用说明书_第1页
1/6
氧化锌避雷器阻性电流测试仪使用说明书_第2页
2/6
氧化锌避雷器阻性电流测试仪使用说明书_第3页
3/6
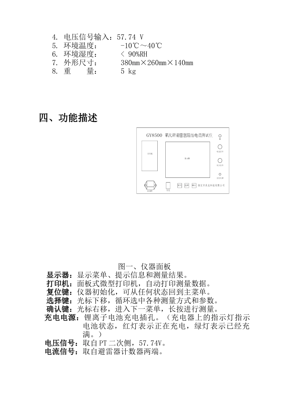
一、前言氧化锌避雷器阻性电流测试仪是专门设计应用于电力系统金属氧化物避雷器带电检测的专用设备。它可以对设备在运行状态下进行阻性泄漏电流等参数进行精确、稳定的测量,以便及时发现设备内部绝缘受潮及阀片老化等危险缺陷。该仪器以单片微机为主控设备,通过对被测设备工作电压电流信号的精确采样,运用数字波形分析技术,采纳谐波分析和数字滤波等软件抗干扰方法,运用傅立叶变换技术、谐波分析和数字滤波等抗干扰方法,使测量结果准确可靠。二、性能特点 1. 全自动仪器,一次接线可同时测量三相数据。测量操作简单。测取电流信号,只要把电流输入线的两个夹钳与避雷器放电计数器两端连接即可,不用断开接地引下线。 2. 不论电网电压谐波含量如何,本仪器均能准确测量氧化锌避雷器的阻性电流值。具有谐波分析功能,能准确地分析出基波及 3、5、7 次谐波的含量。 3. 强力抗干扰功能,确保数据准确可靠。本仪器能克服相间干扰影响,正确测量边相氧化锌避雷器的阻性电流值。 4. 有 PT、无 PT 两种测量方式。有 PT 测量时系统电压经隔离器(已置于仪器内)从电压互感器二次侧取得,因为隔离器的输入阻抗很高(大于 1MΩ),不会因发生故障影响电压互感器的正常运行,另外电压测试线还配有 0.2A 保险管,防止电压互感器短路。 5. 交直两用,当现场无沟通电源时,可用仪器内置的可充电蓄电池供电。内置大容量锂离子电池,一次充电可连续工作 6小时左右。 6. 大屏幕 TFT 真彩液晶显示器,可同时显示三相数据和波形。并可根据光线人为变换背景颜色。测量结果可打印输出。7. 人性化菜单设计,人机界面友好,操作简便。8. 仪器设计为便携式,体积小,重量轻,携带方便,适合野外作业。三、技术指标1. 测量范围: 0~2 mA2. 测量精度: 2%(基波) 10%(谐波)3. 分 辨 率: 0.001 mA4. 电压信号输入:57.74 V5. 环境温度: -10℃~40℃6. 环境湿度: < 90%RH7. 外形尺寸: 380mm×260mm×140mm8. 重 量: 5 kg四、功能描述图一、仪器面板显示器:显示菜单、提示信息和测量结果。打印机:面板式微型打印机,自动打印测量数据。复位键:仪器初始化,可从任何状态回到主菜单。选择键:光标下移,循环选中各种测量方式和参数。确认键:光标右移,进入下一菜单,长按进行测量。充电电源:锂离子电池充电插孔。(充电器上的指示灯指示电池状态,红灯表示正在充电,绿灯表示已经充满。)电压信号:取自 P...

1、当您付费下载文档后,您只拥有了使用权限,并不意味着购买了版权,文档只能用于自身使用,不得用于其他商业用途(如 [转卖]进行直接盈利或[编辑后售卖]进行间接盈利)。
2、本站所有内容均由合作方或网友上传,本站不对文档的完整性、权威性及其观点立场正确性做任何保证或承诺!文档内容仅供研究参考,付费前请自行鉴别。
3、如文档内容存在违规,或者侵犯商业秘密、侵犯著作权等,请点击“违规举报”。

碎片内容

氧化锌避雷器阻性电流测试仪使用说明书

您可能关注的文档

文旅传媒+ 关注
实名认证
内容提供者

传播文化,成就未来

相关文档

确认删除?
VIP
微信客服
  • 扫码咨询
会员Q群
  • 会员专属群点击这里加入QQ群
客服邮箱
回到顶部