电脑桌面
添加小米粒文库到电脑桌面
安装后可以在桌面快捷访问

泵送混凝土技术交底

泵送混凝土技术交底_第1页
1/7
泵送混凝土技术交底_第2页
2/7
泵送混凝土技术交底_第3页
3/7
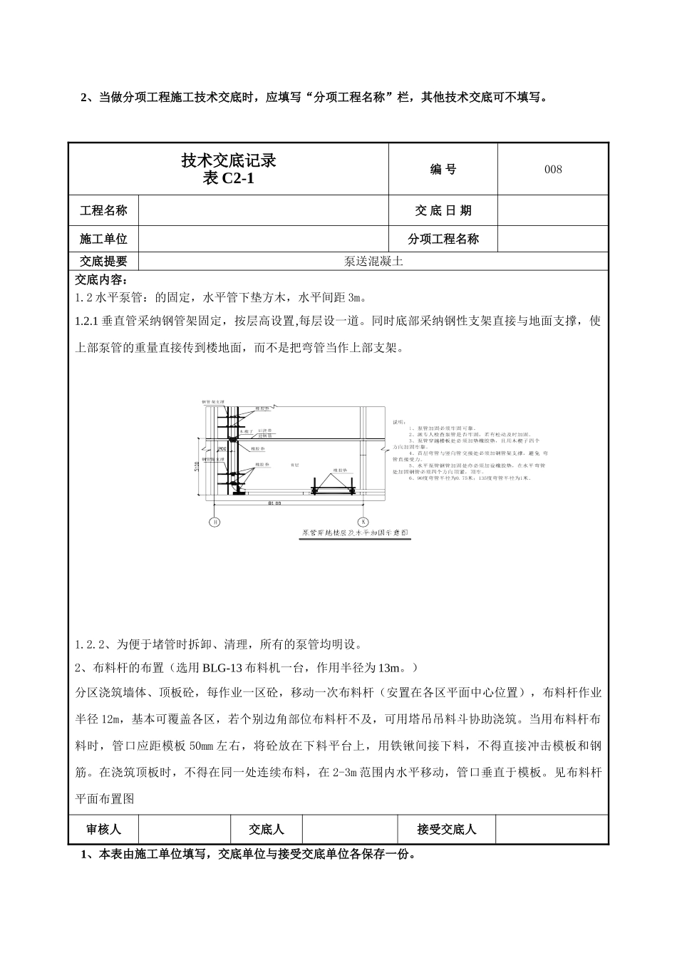
技术交底记录表 C2-1编 号008工程名称交 底 日 期施工单位分项工程名称交底提要泵送混凝土交底内容: 一、材料要求:泵送使用的管件连接良好,管径、管厚、长度等均满足施工要求。泵送机械进场前进行检测,能满足施工场地使用的要求。二、主要机具:名 称规 格 型 号单 位数 量拖式泵车HBT80台1布料机BLG-13台1直 管Ф125/3m节60直 管Ф125/2m节10直 管Ф125/1m节5直 管Ф125/0.5m节390 度弯管R=1m节590 度弯管R=0.5m节515 度弯管R=1m节215 度弯管R=0.5m节230 度弯管R=1m节230 度弯管R=0.5m节245 度弯管R=1m节245 度弯管R=0.5m节2软 管Ф125/3m节1锥型管150-125节1疏通球Ф120个1审核人交底人接受交底人1、本表由施工单位填写,交底单位与接受交底单位各保存一份。2、当做分项工程施工技术交底时,应填写“分项工程名称”栏,其他技术交底可不填写。技术交底记录表 C2-1编 号008工程名称交 底 日 期施工单位分项工程名称交底提要泵送混凝土交底内容: 三、作业条件1、地上部分砼泵送采纳 HBT-80-13 型拖式泵车一台(简称地泵),地下部分为汽车泵,施工进度至出±0.000 后,地泵泵车及泵管等设备须进场并检验合格,安放地泵的场地平整硬化完毕且场地灌车通行便捷。四、操作工艺1、泵管布置:1.1 竖向立管:本工程砼采纳单立管输送,设在Ⅰ段(Ⅰ-5)~(Ⅰ-6)/(Ⅰ-A)~(Ⅰ-E)间后浇带处,每层采纳木楔与结构楔死,如下图所示。审核人交底人接受交底人1、本表由施工单位填写,交底单位与接受交底单位各保存一份。2、当做分项工程施工技术交底时,应填写“分项工程名称”栏,其他技术交底可不填写。技术交底记录表 C2-1编 号008工程名称交 底 日 期施工单位分项工程名称交底提要泵送混凝土交底内容: 1.2 水平泵管:的固定,水平管下垫方木,水平间距 3m。1.2.1 垂直管采纳钢管架固定,按层高设置,每层设一道。同时底部采纳钢性支架直接与地面支撑,使上部泵管的重量直接传到楼地面,而不是把弯管当作上部支架。1.2.2、为便于堵管时拆卸、清理,所有的泵管均明设。2、布料杆的布置(选用 BLG-13 布料机一台,作用半径为 13m。) 分区浇筑墙体、顶板砼,每作业一区砼,移动一次布料杆(安置在各区平面中心位置),布料杆作业半径 12m,基本可覆盖各区,若个别边角部位布料杆不及,可用塔吊吊料斗协助浇筑。当用布料杆布料时,管口应距模板 50mm 左右,将砼放在下料平台上,用铁锹间接下料,...

1、当您付费下载文档后,您只拥有了使用权限,并不意味着购买了版权,文档只能用于自身使用,不得用于其他商业用途(如 [转卖]进行直接盈利或[编辑后售卖]进行间接盈利)。
2、本站所有内容均由合作方或网友上传,本站不对文档的完整性、权威性及其观点立场正确性做任何保证或承诺!文档内容仅供研究参考,付费前请自行鉴别。
3、如文档内容存在违规,或者侵犯商业秘密、侵犯著作权等,请点击“违规举报”。

碎片内容

泵送混凝土技术交底

确认删除?
VIP
微信客服
  • 扫码咨询
会员Q群
  • 会员专属群点击这里加入QQ群
客服邮箱
回到顶部