电脑桌面
添加小米粒文库到电脑桌面
安装后可以在桌面快捷访问

浅谈高地温隧道开挖施工方法

浅谈高地温隧道开挖施工方法_第1页
1/4
浅谈高地温隧道开挖施工方法_第2页
2/4
浅谈高地温隧道开挖施工方法_第3页
3/4
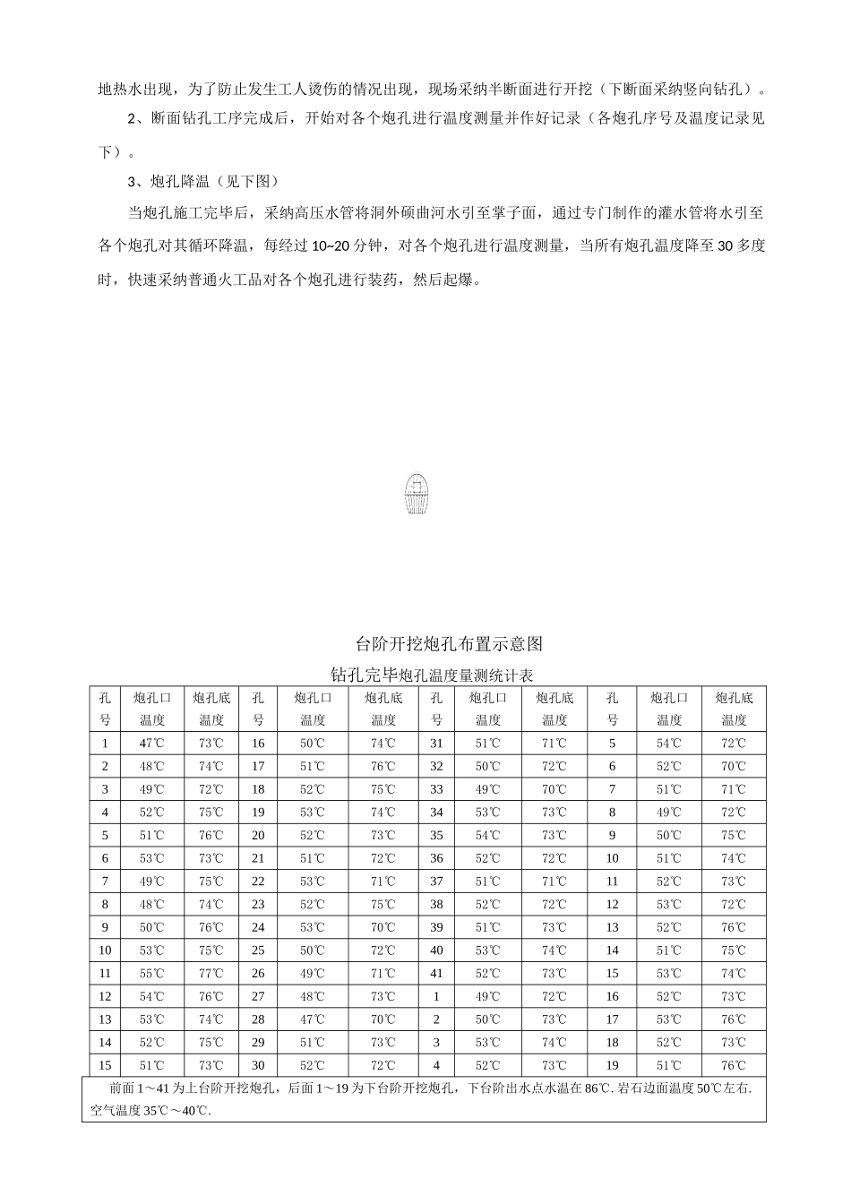
浅谈高地温隧道开挖简单施工方法摘要:娘拥水电站引水隧洞全长 15406.313m,为有压引水隧洞,在隧道施工过程中,遇到高地温洞段,岩面温度达 81℃,环境温度超过 50℃,其对隧道开挖的影响是非常大,必须实行特别的施工方法和专门的爆破材料。为了保证现场能够继续施工,实行调整施工方法和采纳一些简单的施工措施来保证隧道爆破施工的安全。关键词:隧道 高地温 影响 简单开挖方法一、工程概况及地质情况娘拥水电站位于四川省甘孜州乡城县境内,为硕曲河干流梯级开发自上而下的第二个梯级电站,装机容量 93MW。电站采纳引水式开发,由首部枢纽、引水系统和厂区枢纽三部分组成。引水隧洞全长 15406.313m,纵坡 i=2.9248‰,为有压引水隧洞,工程区属云贵高原与青藏高原的过渡地带,地貌上表现为构造剥蚀类型的高原高山区,地形多以条形山体为主,地势上呈北高南低之势。工程区山顶高程多在 3500~4500m 之间,河流切割深度 1000~2000m。出露地层主要有三叠系上统喇嘛垭组(T3lm)、拉纳山组(T3l)、图姆沟组(T3t)、曲嘎寺组(T3q)浅变质岩系及印支期()等。岩性主要为变质砂岩、板岩以及黑云母花岗岩。第四系地层(Q)主要有坡 残积、冲积、崩坡积、冰水冰川堆积等成因的块碎石夹砂土、粉土,漂卵砾石夹砂以及黄土层、中细砂层等。工程区位于川西面状强隆区的理塘-木里断隆内,该断隆地处中国西部强烈隆升区,为一级新构造运动单元内的一个次级断隆,区内发育北东向、北西向和近南北向的断裂。断隆内新构造运动比较活跃,第四纪以来差异活动显著。地质构造主要成生于印支—燕山期,晚三叠世以来,受近东西向和挤压应力场作用,近场区内形成一系列走向 NNW 和近 SN 向的压性断裂。周边活动性较强的断裂主要有西侧的金沙江断裂、丽江段裂和东侧的中甸—大具断裂、理塘—德巫断裂。断隆内构造主要表现为一系列褶皱和规模相对较小、活动性较弱的断层。二、地温出现情况1、地质情况1#施工支洞位于热玉村上游约 400m,硕曲河右岸,山体雄厚,进洞高程 3060m,工区地层岩性为三叠系拉纳山组下段(T311)灰色厚~中厚层砂岩夹板岩。进入引水隧洞后实际揭露地层岩性主要以花岗岩为主。靠近地热高温段 30m 范围岩性为砂岩夹板岩2、引水隧洞温度变化过程2008 年 9 月 20 日进入主洞施工,支洞与主洞交点桩号为 K0+873.97。当下游施工进入至 K0+905 时,右侧边墙出现一小股涌水,用大气温度计测量水温达到 60℃。2008 年 11 月 27...

1、当您付费下载文档后,您只拥有了使用权限,并不意味着购买了版权,文档只能用于自身使用,不得用于其他商业用途(如 [转卖]进行直接盈利或[编辑后售卖]进行间接盈利)。
2、本站所有内容均由合作方或网友上传,本站不对文档的完整性、权威性及其观点立场正确性做任何保证或承诺!文档内容仅供研究参考,付费前请自行鉴别。
3、如文档内容存在违规,或者侵犯商业秘密、侵犯著作权等,请点击“违规举报”。

碎片内容

浅谈高地温隧道开挖施工方法

您可能关注的文档

确认删除?
VIP
微信客服
  • 扫码咨询
会员Q群
  • 会员专属群点击这里加入QQ群
客服邮箱
回到顶部