电脑桌面
添加小米粒文库到电脑桌面
安装后可以在桌面快捷访问

测量施工方案技术交底

测量施工方案技术交底_第1页
1/16
测量施工方案技术交底_第2页
2/16
测量施工方案技术交底_第3页
3/16
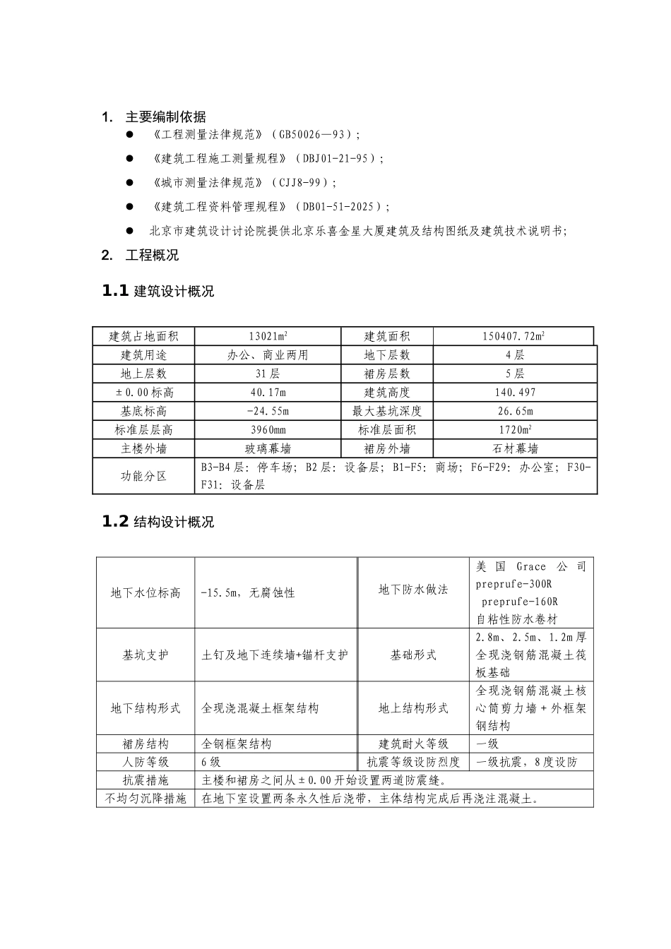
1.主要编制依据《工程测量法律规范》(GB50026—93);《建筑工程施工测量规程》(DBJ01-21-95);《城市测量法律规范》(CJJ8-99);《建筑工程资料管理规程》(DB01-51-2025);北京市建筑设计讨论院提供北京乐喜金星大厦建筑及结构图纸及建筑技术说明书;2.工程概况1.1 建筑设计概况建筑占地面积13021m2建筑面积150407.72m2建筑用途办公、商业两用地下层数4 层地上层数31 层裙房层数5 层±0.00 标高40.17m建筑高度140.497基底标高-24.55m最大基坑深度26.65m标准层层高3960mm标准层面积1720m2主楼外墙玻璃幕墙裙房外墙石材幕墙功能分区B3-B4 层:停车场;B2 层:设备层;B1-F5:商场;F6-F29:办公室;F30-F31:设备层1.2 结构设计概况地下水位标高-15.5m,无腐蚀性地下防水做法美 国Grace公 司preprufe-300R preprufe-160R自粘性防水卷材基坑支护土钉及地下连续墙+锚杆支护基础形式2.8m、2.5m、1.2m 厚全现浇钢筋混凝土筏板基础地下结构形式全现浇混凝土框架结构地上结构形式全现浇钢筋混凝土核心筒剪力墙+外框架钢结构裙房结构全钢框架结构建筑耐火等级一级人防等级6 级抗震等级设防烈度一级抗震,8 度设防抗震措施主楼和裙房之间从±0.00 开始设置两道防震缝。不均匀沉降措施在地下室设置两条永久性后浇带,主体结构完成后再浇注混凝土。3.0.000 以下施工测量3.1 轴线控制桩的校测在基础施工过程中,对轴线控制桩每月复测一次,防止桩位发生位移,影响工程施测的精度。复测仪器使用测量精度 2″级、测距精度 2mm+3ppm 的全站仪。3.2 平面测量放样3.2.1.基础底板及地下各层底板混凝土浇筑并达到一定强度后,根据基坑边上的轴线控制桩(轴线桩位布置图),将 J2经纬仪架设在控制桩上,反复对中、整平后、后视同轴对面方向桩(轴线标志),将控制轴线投测到作业面上。然后以控制轴线为基准,以设计图纸为依据,放样出其他轴线和墙柱边线、门窗洞口线等细部线。轴线桩布置图3.2.2.平面测量放样示例:3.2.3.每一层平面或每一施工段测量放线完毕,必须进行自检,自检合格后填写楼层平面放线记录表和施工测量放线报验表报监理验线;验线合格填写中间交接检查记录移交给下道工序施工。3.2.4.验线时允许误差主轴线间距允许误差(mm)L ≤30m±530m90m±20 3.2.5.支立模板时的测量控制中心线及标高的测设:根据控制轴线用钢尺将中心线或借线测设在靠近墙体的结构平面上,并...

1、当您付费下载文档后,您只拥有了使用权限,并不意味着购买了版权,文档只能用于自身使用,不得用于其他商业用途(如 [转卖]进行直接盈利或[编辑后售卖]进行间接盈利)。
2、本站所有内容均由合作方或网友上传,本站不对文档的完整性、权威性及其观点立场正确性做任何保证或承诺!文档内容仅供研究参考,付费前请自行鉴别。
3、如文档内容存在违规,或者侵犯商业秘密、侵犯著作权等,请点击“违规举报”。

碎片内容

测量施工方案技术交底

确认删除?
VIP
微信客服
  • 扫码咨询
会员Q群
  • 会员专属群点击这里加入QQ群
客服邮箱
回到顶部