电脑桌面
添加小米粒文库到电脑桌面
安装后可以在桌面快捷访问

消力沉砂池结构计算书

消力沉砂池结构计算书_第1页
1/8
消力沉砂池结构计算书_第2页
2/8
消力沉砂池结构计算书_第3页
3/8
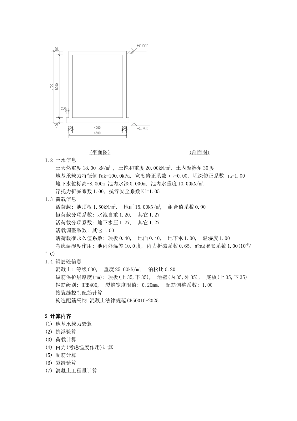
消力沉砂池结构计算书执行法律规范: 《混凝土结构设计法律规范》(GB 50010-2025), 本文简称《混凝土法律规范》 《建筑地基基础设计法律规范》(GB 50007-2025), 本文简称《地基法律规范》 《建筑结构荷载法律规范》(GB 50009-2025), 本文简称《荷载法律规范》 《给水排水工程构筑物结构设计法律规范》(GB 50069-2025), 本文简称《给排水结构法律规范》 《给水排水工程钢筋混凝土水池结构设计规程》(CECS 138-2025), 本文简称《水池结构规程》钢筋:d - HPB300; D - HRB335; E - HRB400; F - RRB400; G - HRB500; Q - HRBF400; R - HRBF500-----------------------------------------------------------------------1 基本资料1.1 几何信息 水池类型: 有顶盖 半地上 长度 L=4.600m, 宽度 B=3.600m, 高度 H=5.700m, 底板底标高=-5.700m 池底厚 h3=400mm, 池壁厚 t1=300mm, 池顶板厚 h1=300mm,底板外挑长度 t2=200mm 注:地面标高为±0.000。 ( 平面图 ) ( 剖面图 ) 1.2 土水信息 土天然重度 18.00 kN/m3 , 土饱和重度 20.00kN/m3, 土内摩擦角 30 度 地基承载力特征值 fak=100.0kPa, 宽度修正系数 ηb=0.00, 埋深修正系数 ηd=1.00 地下水位标高-8.000m,池内水深 0.000m, 池内水重度 10.00kN/m3, 浮托力折减系数 1.00, 抗浮安全系数 Kf=1.051.3 荷载信息 活荷载: 池顶板 1.50kN/m2, 地面 15.00kN/m2, 组合值系数 0.90 恒荷载分项系数: 水池自重 1.20, 其它 1.27 活荷载分项系数: 地下水压 1.27, 其它 1.27 活载调整系数: 其它 1.00 活荷载准永久值系数: 顶板 0.40, 地面 0.40, 地下水 1.00, 温湿度 1.00 考虑温湿度作用: 池内外温差 10.0 度, 内力折减系数 0.65, 砼线膨胀系数 1.00(10-5/°C)1.4 钢筋砼信息 混凝土: 等级 C30, 重度 25.00kN/m3, 泊松比 0.20 纵筋保护层厚度(mm): 顶板(上 35,下 35), 池壁(内 35,外 35), 底板(上 35,下 35) 钢筋级别: HRB400, 裂缝宽度限值: 0.20mm, 配筋调整系数: 1.00 按裂缝控制配筋计算 构造配筋采纳 混凝土法律规范 GB50010-20252 计算内容(1) 地基承载力验算(2) 抗浮验算(3) 荷载计算(4) 内力(考虑温度作用)计算(5) 配筋计算(6) 裂缝验算(7) 混凝土工程量计算3 计算过程及结果 单位说明: 弯矩:kN.m/m 钢筋面积:mm2 裂缝宽度:mm 计算说...

1、当您付费下载文档后,您只拥有了使用权限,并不意味着购买了版权,文档只能用于自身使用,不得用于其他商业用途(如 [转卖]进行直接盈利或[编辑后售卖]进行间接盈利)。
2、本站所有内容均由合作方或网友上传,本站不对文档的完整性、权威性及其观点立场正确性做任何保证或承诺!文档内容仅供研究参考,付费前请自行鉴别。
3、如文档内容存在违规,或者侵犯商业秘密、侵犯著作权等,请点击“违规举报”。

碎片内容

消力沉砂池结构计算书

文森传品+ 关注
实名认证
内容提供者

一家传播文化教育的小店,资料丰富,随意挑选。

确认删除?
VIP
微信客服
  • 扫码咨询
会员Q群
  • 会员专属群点击这里加入QQ群
客服邮箱
回到顶部