电脑桌面
添加小米粒文库到电脑桌面
安装后可以在桌面快捷访问

深基坑检测技术方案

深基坑检测技术方案_第1页
1/25
深基坑检测技术方案_第2页
2/25
深基坑检测技术方案_第3页
3/25
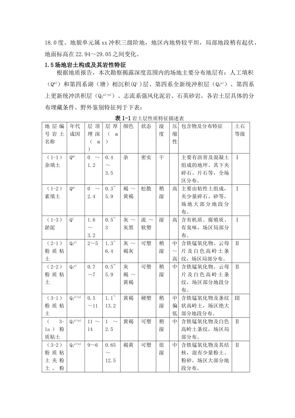
xx 站 xx 路隧道工程深基坑监测技术方案(终稿)第一章 工程概况1.1 工程概况xx 路改造工程为 xx 火车站综合开发项目的重要组成部分。该工程由 xx 路地下通道、两侧排水管道、西广场人行地下通道及雨水泵站组成。xx 路地下通道由隧道和引道(U 型槽及挡土墙)组成,全长约 1000m,隧道为闭合框架结构,拟采纳整板基础,跨度 22m,长约 540m,引道为钢筋混凝土 U 型槽或毛石混凝土挡土墙结构,拟采纳整板基础,跨度 22m。长约 460m。排水管道沿道路两侧布置,雨水泵站基底尺寸约 9m*8m。该工程由 xx 市市政工程设计讨论院进行设计工作,xx 市勘测设计讨论院进行勘察工作。1.2 道路沿线基本情况xx 路现状道路宽约 60m,道路中设有双向 2 车道高架桥,桥宽 10m,全长900m,xx 路两侧分布有几个较大的公共场站和车站,路西侧主要有 xx 长途客运站、xx 路西侧公交枢纽;东侧分布有 xx 火车站、xx 长途客运站。主要单位有 xx区 xx 小学、xx 市公共客运交通监察办公室第三管理站、xx 饭店、xx 快运公司、xx 讨论所等。xx 路现为进出 xx 火车站的唯一道路,其车流量极大,且车行、人行交错,交通极为繁忙。1.3 管线现状本工程范围内道路沿线现状地下管线较多,有给水、雨水、污水、电力、电信、燃气、有线电视、路灯及交通信号等管线。除电信、电力、部分给水管布置于现状人行道上外,大部分管线布置在车行道下。隧道开挖主要影响的管线有排水箱涵、煤气、给水。人防埋深约 9~12m,为钢筋混凝土结构,其净空尺寸为3m*2.55m,零散分布,隧道北敞口段东侧分布较多。1.4 场地自然地理概况及地形地貌特征xx 地区属于我国东南季风气候区,具有冬寒夏热,春湿秋旱,四季分明,降水充沛冬季少雪等特点,年平均气温 16.3 度,极端高温 41.3 度,极端低温-18.0 度。地貌单元属 xx 冲积三级阶地,地区内地势较平坦,局部地段稍有起伏,地面标高在 22.94~29.05 之间变化。1.5 场地岩土构成及其岩性特征根据地质报告,本次勘察揭露深度范围内的场地主要分布地层有:人工填积(Qml)和第四系湖(塘)相沉积(Ql )层、第四系全新统冲积层(Q4al)、第四系上更新统冲洪积层(Q3al+pl)、志流系强风化泥岩、石英砂岩。各岩土层具体的分布埋藏条件、野外鉴别特征列于下表:表 1-1 岩土层性质特征描述表地 层 编号 岩 土名称年代成因层 顶埋 深(m)层 厚(m)颜色状态湿度压缩性包含物及分布特征土石...

1、当您付费下载文档后,您只拥有了使用权限,并不意味着购买了版权,文档只能用于自身使用,不得用于其他商业用途(如 [转卖]进行直接盈利或[编辑后售卖]进行间接盈利)。
2、本站所有内容均由合作方或网友上传,本站不对文档的完整性、权威性及其观点立场正确性做任何保证或承诺!文档内容仅供研究参考,付费前请自行鉴别。
3、如文档内容存在违规,或者侵犯商业秘密、侵犯著作权等,请点击“违规举报”。

碎片内容

深基坑检测技术方案

您可能关注的文档

确认删除?
VIP
微信客服
  • 扫码咨询
会员Q群
  • 会员专属群点击这里加入QQ群
客服邮箱
回到顶部