电脑桌面
添加小米粒文库到电脑桌面
安装后可以在桌面快捷访问

混凝土评定道路

混凝土评定道路_第1页
1/2
混凝土评定道路_第2页
2/2
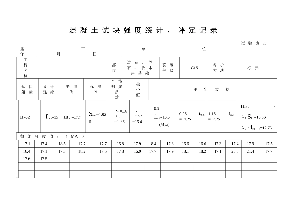
混 凝 土 试 块 强 度 统 计 、 评 定 记 录试 验 表 22施工单位: 年 月 日工程名称 部位边 石 、 界石 、 收 水井 基 础强 度等 级C15养 护方 法标 养试 块组 数设 计强 度平 均值标 准差合 格判 定系 数最小值评 定 数 据n=32fcu,k=15mfcu=17.7Sfcu=1.026λ1=1.6λ2 =0.85fcu,min=16.40.9 fcu,k=13.5(Mpa)0.95 fcu,k =14.251.15 fcu,k =17.25mfcu -λ1·Sfcu=16.06λ2·fcu , k=12.75每 组 强 度 值 : ( MPa )17.117.418.517.717.716.817.918.417.316.616.617.317.417.917.516.417.117.318.217.517.816.917.717.918.118.217.120.821.417.717.617.5评 定 依 据 : 《 混 凝 土 强 度 检 验 评 定 标 准 》 GBJ107-87结论因 n=17>10, 采 纳 统 计方 法 。 16.06>13.5 ;17.7>12.75 。 所 以 合格 。1 ) 统 计 组 数 n≥10组 时 : m fcu-λ1·Sfcu≥0.9fcu,k ; fcu,min≥λ2·fcu,k2 ) 非 统 计 方 法 : mfcu≥1.15 fcu,k ; fcu,min≥0.95 fcu,k施工项目技术负责人: 制表: 计算: 制 表 日 期 : 年 月 日

1、当您付费下载文档后,您只拥有了使用权限,并不意味着购买了版权,文档只能用于自身使用,不得用于其他商业用途(如 [转卖]进行直接盈利或[编辑后售卖]进行间接盈利)。
2、本站所有内容均由合作方或网友上传,本站不对文档的完整性、权威性及其观点立场正确性做任何保证或承诺!文档内容仅供研究参考,付费前请自行鉴别。
3、如文档内容存在违规,或者侵犯商业秘密、侵犯著作权等,请点击“违规举报”。

碎片内容

混凝土评定道路

确认删除?
VIP
微信客服
  • 扫码咨询
会员Q群
  • 会员专属群点击这里加入QQ群
客服邮箱
回到顶部