电脑桌面
添加小米粒文库到电脑桌面
安装后可以在桌面快捷访问

灌注桩钢筋笼隐蔽工程验收记录20250218

灌注桩钢筋笼隐蔽工程验收记录20250218_第1页
1/30
灌注桩钢筋笼隐蔽工程验收记录20250218_第2页
2/30
灌注桩钢筋笼隐蔽工程验收记录20250218_第3页
3/30
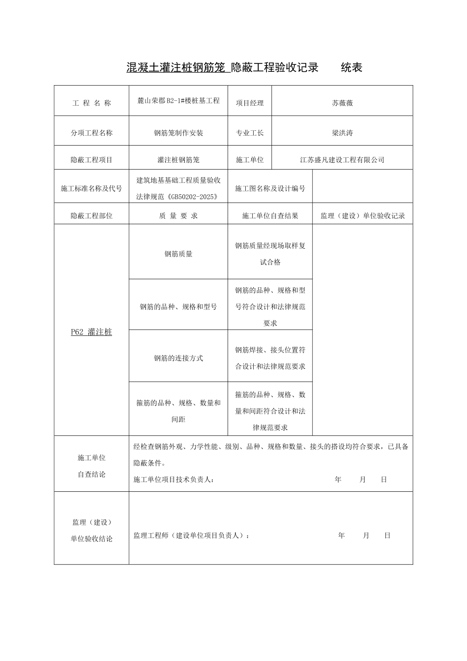
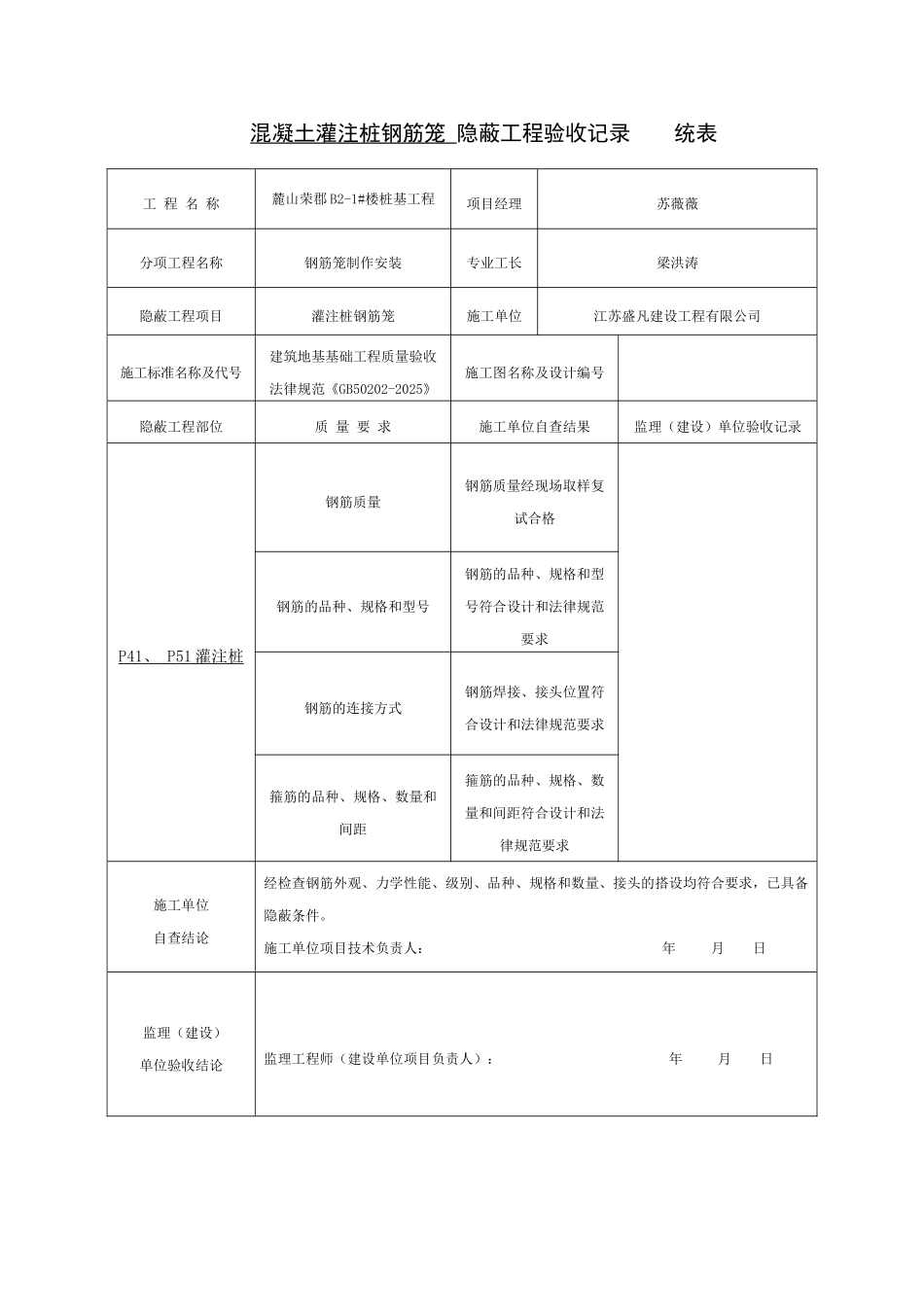
混凝土灌注桩钢筋笼 隐蔽工程验收记录 统表工 程 名 称麓山荣郡 B2-1#楼桩基工程项目经理苏薇薇分项工程名称钢筋笼制作安装专业工长梁洪涛隐蔽工程项目灌注桩钢筋笼施工单位江苏盛凡建设工程有限公司施工标准名称及代号建筑地基基础工程质量验收法律规范《GB50202-2025》施工图名称及设计编号 隐蔽工程部位质 量 要 求施工单位自查结果监理(建设)单位验收记录P62 灌注桩 钢筋质量钢筋质量经现场取样复试合格钢筋的品种、规格和型号钢筋的品种、规格和型号符合设计和法律规范要求钢筋的连接方式钢筋焊接、接头位置符合设计和法律规范要求箍筋的品种、规格、数量和间距箍筋的品种、规格、数量和间距符合设计和法律规范要求施工单位自查结论经检查钢筋外观、力学性能、级别、品种、规格和数量、接头的搭设均符合要求,已具备隐蔽条件。施工单位项目技术负责人: 年 月 日 监理(建设)单位验收结论监理工程师(建设单位项目负责人): 年 月 日混凝土灌注桩钢筋笼 隐蔽工程验收记录 统表工 程 名 称麓山荣郡 B2-1#楼桩基工程项目经理苏薇薇分项工程名称钢筋笼制作安装专业工长梁洪涛隐蔽工程项目灌注桩钢筋笼施工单位江苏盛凡建设工程有限公司施工标准名称及代号建筑地基基础工程质量验收法律规范《GB50202-2025》施工图名称及设计编号 隐蔽工程部位质 量 要 求施工单位自查结果监理(建设)单位验收记录P26 、 P56 、 P122 灌注桩钢筋质量钢筋质量经现场取样复试合格钢筋的品种、规格和型号钢筋的品种、规格和型号符合设计和法律规范要求钢筋的连接方式钢筋焊接、接头位置符合设计和法律规范要求箍筋的品种、规格、数量和间距箍筋的品种、规格、数量和间距符合设计和法律规范要求施工单位自查结论经检查钢筋外观、力学性能、级别、品种、规格和数量、接头的搭设均符合要求,已具备隐蔽条件。施工单位项目技术负责人: 年 月 日 监理(建设)单位验收结论监理工程师(建设单位项目负责人): 年 月 日混凝土灌注桩钢筋笼 隐蔽工程验收记录 统表工 程 名 称麓山荣郡 B2-1#楼桩基工程项目经理苏薇薇分项工程名称钢筋笼制作安装专业工长梁洪涛隐蔽工程项目灌注桩钢筋笼施工单位江苏盛凡建设工程有限公司施工标准名称及代号建筑地基基础工程质量验收法律规范《GB50202-2025》施工图名称及设计编号 隐蔽工程部位质 量 要 求施工单位自查结果监理(建设)单位验收记录P41 、 P51 灌注桩 钢筋质量...

1、当您付费下载文档后,您只拥有了使用权限,并不意味着购买了版权,文档只能用于自身使用,不得用于其他商业用途(如 [转卖]进行直接盈利或[编辑后售卖]进行间接盈利)。
2、本站所有内容均由合作方或网友上传,本站不对文档的完整性、权威性及其观点立场正确性做任何保证或承诺!文档内容仅供研究参考,付费前请自行鉴别。
3、如文档内容存在违规,或者侵犯商业秘密、侵犯著作权等,请点击“违规举报”。

碎片内容

灌注桩钢筋笼隐蔽工程验收记录20250218

确认删除?
VIP
微信客服
  • 扫码咨询
会员Q群
  • 会员专属群点击这里加入QQ群
客服邮箱
回到顶部