电脑桌面
添加小米粒文库到电脑桌面
安装后可以在桌面快捷访问

灌溉渠收方记录

灌溉渠收方记录_第1页
1/4
灌溉渠收方记录_第2页
2/4
灌溉渠收方记录_第3页
3/4
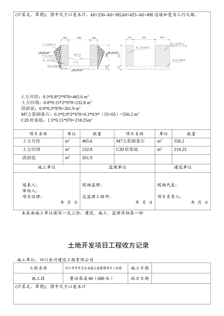
土地开发项目工程收方记录施工单位:四川金河建设工程有限公司 工程名称内江市市中区永安镇土地整理项目二标段施工日期施工段整治渠道 5#(384 米)收方日期(计算式、草图):图中尺寸以毫米计 土方开挖:0.3*0.8*2*384=184.32 m3 土方回填:0.8*0.15*2*384=92.16 m3 清淤泥:0.9*0.3*384=93.31 m3 M7.5 浆砌条石:0.3*0.9*2*384=207.36 m3 C20 砼渠底:1.5*0.15*384=86.4m3项目名称单位数量项目名称单位数量土方开挖m3184.32 M7.5 浆砌条石m3207.36 土方回填m392.16 C20 砼渠底m386.4清淤泥m393.31 施工单位监理单位建设单位填表人:审核人:项目经理:年 月 日现场监理:总监理工程师:年 月 日现场代表:项目负责人:年 月 日本表由施工单位填写一式三份:建设、施工、监理存档各一份土地开发项目工程收方记录施工单位:四川金河建设工程有限公司 工程名称内江市市中区永安镇土地整理项目二标段施工日期施工段整治渠道 6#(1326 米)收方日期(计算式、草图):图中尺寸以毫米计 土方开挖:0.3*0.8*2*1326=636。48m3 土方回填:0.8*0.15*2*1326=318。24 m3 清淤泥:0.9*0.3*1326=358。02 m3 M7.5 浆砌条石:0.3*0.9*2*1326=716。04 m3 C20 砼渠底:1.5*0.15*1326=298。35m3项目名称单位数量项目名称单位数量土方开挖m3636.48M7.5 浆砌条石m3716.04土方回填m3318.24C20 砼渠底m3298.35清淤泥m3358.02施工单位监理单位建设单位填表人:审核人:项目经理:年 月 日现场监理:总监理工程师:年 月 日现场代表:项目负责人:年 月 日本表由施工单位填写一式三份:建设、施工、监理存档各一份土地开发项目工程收方记录施工单位:四川金河建设工程有限公司 工程名称内江市市中区永安镇土地整理项目二标段施工日期施工段整治渠道 7#(970 米)收方日期(计算式、草图):图中尺寸以毫米计,k0+250--k0+305,k0+425--k0+490 边墙加宽为人行大路。 土方开挖:0.3*0.8*2*970=465.6 m3 土方回填:0.8*0.15*2*970=232.8 m3 清淤泥:0.9*0.3*970=261.9 m3 M7.5 浆砌条石:0.3*0.9*2*970+0.3*0.9*(55+65)=556.2 m3 C20 砼渠底:1.5*0.15*970=218.25m3项目名称单位数量项目名称单位数量土方开挖m3465.6M7.5 浆砌条石m3556.2土方回填m3232.8C20 砼渠底m3218.25清淤泥m3261.9施工单位监理单位建设单位填表人:审核人:项目经理:年 月 日现场监理:总监理工程师:年 月 日现场代表:项目负...

1、当您付费下载文档后,您只拥有了使用权限,并不意味着购买了版权,文档只能用于自身使用,不得用于其他商业用途(如 [转卖]进行直接盈利或[编辑后售卖]进行间接盈利)。
2、本站所有内容均由合作方或网友上传,本站不对文档的完整性、权威性及其观点立场正确性做任何保证或承诺!文档内容仅供研究参考,付费前请自行鉴别。
3、如文档内容存在违规,或者侵犯商业秘密、侵犯著作权等,请点击“违规举报”。

碎片内容

灌溉渠收方记录

确认删除?
VIP
微信客服
  • 扫码咨询
会员Q群
  • 会员专属群点击这里加入QQ群
客服邮箱
回到顶部