电脑桌面
添加小米粒文库到电脑桌面
安装后可以在桌面快捷访问

现浇单向板肋梁楼盖课程设计计算书

现浇单向板肋梁楼盖课程设计计算书_第1页
1/14
现浇单向板肋梁楼盖课程设计计算书_第2页
2/14
现浇单向板肋梁楼盖课程设计计算书_第3页
3/14
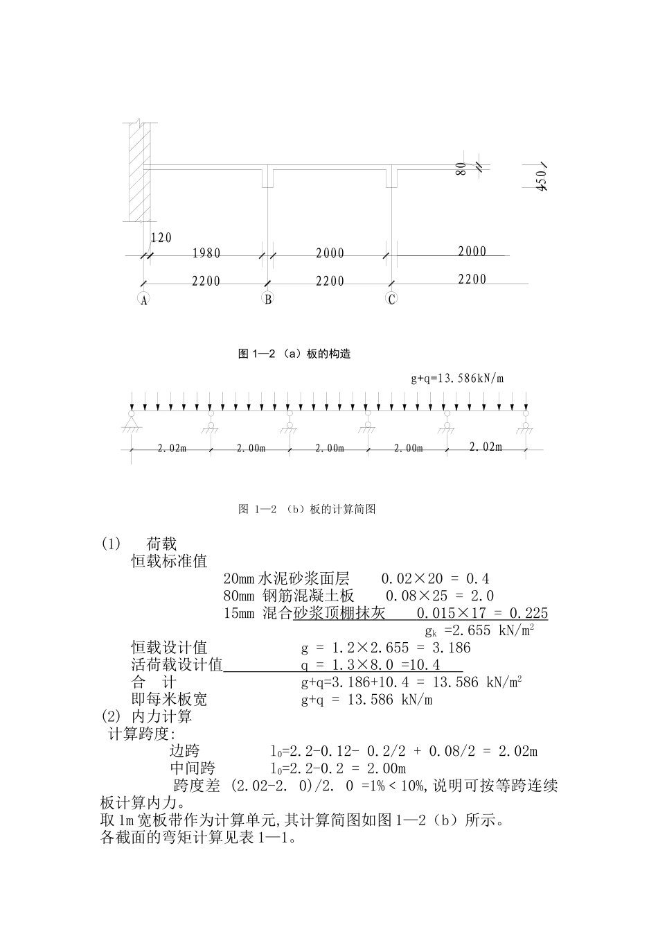
第三章 现浇单向板肋梁楼盖设计3.1 整体式单向板肋梁楼盖设计步骤1.设计资料某三层轻工厂房车间的楼盖,拟采纳整体式钢筋混凝土单向板肋梁楼盖。要求进行第二层楼面梁格布置,确定梁、板、柱截面尺寸,计算梁板配筋,并绘制施工图。 图 1-1 梁板平面布置(1)楼面构造层做法:20mm 厚水泥砂浆抹面;顶棚为 15mm 厚混合砂浆抹灰;梁用 15mm 厚混合砂浆抹灰。(2)荷载:永久荷载,包括梁、柱、板及构造层自重,钢筋混凝土容重 25kN/m3,水泥砂浆容重 20kN/m3,石灰砂浆容重17kN/m3,恒荷载分项系数为 1.2;活荷载分项系数为1.3。活荷载设计值为 8 kN/m3。(3)材料选用: 混凝土 采纳 C30 (fc =14.3N/mm2, ft=1.43N/mm2)。钢筋 受力钢筋全部采纳 HRB400 级 ( fy=360N/mm2 )构造钢筋钢筋采纳HPB300级 ( fy=270N/mm2 )。2. 板的计算板按考虑塑性内力重分布方法计算板的厚度按构造要求取 h=80mm>L/40 ≈2200/40 =55mm。次梁截 面 高 度 取 h=450mm﹥L / 15 ≈6600 / 15 =440mm, 截 面 宽 度 b=200mm,板的尺寸及支承情况如图 1—2(a)所示。图 1—2 (a)板的构造 图 1—2 (b)板的计算简图 (1)荷载恒载标准值 20mm 水泥砂浆面层 0.02×20 = 0.4 80mm 钢筋混凝土板 0.08×25 = 2.015mm 混合砂浆顶棚抹灰 0.015×17 = 0.225 gk =2.655 kN/m2恒载设计值 g = 1.2×2.655 = 3.186 活荷载设计值 q = 1.3×8.0 =10.4 合 计 g+q=3.186+10.4 = 13.586 kN/m2即每米板宽 g+q = 13.586 kN/m(2) 内力计算 计算跨度: 边跨 l0=2.2-0.12- 0.2/2 + 0.08/2 = 2.02m 中间跨 l0=2.2-0.2 = 2.00m 跨度差 (2.02-2. 0)/2. 0 =1%﹤10%,说明可按等跨连续板计算内力。取 1m 宽板带作为计算单元,其计算简图如图 1—2(b)所示。 各截面的弯矩计算见表 1—1。198012020002200220080450ABC220020002.02m2.00m2.00m2.00m2.02mg+q=13.586kN/m连续板各截面弯矩计算 (表 1—1)截 面边跨跨中离端第二支座离端第二跨跨中 中间跨跨中 中间支座弯 矩 计 算 系数 am1/11-1/111/16-1/14M=am(g+q)l02(kN·m)1/11*13.586*2.022=5.05-1/11*13.586*2.022=-5.041/16*13.586*2.02=3.40-1/14*13.586*2.02=-3.88(3) 截面承载力计算 b=1000mm, h=80mm, h0=80-20=60mm,各截面的配筋计算见表 1—2。 板的配筋计算 (表 1—2) 板 带 部位边区板带(①...

1、当您付费下载文档后,您只拥有了使用权限,并不意味着购买了版权,文档只能用于自身使用,不得用于其他商业用途(如 [转卖]进行直接盈利或[编辑后售卖]进行间接盈利)。
2、本站所有内容均由合作方或网友上传,本站不对文档的完整性、权威性及其观点立场正确性做任何保证或承诺!文档内容仅供研究参考,付费前请自行鉴别。
3、如文档内容存在违规,或者侵犯商业秘密、侵犯著作权等,请点击“违规举报”。

碎片内容

现浇单向板肋梁楼盖课程设计计算书

元素商铺+ 关注
实名认证
内容提供者

欢迎挑选合适的文档

确认删除?
VIP
微信客服
  • 扫码咨询
会员Q群
  • 会员专属群点击这里加入QQ群
客服邮箱
回到顶部