电脑桌面
添加小米粒文库到电脑桌面
安装后可以在桌面快捷访问

电力建设工程预算定额交底说明

电力建设工程预算定额交底说明_第1页
1/141
电力建设工程预算定额交底说明_第2页
2/141
电力建设工程预算定额交底说明_第3页
3/141
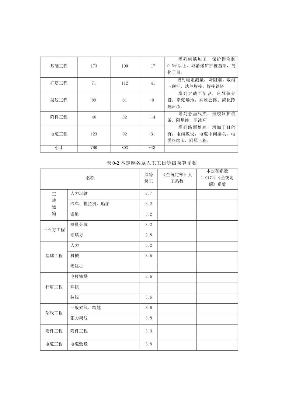
电力建设工程预算定额第 4 册 送电线路安装工程交底说明《送电线路安装工程预算定额》编制组 编中国电力出版社说明1 概述《电力建设工程预算定额 第 4 册 送电线路安装工程》是根据能源基[1992]71 号文件“关于下达电力建设行业预算定额编制任务的通知”精神组织编制的。该定额经电力部审查通过,于 1995 年 7 月 1 日发布执行。为使用者了解本定额编制渊源,通晓内在关系,掌握使用方法的需要,我们编纂了这本小册子,就编制中的有关情况在必要范围内作了尽可能详细的交底。本书所附“土石方工程量计算表”适用于基础、基面土石方的开挖,可以使概预算中土石方工程量计算更方便,这部分内容虽不属预算定额常规的交底性质,但在利用本预算定额作为概算定额时,它将是必不可少的基础计算依据,故一并编入本书。2 本定额主要今年的规程法律规范2.1 GBJ233-90《110~500KV 架空电力线路施工及验收法律规范》。2.2 DL5009.2-92《电力建设安全工作规程》(架空送电线路部分)》。2.3 GB50168-92《电缆线路施工及验收法律规范》。3 本定额适用范围3.1 架空送电线路从送电端变电所(或发电厂)构架的引出线起至受电端变电所(构架或穿墙套管)的引入线止的 35~500KV 架空交、直流送电线路以及 35~220KV 电力电缆线路。10KV 及以下的架空送电线路及电缆线路本定额未包括,属电气设备安装范围。3.2 本定额适用于电力建设安装工程新建及扩建工程施工图预算的编制及概算的编制。4 编制原则和数据取定4.1 间、节划分:维持 1986 年的《全国统一安装工程预算定额第三册送电线路》(以下简称《全统定额》的模式,以实物量形式表示。4.2 综合工日:以 8h 为一个工作日,考虑到送电线路是野外施工的特点,编制定额中实际按每工日 7h 取定。4.3 材料:本定额内所列的材料为一次性消耗材料和周转材料,对用量少的零星材料在计算费用时按总材料费的 5%计列。4.4 机械台班:按 7h 为一个台班取定。4.5 维持《全统定额》中的材料损耗率,本定额中增加了钢筋加工制作。5 本定额对《全统定额》变动情况5.1 根据送电线路安装工程的施工特点,本定额增加了上下班用车,按每 100 工日为一个台班计,每人 0.01 台班,以 4t 以内汽车台班进入定额。5.2 由于线路施工中发生砂、石、塔材、线材、电缆等在现场堆放情况,在本定额中增加了现场看护人工。5.3 取消跳跃施工中生档增加 18%的计算方法,修改为:凡...

1、当您付费下载文档后,您只拥有了使用权限,并不意味着购买了版权,文档只能用于自身使用,不得用于其他商业用途(如 [转卖]进行直接盈利或[编辑后售卖]进行间接盈利)。
2、本站所有内容均由合作方或网友上传,本站不对文档的完整性、权威性及其观点立场正确性做任何保证或承诺!文档内容仅供研究参考,付费前请自行鉴别。
3、如文档内容存在违规,或者侵犯商业秘密、侵犯著作权等,请点击“违规举报”。

碎片内容

电力建设工程预算定额交底说明

领读文化+ 关注
实名认证
内容提供者

传播文化,铸就未来

确认删除?
VIP
微信客服
  • 扫码咨询
会员Q群
  • 会员专属群点击这里加入QQ群
客服邮箱
回到顶部