电脑桌面
添加小米粒文库到电脑桌面
安装后可以在桌面快捷访问

电子计算机机房空调热湿负荷计算

电子计算机机房空调热湿负荷计算_第1页
1/3
电子计算机机房空调热湿负荷计算_第2页
2/3
电子计算机机房空调热湿负荷计算_第3页
3/3
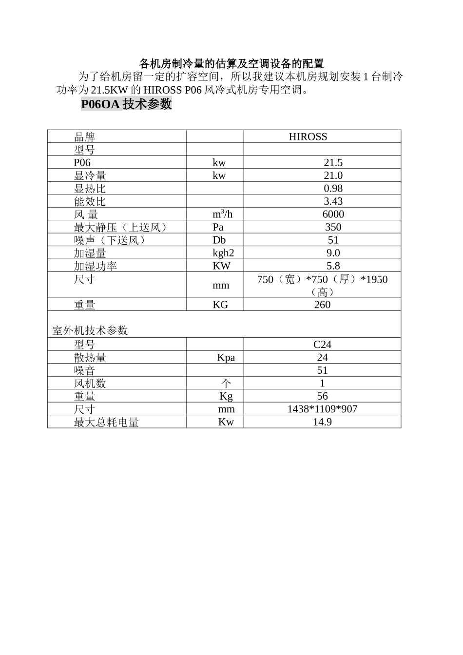
XXX 机房空调方案空调制冷量的估算依据电子计算机机房空调的热湿负荷应包括下列内容:计算机和其它设备的散热;建筑围护结构的传热;太阳辐射热;人体散热、散湿;照明装置散热;新风负荷。在工程实践中,制冷量的估算方法一般有以下两种方法:1.功率及面积法机房内的冷负荷要考虑机房设备所产生的热量,计算机和其它设备的散热量应按产品的技术数据进行计算。一般网络设备的发热量为设备功率的 70%-80%,有些存储设备甚至接近 100%。 机房围护结构(墙壁、窗户等)的传热,灯光、人员、日照等的辐射热以及换新风损失的冷量一般根据机房面积 100-150W/M² 制冷量考虑。Qt=Q1+Q2Qt:总制冷量(KW)Q1:室内设备负荷(=设备功率×0.8)Q2:环境热负荷(=0.1KW/m²×机房面积)2.面积法(当设备负荷难以确定,只知道机房面积时)Qt=S×PQt:总制冷量(KW)S:机房面积(m²)P:冷量估算指标(根据不同用途的估算指标选取)下表为各类机房的冷负荷指标估算:机房类型冷负荷估算参数交换机房、移动基站300-400 W/m²传输机房250-350 W/m²IDC 数据中心600-900 W/m²计算机房、控制中心400-500 W/m²UPS 和电池室、动力机房250-350 W/m²注:此表主要目的是粗略估算出用户精密房间的空调总冷负荷;估算制冷量时,应考虑机房的高度和设备数量。 以后考虑增加设备计算参数可适当选大些。3.其他考虑因素空调总负荷由显负荷和潜负荷组成,显负荷用来降低温度,而潜负荷用来去除湿量。显负荷占总负荷之比,即为显热比。 计算机机房有其自有的负荷特点,程控交换设备、传输设备等机器设备散热产生的热负荷极大;而机房内几乎没有湿负荷源,湿负荷微小(主要是机房工作人员、机房和外界空气质交换产生的湿负荷);还有就是在冬季时,机房也产生热负荷,空调设备仍需制冷运行。因此,通信机房空调设备主要是在制冷状态下运行,很少或几乎不在除湿状态下运行。要考虑各厂家空调实际的显冷量,各厂家同样总冷量的空调他们的显冷量有时相差很大,即显热比不一样。显热比低的空调它的显冷量要低于总冷量 10%左右。机房主要靠显冷量降温,以避开所选空调制冷量不够。从制冷要求以及安全冗余考虑,机房空调应当采纳 N 用一备制冷方式,当夏天室外温度比较高或一台空调故障备份空调即可启动制冷。室内机组送风方式的比较4.风帽上送风型安装最为简便,整体造价较低,对机房的要求也较低。但是由于完全靠风机的射流将冷风送出,不但送出的冷风无法直接...

1、当您付费下载文档后,您只拥有了使用权限,并不意味着购买了版权,文档只能用于自身使用,不得用于其他商业用途(如 [转卖]进行直接盈利或[编辑后售卖]进行间接盈利)。
2、本站所有内容均由合作方或网友上传,本站不对文档的完整性、权威性及其观点立场正确性做任何保证或承诺!文档内容仅供研究参考,付费前请自行鉴别。
3、如文档内容存在违规,或者侵犯商业秘密、侵犯著作权等,请点击“违规举报”。

碎片内容

电子计算机机房空调热湿负荷计算

MY shop+ 关注
实名认证
内容提供者

欢迎挑选适合自己的材料。

相关文档

确认删除?
VIP
微信客服
  • 扫码咨询
会员Q群
  • 会员专属群点击这里加入QQ群
客服邮箱
回到顶部