电脑桌面
添加小米粒文库到电脑桌面
安装后可以在桌面快捷访问

电梯间操作平台技术交底

电梯间操作平台技术交底_第1页
1/4
电梯间操作平台技术交底_第2页
2/4
电梯间操作平台技术交底_第3页
3/4
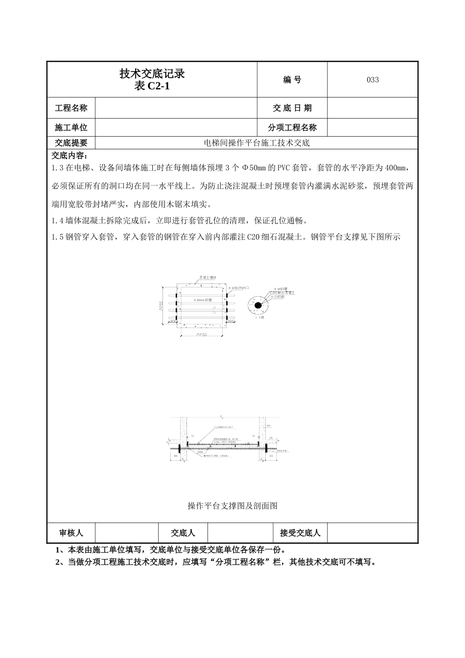
技术交底记录表 C2-1编 号033工程名称交 底 日 期施工单位分项工程名称交底提要电梯间操作平台施工技术交底交底内容: 一、材料要求二、主要机具塔吊、脚手板、电焊机、焊条。三、作业条件:1、对进场的槽钢、脚手板进行全面的严格检查,禁止使用规格和质量不合格的材料及其配件;2、各种防护措施准备好;3、电梯井道内各种垃圾、积水等全部清理洁净。四、操作工艺1、操作平台制作:1.1 设备、电梯操作平台位置为(Ⅰ-8)-(Ⅰ-9)交(Ⅰ-C)-(Ⅰ-D)间的设备、电梯间,(Ⅰ-3)-(Ⅰ-4)交(Ⅰ-F)-(Ⅰ-G)间的电梯间及(Ⅰ-2)-(Ⅰ-3)交(Ⅰ-F)-(Ⅰ-G)间的电梯间。1.2设备、电梯操作平台顶板比楼板板面低300mm。在电梯、设备间墙体施工时在每侧墙体预埋3个Φ50mm的PVC套管,套管的水平净距为400mm,必须保证所有的洞口均在同一水平线上。为防止浇注混凝土时预埋套管内灌满水泥砂浆,预埋套管两端用宽胶带封堵严实。主次龙骨:设备、电梯操作平台框架的主、次龙骨采纳8#工字钢。操作平台用 8#槽钢现场加工制作,操作平台尺寸比电梯井筒内截面尺寸四边各小 50mm,保证操作平审核人交底人接受交底人1、本表由施工单位填写,交底单位与接受交底单位各保存一份。2、当做分项工程施工技术交底时,应填写“分项工程名称”栏,其他技术交底可不填写。序号材料名称规格型号数量18#槽钢80×43×530m2脚手板50mm1.7m³33m长钢管Φ4842m4加强钢筋Φ2250m5安全网平网3×6m40m²6扣件Φ48200个技术交底记录表 C2-1编 号033工程名称交 底 日 期施工单位分项工程名称交底提要电梯间操作平台施工技术交底交底内容: 台的提升。1.3 操作平台槽钢焊接时,角部焊缝将槽钢切 45 度角进行焊接,中间连接采纳围焊,保证焊角的尺寸不小于 8mm。1.4 在操作平台上侧满铺脚手板,用 8#铅丝压钢筋将脚手板绑扎牢固。1.5 操作平台上焊接吊钩 4 个(采纳20 圆钢焊制),便于操作平台的提升。1.6 操作平台施工完成后,必须经过项目部技术、安全员的验收才能投入使用。梯间、设备操作平台搭设如下图所示:操作平台加工平面图2、工艺流程墙体钢筋绑扎完成 拉水平线安装套管 墙体混凝土浇筑,模板拆除 套管孔位进行清理 插钢管 吊放电梯操作平台 用 8#铅丝绑扎操作平台与螺杆插销 验收投入使用 1.1 各操作平台依据电梯井、设备建的井筒尺寸加工焊接完成,上面满铺脚手板,用 8 号铅丝压钢筋绑扎牢固。1.2 墙体钢筋绑扎完成后,...

1、当您付费下载文档后,您只拥有了使用权限,并不意味着购买了版权,文档只能用于自身使用,不得用于其他商业用途(如 [转卖]进行直接盈利或[编辑后售卖]进行间接盈利)。
2、本站所有内容均由合作方或网友上传,本站不对文档的完整性、权威性及其观点立场正确性做任何保证或承诺!文档内容仅供研究参考,付费前请自行鉴别。
3、如文档内容存在违规,或者侵犯商业秘密、侵犯著作权等,请点击“违规举报”。

碎片内容

电梯间操作平台技术交底

您可能关注的文档

确认删除?
VIP
微信客服
  • 扫码咨询
会员Q群
  • 会员专属群点击这里加入QQ群
客服邮箱
回到顶部