电脑桌面
添加小米粒文库到电脑桌面
安装后可以在桌面快捷访问

电源线检验标准

电源线检验标准_第1页
1/8
电源线检验标准_第2页
2/8
电源线检验标准_第3页
3/8
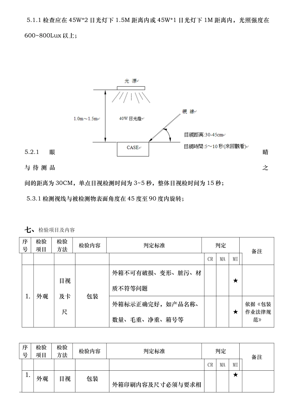
一、修 订 内 容日 期页 次版 本修改内容修订人批 准审 核制 定二、目的 为确保公司的产品品质得以全面保证,并能满足客户的需求,特制定本标准。三、范围 本标准适应我司采购的所有版本的电源线。四、缺陷定义1.致命缺陷(CR) 可能威胁到人身安全或财产安全的缺陷;或其最终制品不能执行或达成此制品应有功能之缺点。2.严重缺陷(MA) 没有致命缺点外,制品单位的使用性能,不能达到所期望之目的,结构破损、不可恢复的明显变形。或显著的减低其有用性质对客户造成使用不愉快的缺陷。 3.轻微缺陷(MI) 结构出现异常但不影响使用,一般为外观问题。五、抽样方案 4.1 抽样标准:依据 GB/T2829.1-2025 和 GB/T2828.1-2025 标准,本公司采纳 MIL-STD-105E 正常检验一次抽样。 4.2 允收质量水平(AQL): 正常抽样 致命缺陷(CR):0 严重缺陷(MA):0.65 轻微缺陷(MI):1.5 加严抽样 致命缺陷(CR):0 严重缺陷(MA):0.4 轻微缺陷(MI):1.0 放宽抽样 致命缺陷(CR):0 严重缺陷(MA):1.5 轻微缺陷(MI):4.0 4.3 成品判定要求: 第一次抽样按正常抽样水平Ⅱ级进行。当此批不合格需进行二次抽验时,需加严抽检。按Ⅲ级正常抽样水平进行。若连续三批次验货均判定合格时,第四批抽样可降低抽样比例(放宽抽样)。按Ⅰ级正常抽样水平进行。若连续三批次验货均判定不合格时,终止与此供应商合作。六、检测条件: 5.1.1 检查应在 45W*2 日光灯下 1.5M 距离内或 45W*1 日光灯下 1M 距离内,光照强度在600~800Lux 以上; 5.2.1眼睛与 待 测 品之间的距离为 30CM,单点目视检测时间为 3~5 秒,整体目视检时间为 15 秒; 5.3.1 检测视线与被检测物表面角度在 45 度至 90 度内旋转;七、检验项目及内容序号检验项目检验方法检验内容判定标准判定备注CRMAMI1.外观目视及卡尺包装外箱不可有破损、变形、脏污、材质不符等问题★外箱标示正确完好,如产品名称、数量、毛重、净重、箱号等★依据《包装作业法律规范》序号检验项目检验方法检验内容判定标准判定备注CRMAMI1.外观目视包装外箱印刷内容及尺寸必须与要求相★及卡尺符,准确无误外箱需按包装资料要求打好包带(“工”字型和“井”字型)及封箱胶带(“H”型),且材质、颜色、LOGO、尺寸均符合要求★贴纸不可有脏污、涂改、破损、内容错误、位置贴错等问题,不可有快递单或其它贴纸★吸塑、纸卡、折盒、袋子均符合要求(如尺寸、材质、颜色、印刷内容等...

1、当您付费下载文档后,您只拥有了使用权限,并不意味着购买了版权,文档只能用于自身使用,不得用于其他商业用途(如 [转卖]进行直接盈利或[编辑后售卖]进行间接盈利)。
2、本站所有内容均由合作方或网友上传,本站不对文档的完整性、权威性及其观点立场正确性做任何保证或承诺!文档内容仅供研究参考,付费前请自行鉴别。
3、如文档内容存在违规,或者侵犯商业秘密、侵犯著作权等,请点击“违规举报”。

碎片内容

电源线检验标准

确认删除?
VIP
微信客服
  • 扫码咨询
会员Q群
  • 会员专属群点击这里加入QQ群
客服邮箱
回到顶部