电脑桌面
添加小米粒文库到电脑桌面
安装后可以在桌面快捷访问

空压机技术方案

空压机技术方案_第1页
1/13
空压机技术方案_第2页
2/13
空压机技术方案_第3页
3/13
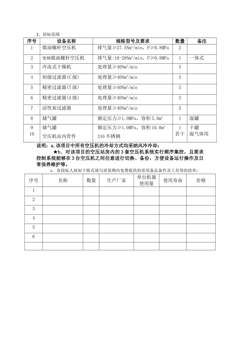
长沙广汽东阳汽车零部件有限公司螺杆式空气压缩机及后处理设备采购项目技术方案招标人:长沙广汽东阳汽车零部件有限公司二 0 一一年六月1、基本参数1.1 项目实施地点长沙星沙开发区广汽菲亚特零部件园区内。1.2 设计制作依据招标人提供的招标文件、相关图纸、招标答疑以及其它招投标双方沟通认可的资料。1.3 使用环境及条件 厂房使用环境要求:温度 -5~45℃;湿度: 40-90%;电源: a)380V 三相四线制,电压波动范围:380V±10%,50Hz。b) AC220v±10% 50 Hz 单相1.5 重要说明★ A. 技术任务书中带★条款为关键项,投标人必须重点关注并逐条在投标文件中明确响应,不得欺骗隐瞒,否者将会直接导致废标;★B.招投标文件、技术协议作为该定作项目承揽合同的一部分,具有同等法律效力,与承揽合同生效后同时使用,若三者发生冲突,以对招标人有利的条款执行。C. 经招标人、投标人双方协商认可并书面签署的技术文件、招标人提供的相关图纸和技术资料以及投标人的投标文件均为技术协议的有效附件。2、招标范围序号设备名称规格型号及要求数量备注1微油螺杆空压机排气量≥27.5Nm3/min,P≥0.8MPa22变频微油螺杆空压机排气量:10-28Nm3/min,P≥0.8MPa1一体式3冷冻式干燥机处理量≥40Nm3/min34初级过滤器(C 级)处理量≥40Nm3/min35精密过滤器(T 级)处理量≥40Nm3/min36精密过滤器(A 级)处理量≥40Nm3/min37活性炭过滤器处理量≥40Nm3/min38储气罐额定压力≥1.0MPa,容积 5.0m31湿罐910储气罐空压机站内管件额定压力≥1.0MPa,容积 10.0m3316 不锈钢1若干干罐湿气体用说明:a.该项目中所有空压机的冷却方式均采纳风冷冷却; ★b.对该项目的空压站房内的 3 套空压机系统实行顺序集控,且要求控制系统能够在 3 台空压机之间任意进行切换、备份,方便设备运行操作及日常保养维护等。c.各投标人按如下格式填写质保期内免费提供的常用备品备件及工具等的清单:序号名称数量生产厂家单台机器使用量使用寿命价格1234563、技术要求:3.1 空压机技术要求: ★a. 空压机名誉功率:不低于 160KW;额定流量(单台):不低于27.5Nm3/min(指温度为 20℃、1 个标准大气压、相对湿度 RH=0%的自由状态时排气量);排气压力 P≥0.8Mpa; ★ b.变频空压机压缩空气流量有效控制范围:10-28Nm3/min;工频空压机进气端要求采纳节流装置,气量调节范围为 18-28Nm3/min; ★ c.空压机组为箱式结构,集气、油、电、冷却及仪表控制为一体...

1、当您付费下载文档后,您只拥有了使用权限,并不意味着购买了版权,文档只能用于自身使用,不得用于其他商业用途(如 [转卖]进行直接盈利或[编辑后售卖]进行间接盈利)。
2、本站所有内容均由合作方或网友上传,本站不对文档的完整性、权威性及其观点立场正确性做任何保证或承诺!文档内容仅供研究参考,付费前请自行鉴别。
3、如文档内容存在违规,或者侵犯商业秘密、侵犯著作权等,请点击“违规举报”。

碎片内容

空压机技术方案

您可能关注的文档

确认删除?
VIP
微信客服
  • 扫码咨询
会员Q群
  • 会员专属群点击这里加入QQ群
客服邮箱
回到顶部