电脑桌面
添加小米粒文库到电脑桌面
安装后可以在桌面快捷访问

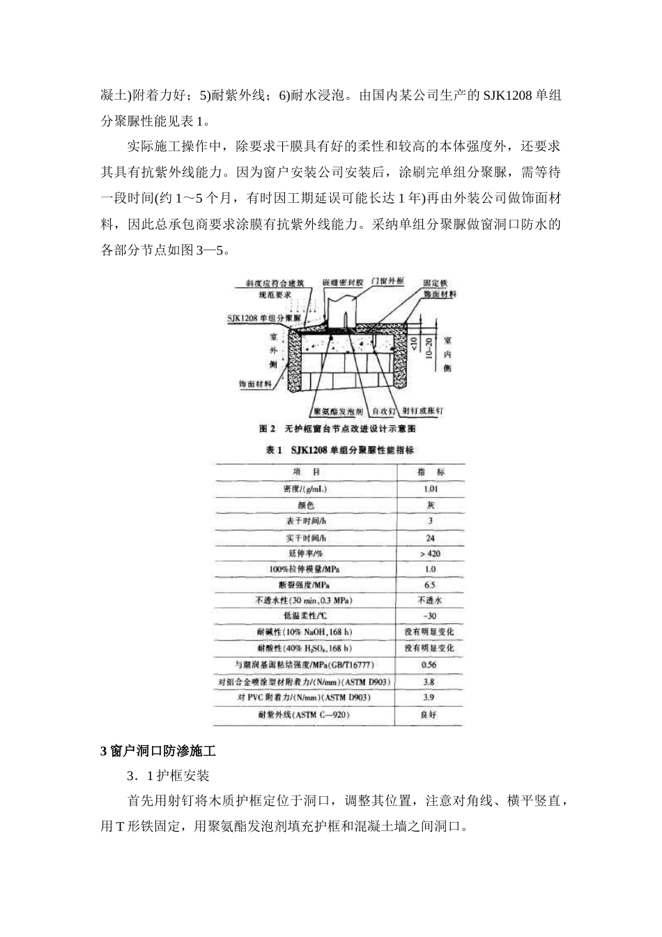
窗户洞口渗漏原因及解决措施

窗户洞口渗漏原因及解决措施_第1页
1/6
窗户洞口渗漏原因及解决措施_第2页
2/6
窗户洞口渗漏原因及解决措施_第3页
3/6
窗户洞口渗漏原因及解决措施分析了窗户洞口渗漏的原因:以单组分聚脲液体防水涂膜在上海古北国际广场住宅工程中窗户洞口防水中的应用为案例.介绍了窗户洞口渗漏的解决方案。窗户安装后发生渗漏.这一直是门窗行业的一个老大难问题。而且,窗户洞口的渗漏也往往会引起窗户安装公司与土建方甚至外墙装修公司之间的纷争。窗户安装公司认为其制作窗户的过程是非常严格的,其安装过程也完全符合法律规范,渗漏现象很可能由窗台引起.与窗户安装公司无关。而土建方则认为土建方只对建筑物主体负责,只须在墙体留出符合规定尺寸的洞口即可.没有保证窗洞和窗台面防水的义务。外墙装修公司则声称其承担的责任和义务是外墙装修。实际上.窗户洞口和窗台防水是一个接口技术,它涉及到多个方面。l 窗户渗漏水原因分析现在国内窗户工程通常是由窗户制造商承担生产和安装.生产在门窗制造工厂进行。假设窗户制作过程中所选用密封材料和加工过程均是严格的、没有缺陷.如:中空玻璃密封采纳热熔丁基胶和聚硫胶或硅酮胶或聚氨酯胶.密封是完善的;窗框之间组角时采纳了角码,并且使用组角胶粘接角码(且采纳的组角胶和细缝密封胶是高等级的),以及密封了型材腔体缝隙;玻璃与型材之间采纳高等级硅酮密封胶(符合 GB/T14683)或使用高等级 EPDM 橡胶条,则窗户本身不会发生渗漏。但是.窗户安装后渗漏很普遍,有时还很严重,有些人就简单地认为是下列因素造成的:1)窗户安装时在洞口没有填充单组分聚氨酯发泡剂。聚氨酯发泡剂具有隔热、隔音、抗震、填充作用,并能解决窗户软质连结问题。但是,一般的聚氨酯发泡剂泡孔是相通的.即使发泡剂闭孔率达到 90%,仍不具有防水功能。2)窗户洞口砂浆填充不实。窗户洞口砂浆(包括防渗砂浆)填充不实形成空洞,当然会漏水。但是即使将窗洞用防渗砂浆填实,经过一段时间后(尤其过冬),照样渗水,因为原墙体混凝土、洞口砂浆、窗框等界面会开裂(这是由于它们膨胀系数不同所引起的)。更何况墙体本身沉降以及其它变化,不可避开地带来裂纹。3)窗外饰面材料未做好造成渗漏。其实外窗台瓷砖缝隙密封再好,在瓷砖接缝处也会形成细小裂纹。假如使用墙漆,饰面外墙漆也不具防水功能。因此饰面材料不能解决窗户外台面防水问题。4)窗框外侧阴角处未打密封胶(硅酮、聚氨酯)或者所打密封胶延伸率不高造成开裂。事实上,某些工程也使用了高延伸率(25 级以上)密封胶,并且密封胶不开裂.窗台及洞口照样渗漏。5)外窗台高、内窗台低,因此...

1、当您付费下载文档后,您只拥有了使用权限,并不意味着购买了版权,文档只能用于自身使用,不得用于其他商业用途(如 [转卖]进行直接盈利或[编辑后售卖]进行间接盈利)。
2、本站所有内容均由合作方或网友上传,本站不对文档的完整性、权威性及其观点立场正确性做任何保证或承诺!文档内容仅供研究参考,付费前请自行鉴别。
3、如文档内容存在违规,或者侵犯商业秘密、侵犯著作权等,请点击“违规举报”。

碎片内容

窗户洞口渗漏原因及解决措施

您可能关注的文档

一帆文传+ 关注
实名认证
内容提供者

欢迎光临店铺,各类公文供您挑选。

确认删除?
VIP
微信客服
  • 扫码咨询
会员Q群
  • 会员专属群点击这里加入QQ群
客服邮箱
回到顶部