电脑桌面
添加小米粒文库到电脑桌面
安装后可以在桌面快捷访问

第11章-测量工程施工方案

第11章-测量工程施工方案_第1页
1/12
第11章-测量工程施工方案_第2页
2/12
第11章-测量工程施工方案_第3页
3/12
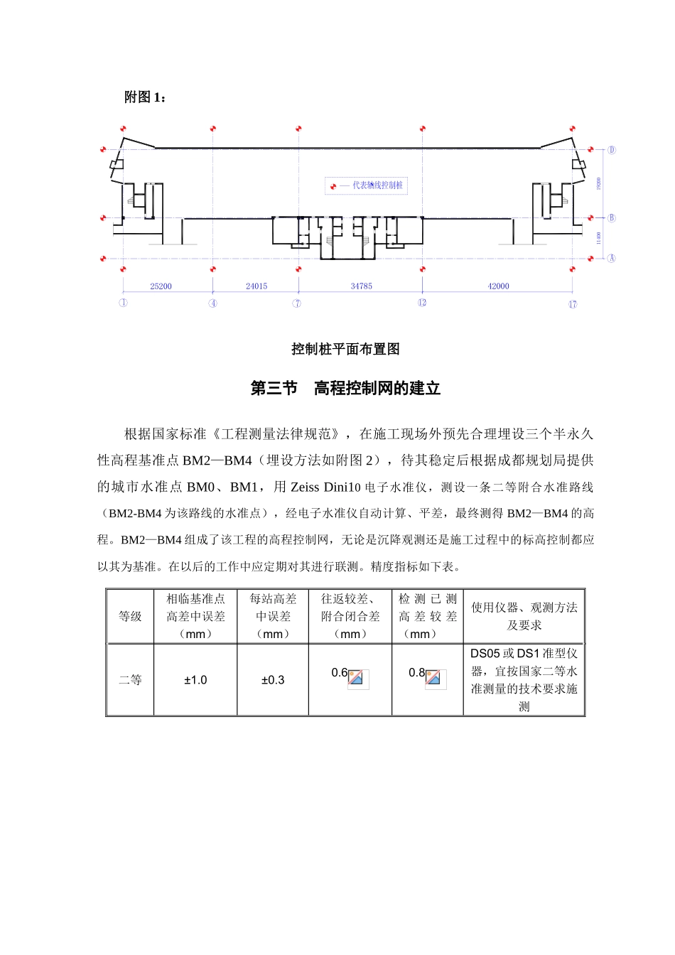
第十一章 测量工程施工方案第一节 人员组织及设备配置一、人员组织为了圆满地完成成都移动通信枢纽楼工程的测量工作,我公司准备组织技术精湛的项目测放部,以满足业主及监理的施工要求,具体名单见下表姓 名项目岗位职称文化程度工作年限任 务刘宏昌测放部经理工程师大学7 年日常测量工作的安排与管理陆静文测量责任师工程师中专10 年测量方案的编制、技术资料的整理黎元富测 量 工技师高中15 年日常测量工作陈文林测 量 工技师高中14 年日常测量工作二、仪器设备仪器配备情况如下表:编号设备名称精度指标数量用 途1Topcon-701 全站仪2mm+2ppm1 台工程定位、曲线放样2Zeiss Dini10 电子水准仪0.01mm1 台高程控制网的建立及沉降观测3J2 经纬仪2″1 台施工放样4S3 水准仪2mm2 台标高的传递与测量550m 钢尺1mm1 把施工放样65m 钢卷尺1mm4 把施工放样7对讲机------4 部通讯联络第二节 平面控制测量一、 测量控制网的建立在成都移动通信枢纽楼工程拟建场区内选择通视条件良好的位置均匀埋设 3 个半永久性导线点(D1-D3),待其稳定后依据成都市规划局提供的距该建筑物最近的城市网点坐标(至少三个点位),布设一条一级附合导线(D1-D3 为该导线上的3 个点)作为该工程的测量控制网。组织专业技术人员运用 Topcon-701 全站仪对该导线网进行往返测,经全站仪自动计算、平差测得 D1-D3 的点位坐标,以此作为该工程建筑物定位以及场区红线定位的依据,并在以后的工作中加以保护。导线网的主要技术指标如下表。二、平面方格网的建立待施工场区三通一平后,首先根据总平面图中红线交点与建筑物轴线的位置关系,计算出建筑物某一轴线的两点 A 和 B 的大地坐标(A、B 两点的距离足够长),然后根据 A、B 及 D1-D3 的大地坐标进行坐标反算,运用 Topcon-701 全站仪进行极坐标放样,现场定出点 A 和点 B。为了便于计算及放样,建立与建筑物纵横轴线相平行的建筑坐标系,最后依据已定轴线 AB 及楼层平面图,运用 Topcon-701 全站仪,采纳极坐标法、方向线法、直角坐标法相结合,依次放样各主控轴线,组成该工程的平面方格网(见附图 1)。平面方格网的精度指标如下表。等级测角中误差(″)边长相对中误差适用范围二级±121/15000框架、高层、连续程度一般的建筑等级导线长度(km)测角中误差(″)边长相对中误差导线全长相对闭合差方位角闭合差(″)一级1/7000±51/400001/20000±10附图 1:192001...

1、当您付费下载文档后,您只拥有了使用权限,并不意味着购买了版权,文档只能用于自身使用,不得用于其他商业用途(如 [转卖]进行直接盈利或[编辑后售卖]进行间接盈利)。
2、本站所有内容均由合作方或网友上传,本站不对文档的完整性、权威性及其观点立场正确性做任何保证或承诺!文档内容仅供研究参考,付费前请自行鉴别。
3、如文档内容存在违规,或者侵犯商业秘密、侵犯著作权等,请点击“违规举报”。

碎片内容

第11章-测量工程施工方案

您可能关注的文档

确认删除?
VIP
微信客服
  • 扫码咨询
会员Q群
  • 会员专属群点击这里加入QQ群
客服邮箱
回到顶部