电脑桌面
添加小米粒文库到电脑桌面
安装后可以在桌面快捷访问

第11章-尾水压力管道系统施工-正稿

第11章-尾水压力管道系统施工-正稿_第1页
1/23
第11章-尾水压力管道系统施工-正稿_第2页
2/23
第11章-尾水压力管道系统施工-正稿_第3页
3/23
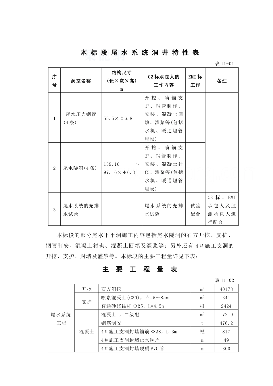
第 11 章 尾水压力管道系统施工11.1 概述及施工要点11.1.1 概述尾水系统采纳一机一洞的布置型式,由尾水压力钢管、尾水下平洞、尾水斜井、尾水上平洞、尾水事故闸门井和下库进/出水口等建筑物组成。尾水系统除部分尾水下平洞采纳钢衬外,其余洞段均采纳钢筋混凝土衬砌,洞径为 6.8m。尾水隧洞内径 6.8m,水平段底高程 EL-70.5m,长约 200~240m,经45°的斜井段上抬后接事故闸门井和下进/出水口,尾水洞总长约 320~350m。该洞段上覆岩体厚约 50~226m。围岩为新奇花岗岩,该洞段范围岩石质量指标 RQD 为 90~95%,属完整岩体。发育的主要断层有F13、F14、F8、f115、f116、f117、f17、f119、f120、f121、f122、f129、f130 等,裂隙多为钙质薄膜或高岭土薄膜充填,部分为石英、方解石细脉充填。F13、F14 与洞轴线夹角 30~40°,f121、f122 与洞轴线夹角 20~30°,其余断层与洞轴线夹角均在 45°以上,因断层带宽度不大,且均为陡倾角,因此,断层带对洞室围岩稳定影响不大。围岩属 II 类。本标与下水库工程标(C3 标)的土建分标界面在尾水隧洞下平洞桩号尾(1#~4#)0+125.00 处。本标段的尾水施工支洞(4#施工支洞)与进厂交通洞相接,4#施工支洞与进厂交通洞标(Q2 标)的分界面在两洞轴线交点处沿各 4#施工支洞轴线向内 50m 处;50m 以外(往进厂交通洞洞口方向)的支洞开挖、支护、排水系统等属于 Q2 标的范围,以内的一切工作属于 C2 标范围。本 标 段 尾 水 系 统 洞 井 特 性 表表 11-01序号洞室名称结构尺寸(长×宽×高)mC2 标承包人的工作内容EMI 标工作备注1尾水压力钢管(4 条)55.5×φ6.8开 挖 、 喷 锚 支护 、 钢 管 制 作 、安 装 、 混 凝 土 回填、灌浆等(包括水 机 、 暖 通 埋 管埋设)2尾水隧洞(4 条)139.16~97.16×φ6.8开 挖 、 喷 锚 支护 、 钢 管 制 作 、安 装 、 混 凝 土 衬砌、灌浆等(包括水 机 、 暖 通 埋 管埋设)3尾水系统的充排水试验尾 水 系 统 的 充 排水试验试验配合C3 标 、 EMI承 包 人 及 监测 承 包 人 进行配合本标段的部分尾水下平洞施工内容包括尾水隧洞的石方开挖、支护、钢管制安、混凝土衬砌、混凝土回填及灌浆等;另外还有 4#施工支洞的开挖、支护、封堵及灌浆等。本标段的主要工程量详见下表:主 要 工 程 量 表 表 11-02尾水系统工程开挖石方洞挖m340178支护喷素混凝土(C3...

1、当您付费下载文档后,您只拥有了使用权限,并不意味着购买了版权,文档只能用于自身使用,不得用于其他商业用途(如 [转卖]进行直接盈利或[编辑后售卖]进行间接盈利)。
2、本站所有内容均由合作方或网友上传,本站不对文档的完整性、权威性及其观点立场正确性做任何保证或承诺!文档内容仅供研究参考,付费前请自行鉴别。
3、如文档内容存在违规,或者侵犯商业秘密、侵犯著作权等,请点击“违规举报”。

碎片内容

第11章-尾水压力管道系统施工-正稿

您可能关注的文档

确认删除?
VIP
微信客服
  • 扫码咨询
会员Q群
  • 会员专属群点击这里加入QQ群
客服邮箱
回到顶部