电脑桌面
添加小米粒文库到电脑桌面
安装后可以在桌面快捷访问

第4章-供应商管理

第4章-供应商管理_第1页
1/18
第4章-供应商管理_第2页
2/18
第4章-供应商管理_第3页
3/18
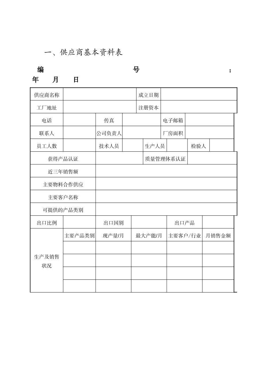
供应商管理表格一、供应商基本资料表编号: 年 月 日 供应商名称成立日期工厂地址注册资本电话传真电子邮箱联系人公司负责人厂房面积员工人数技术人员生产人员检验人获得产品认证质量管理体系认证近三年销售额主要物料合作供应主要客户名称可提供的产品类别出口比例出口国别出口产品生产及销售 状况主要产品类别现产量/月最大产能/月主要客户/行业月销售金额 备注1. 请填写供应商资料表并保证其真实性2. 各项资料如有不实,我方有权取消其备选资格3. 以上资料若有变更,应及时传递新资料更新相关内容4. 请附营业执照、税务登记证及其他重要相关证书供应商签名盖章续表执行度系数判定参考标准0:体系和文件全无,意识全无0.1~0.3:有意识,但未建立和执行0.4~0.5:有意识也有执行,但无文件或不系统,属大幅度提高一类0.6~0.7:有意识、有文件,但执行不严格,记录较零散,属一般水平0.8~0.9:有较完整文件,执行较好,并有跟踪记录,显示已按规程操作,属良好一类1.0:有完整的文件体系,执行很好,并有详细记录,显示能严格按规程操作,属优秀一类推举人/经办人意见品质部意见总(副)经理意见签署日期签署日期签署日期确认: 审核: 填表:(见本书 140~141 页)二、供应商问卷调查表供应商名称: 年 月 日 调查项目调 查 内 容了 解 程 度材料零件确认1. 您对本公司生产部门认定的材料交货依据的规格及样品是否了解□了解 □不了解□请求当面沟通了解2. 您对生产部门的样品确认流程是否了解□了解 □不了解□请求当面沟通了解3. 您对本公司生产部门认可的样品是否有保留以做后续品质管理之用□有保留 □未保留□请求当面沟通了解品质验收管理 1. 您对本公司品质管理部质检验标准与方法是否了解□了解 □不了解□请求当面沟通了解2.3.采购合同1. 贵公司目前的产量是否足以应付本公司需求□可以 □不可以□需设法弥补2.3.请款流程1.您对本公司的付款条件和手续是否了解□了解 □不了解□请求当面沟通了解2.3.续表调查项目调 查 内 容了 解 程 度售后服务1. 您对品质有疑问时,会主动找哪一部门或主管□开发 □采购□总经理2.3.建议事项您对本公司的建议事项:(见本书 142~143 页)三、供应商考核项目及评分标准表考核项目权重总分评 分 标 准价格水平10%10 分偏高 3 分、居中 6 分、居下 9 分服务质量10%10 分配合度、送样速度、纠正措施回复、超额运费质量状况60%60 分...

1、当您付费下载文档后,您只拥有了使用权限,并不意味着购买了版权,文档只能用于自身使用,不得用于其他商业用途(如 [转卖]进行直接盈利或[编辑后售卖]进行间接盈利)。
2、本站所有内容均由合作方或网友上传,本站不对文档的完整性、权威性及其观点立场正确性做任何保证或承诺!文档内容仅供研究参考,付费前请自行鉴别。
3、如文档内容存在违规,或者侵犯商业秘密、侵犯著作权等,请点击“违规举报”。

碎片内容

第4章-供应商管理

领读文化+ 关注
实名认证
内容提供者

传播文化,铸就未来

确认删除?
VIP
微信客服
  • 扫码咨询
会员Q群
  • 会员专属群点击这里加入QQ群
客服邮箱
回到顶部