电脑桌面
添加小米粒文库到电脑桌面
安装后可以在桌面快捷访问

第4章安全与功能分户验收检查

第4章安全与功能分户验收检查_第1页
1/4
第4章安全与功能分户验收检查_第2页
2/4
第4章安全与功能分户验收检查_第3页
3/4
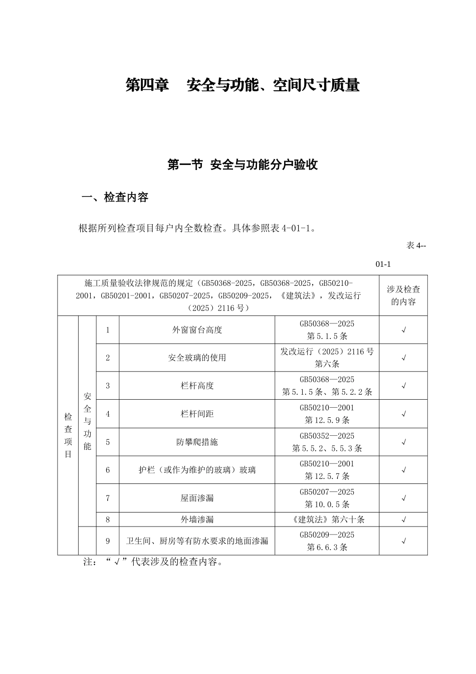
第四章 安全与功能、空间尺寸质量第一节 安全与功能分户验收一、检查内容根据所列检查项目每户内全数检查。具体参照表 4-01-1。 表 4--01-1施工质量验收法律规范的规定(GB50368-2025,GB50368-2025,GB50210-2001,GB50201-2001,GB50207-2025,GB50209-2025,《建筑法》,发改运行(2025)2116 号)涉及检查的内容检查项目安全与功能1外窗窗台高度GB50368—2025第 5.1.5 条√2安全玻璃的使用发改运行(2025)2116 号第六条√3栏杆高度GB50368—2025第 5.1.5 条、第 5.2.2 条√4栏杆间距GB50210—2001第 12.5.9 条√5防攀爬措施GB50352—2025第 5.5.2、5.5.3 条√6护栏(或作为维护的玻璃)玻璃GB50210—2001第 12.5.7 条√7屋面渗漏GB50207—2025第 10.0.5 条√8外墙渗漏《建筑法》第六十条√9卫生间、厨房等有防水要求的地面渗漏GB50209—2025第 6.6.3 条√ 注:“√”代表涉及的检查内容。二、质量标准、检查数量、方法(一) 一般规定1、安全与功能所涉及的有关工程分项应符合施工图、设计说明及其它设计文件的要求并不得违反国家的有关法律规范、标准、强制性条文和文件。 2、安全与功能分户验收应按每户住宅划分为一个检验批。当分户检验批具备验收条件时,可及时验收。 3、每户所涉及的项目应以房间、独立空间为单位,全数检查并记录。 4、当分户检验批的项目质量经检查全部合格,方可判为合格。(二)检查标准、检查方法1、外窗窗台或落地窗防护栏杆高度不低于 900mm 且不得有负偏差。 检查方法:钢尺检查,每个窗台不少于 1 处。 2、安全玻璃的使用:根据国家的有关法律规范标准或国家的有关文件规定必须使用安全玻璃的不得使用非安全玻璃,玻璃上应有安全认证标识,标识不得隐蔽。 检查方式:观察检查认证标识或查看有关的证明文件。 3、栏杆高度:阳台、上人屋面栏杆六层及以下不低于 1.05 米;七层及以上不低于1.10 米;楼梯段护栏扶手顶面高度不的低于 0.9 米,楼梯水平段护栏长度大于 0.5 米时其扶手顶面高度不得低于 1.05 米。 检查方法:钢尺测量,每片不少于一处;每楼梯段不得少于三处,在楼梯段端踏步及中间踏步齿角处进行测量。 4、栏杆间距:临空处栏杆净距不应大于 0.11 米正偏差不大于 3 毫米。 检查方法:钢尺检查,每楼梯段或每段不少于 5 处。 5、防攀爬的措施:有水平杆件的栏杆或花饰栏杆应设防止攀爬的措施(金属密网、安全玻璃等)。 检查方法:观察检查...

1、当您付费下载文档后,您只拥有了使用权限,并不意味着购买了版权,文档只能用于自身使用,不得用于其他商业用途(如 [转卖]进行直接盈利或[编辑后售卖]进行间接盈利)。
2、本站所有内容均由合作方或网友上传,本站不对文档的完整性、权威性及其观点立场正确性做任何保证或承诺!文档内容仅供研究参考,付费前请自行鉴别。
3、如文档内容存在违规,或者侵犯商业秘密、侵犯著作权等,请点击“违规举报”。

碎片内容

第4章安全与功能分户验收检查

确认删除?
VIP
微信客服
  • 扫码咨询
会员Q群
  • 会员专属群点击这里加入QQ群
客服邮箱
回到顶部