电脑桌面
添加小米粒文库到电脑桌面
安装后可以在桌面快捷访问

第三案例+砖基础

第三案例+砖基础_第1页
1/7
第三案例+砖基础_第2页
2/7
第三案例+砖基础_第3页
3/7
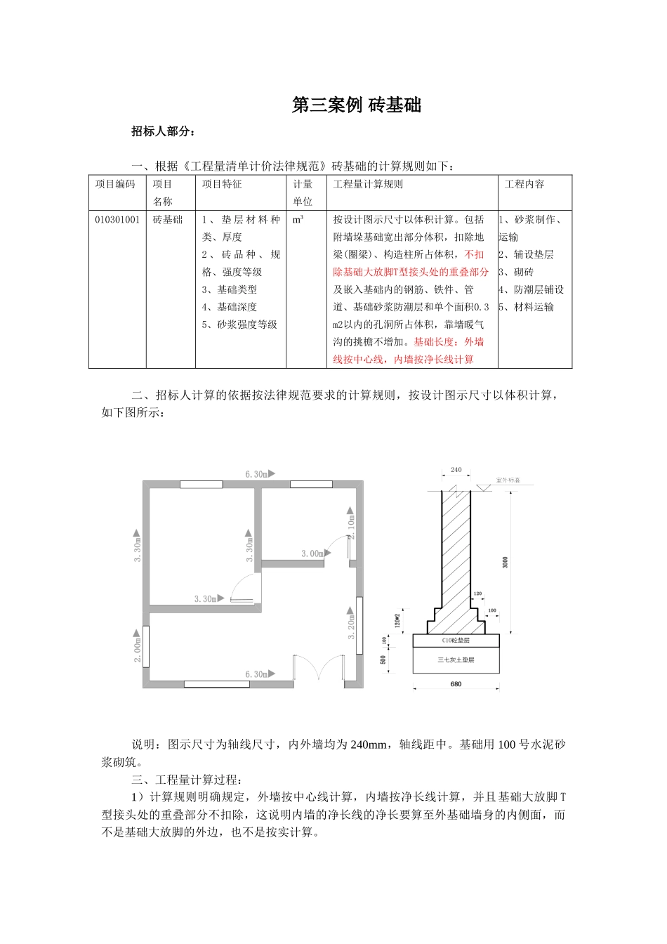
第三案例 砖基础招标人部分:一、根据《工程量清单计价法律规范》砖基础的计算规则如下:项目编码项目名称项目特征计量单位工程量计算规则工程内容010301001砖基础1 、 垫 层 材 料 种类、厚度2 、 砖 品 种 、 规格、强度等级3、基础类型4、基础深度5、砂浆强度等级m3按设计图示尺寸以体积计算。包括附墙垛基础宽出部分体积,扣除地梁(圈梁)、构造柱所占体积,不扣除基础大放脚T型接头处的重叠部分及嵌入基础内的钢筋、铁件、管道、基础砂浆防潮层和单个面积0.3m2以内的孔洞所占体积,靠墙暖气沟的挑檐不增加。基础长度:外墙线按中心线,内墙按净长线计算1、砂浆制作、运输2、辅设垫层3、砌砖4、防潮层铺设5、材料运输二、招标人计算的依据按法律规范要求的计算规则,按设计图示尺寸以体积计算,如下图所示: 说明:图示尺寸为轴线尺寸,内外墙均为 240mm,轴线距中。基础用 100 号水泥砂浆砌筑。三、工程量计算过程:1)计算规则明确规定,外墙按中心线计算,内墙按净长线计算,并且基础大放脚 T型接头处的重叠部分不扣除,这说明内墙的净长线的净长要算至外基础墙身的内侧面,而不是基础大放脚的外边,也不是按实计算。外墙中心线:(6.3+3.3+2)×2=23.2m内墙净长线:3.3+3.3+3-0.12×4=9.12m砖基断面计算:按图示尺寸计算应为 0.24×3+0.06×0.12×6=0.7632 m2,但法律规范在本章的后面有这样一个说明规则:标准砖墙体厚度按下表计算。砖数(厚度)1/41/23/411.522.53计算厚度(mm)53115180240365490615740这说明砖不能按图上标注尺寸计算,而是要按模数计算,这样,大放脚宽不再是60mm , 而 是 (365-240)/2=62.5mm , 大 放 脚 高 不 再 是 120mm , 而 是 53×2+10( 灰 缝 ) ×2=126mm。因此按规则计算断面为:0.24×3+0.0625×0.126×6=0.7673 m2,两者相差(0.7673-0.7632)/0.7632=0.5%,由其是在墙体,365 墙在图上标注为 370,假如不按 365mm 计算,工程量相差在 1%以上,这一点必须要引起大家注意。基础体积为:(23.2+9.12) ×0.7673=24.8 m3。四、特征描述1、 根据工程量清单计价法律规范中说明的主要特征分别说明如下:1)砖的品种、规格及强度等级:就是要说明砖是标准砖还是非标砖,具体规格大小及强度等级要求等。此案例可以描述为:标准 Mu10.0 机制红砖。2)基础类型:由于砖基础适合所有的砖基础,如砖条基、砖独基、砖设备基、砖柱基等。此案例可以描述为:砖条基。3...

1、当您付费下载文档后,您只拥有了使用权限,并不意味着购买了版权,文档只能用于自身使用,不得用于其他商业用途(如 [转卖]进行直接盈利或[编辑后售卖]进行间接盈利)。
2、本站所有内容均由合作方或网友上传,本站不对文档的完整性、权威性及其观点立场正确性做任何保证或承诺!文档内容仅供研究参考,付费前请自行鉴别。
3、如文档内容存在违规,或者侵犯商业秘密、侵犯著作权等,请点击“违规举报”。

碎片内容

第三案例+砖基础

确认删除?
VIP
微信客服
  • 扫码咨询
会员Q群
  • 会员专属群点击这里加入QQ群
客服邮箱
回到顶部