电脑桌面
添加小米粒文库到电脑桌面
安装后可以在桌面快捷访问

第三章主结构及其支撑体系

第三章主结构及其支撑体系_第1页
1/64
第三章主结构及其支撑体系_第2页
2/64
第三章主结构及其支撑体系_第3页
3/64
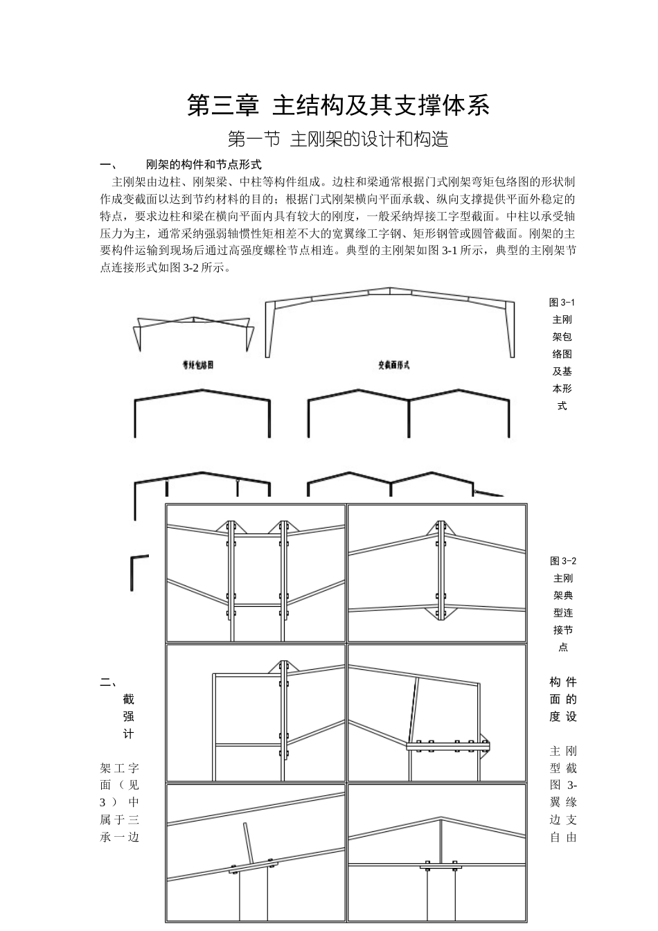
第三章 主结构及其支撑体系第一节 主刚架的设计和构造一、刚架的构件和节点形式 主刚架由边柱、刚架梁、中柱等构件组成。边柱和梁通常根据门式刚架弯矩包络图的形状制作成变截面以达到节约材料的目的;根据门式刚架横向平面承载、纵向支撑提供平面外稳定的特点,要求边柱和梁在横向平面内具有较大的刚度,一般采纳焊接工字型截面。中柱以承受轴压力为主,通常采纳强弱轴惯性矩相差不大的宽翼缘工字钢、矩形钢管或圆管截面。刚架的主要构件运输到现场后通过高强度螺栓节点相连。典型的主刚架如图 3-1 所示,典型的主刚架节点连接形式如图 3-2 所示。图 3-1 主刚架包络图及基本形式图 3-2 主刚架典型连接节点二、构 件截面 的强度 设计主 刚架 工 字型 截面 ( 见图 3-3 ) 中翼 缘属 于 三边 支承 一 边自 由板件,一旦发生屈曲局部失稳,其屈曲后的后继强度不明显;腹板属于四边支承板件,局部失稳后的后继强度提高较多。设计时,一般不允许翼缘发生局部失稳,容许腹板局部失稳并利用其屈曲后强度。图 3-3 翼缘与腹板的典型支承条件根据局部稳定计算的等强原则,当翼缘宽厚比bt ≤15√235f y 时,翼缘不会发生局部失稳。设计时允许腹板局部失稳,但考虑到刚度及制作等要求,腹板高厚比应作一定要求,目前我国现行《钢结构设计法律规范 GBJ17-88》规定hwt ≤250√235f y 。 根据薄壁结构理论,腹板在hwt ≤250√235f y 时会发生屈曲而局部退出工作,因此确定腹板有效面积的抗剪和抗弯承载力成为确定工字型构件截面的强度承载力的关键。1、 腹板抗剪承载力V uV u取决于腹板两侧翼缘及横向加紧肋之间形成的四面支承矩形区域的剪切屈曲应力cr,见图 3-4 所示,cr可以由腹板的剪切屈曲模型得到[20]。构件腹板的主应力场分布见图 3-5,在这个模型中横向加紧肋相当于桁架中的受压腹杆,适当增加横向加劲肋的数量可以改变腹板应力场的分布情况,提高区隔的临界应力cr从而提高腹板的抗剪承载力V u。图 3-4 腹板支承条件及主应力分布图 3-5 腹板剪切 屈 曲 的分析模型我国现行轻钢规程《门式刚架轻型房屋钢结构技术规程 CECS102:98》中利用简化公式把临界应力cr用一个只和横向加劲肋间距 a 有关的换算高厚比w代替,腹板的抗剪承载力V u根据腹板截面积和计算得到,见式(3-1)。V u=Sw×f ( λw) (3-1)上式中,Sw 表示腹板截面积;λw 表示腹板的换算高厚比,λw=Kv×hwtw...

1、当您付费下载文档后,您只拥有了使用权限,并不意味着购买了版权,文档只能用于自身使用,不得用于其他商业用途(如 [转卖]进行直接盈利或[编辑后售卖]进行间接盈利)。
2、本站所有内容均由合作方或网友上传,本站不对文档的完整性、权威性及其观点立场正确性做任何保证或承诺!文档内容仅供研究参考,付费前请自行鉴别。
3、如文档内容存在违规,或者侵犯商业秘密、侵犯著作权等,请点击“违规举报”。

碎片内容

第三章主结构及其支撑体系

您可能关注的文档

确认删除?
VIP
微信客服
  • 扫码咨询
会员Q群
  • 会员专属群点击这里加入QQ群
客服邮箱
回到顶部