电脑桌面
添加小米粒文库到电脑桌面
安装后可以在桌面快捷访问

第三节防雷系统施工方案4

第三节防雷系统施工方案4_第1页
1/4
第三节防雷系统施工方案4_第2页
2/4
第三节防雷系统施工方案4_第3页
3/4
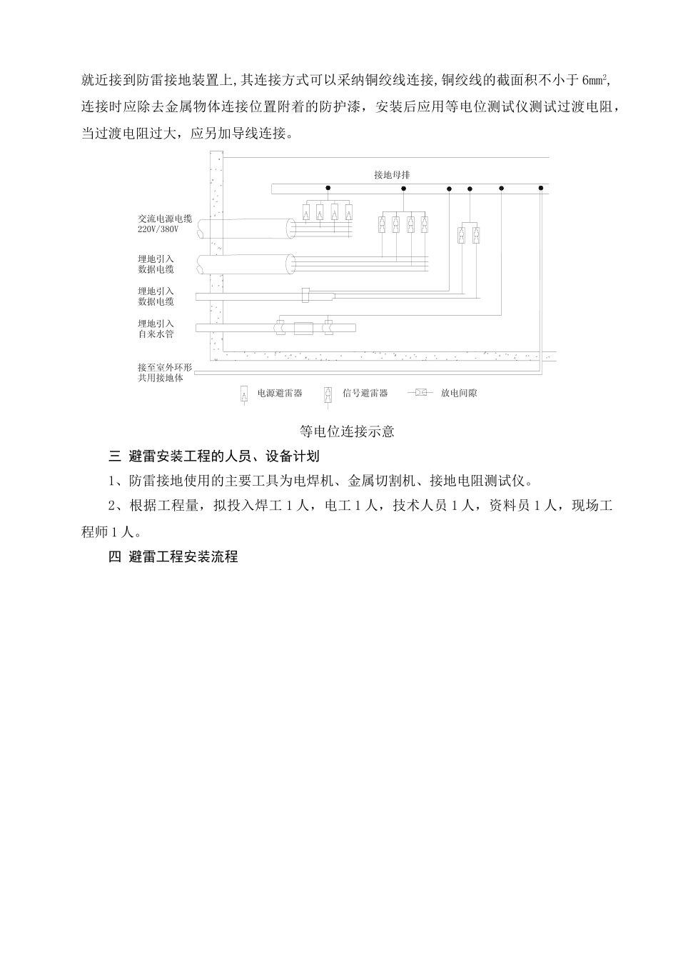
第三节 钢结构防雷系统施工一 防雷系统介绍(1)体育场钢结构工程年估计雷击次数 N=1.6 次/年,按二类防雷设计。与体育场其它接地系统共用接地网,接地电阻要求不大于 1 欧。(2)利用体育场屋顶金属檩条(金属檩条形成的网格不大于 10mx10m)作为避雷接闪器,对体育场建筑本体防雷保护,利用体育场罩棚内钢结构骨架作引下线引至罩棚球铰支座,每一球铰支座与罩棚内钢结构支撑骨架应采纳 50mm2的软铜线跨接两处,软铜线两端压铜线耳,在球铰支座的加劲板和铸钢节点圆管上焊出 50×50×4 不锈钢板并穿孔做连接点,软铜线长约 0.5m。防雷接地做法示意图球铰支座底板预先焊出 Φ12 圆钢长不少于 15cm,圆钢与底板下面双面焊接,焊接长度不小于 10cm,待球铰支座固定后,用 Φ12 圆钢将底板下预留的 Φ12 圆钢与混凝土柱内外侧四根主筋(不小于 Φ16mm,跨越防震橡胶垫)焊接, 焊接长度不小于 15cm,引至基础接地体,利用基础内钢筋网做自然接地体。利用基础钢筋网内的二根主筋将各引下线焊接,形成接地网。混凝土以外的焊点需使用不锈钢焊条,焊口处敲除焊渣后涂防锈漆作防腐处理。(3)五层钢梯须接地,并与罩棚钢骨架可靠连接,连接两处,连接方式为焊接。(4)罩棚顶内圈设提前放电式高压脉冲避雷针,对体育场内场地进行防雷击保护,该避雷针也利用罩棚内钢结构骨架及混凝土柱内主筋作引下线引至基础接地体。(5)高出屋面的金属构件、金属管道等均应与避雷装置相连接。(6)布置于屋顶的避雷针共 4 个,保护半径均为 90m,对主体育场场地进行防雷保护,避雷针下有 1.5m 长不锈钢支撑杆,避雷针支撑杆固定在内节点上,加肋板巩固,利用钢结构梁、柱及混凝土柱内两根主筋(大于 Φ16)作引下线。具体按深总院《防雷接地部分》(电施 E4-01~09)要求执行。(7)所有防雷装置的各种金属构件必须镀锌(浇灌在混凝土内的除外),焊接处应做防腐处理。二 避雷施工的重点1 避雷针定点安装避雷针应保证高于金属棚顶 5m,以防止周围金属物体对避雷针的屏蔽和拦截作用,所以每一点的避雷针长度是不同的,确定好避雷针支撑杆长度编上号码对应安装到钢构内节点,确保安装地点正确。由于避雷针支撑杆长 5m 左右,极易受到风的影响,避雷针设计应能抵抗 0.7kN/m2以上的风压,底部增加肋板加固,确保肋板焊接质量。避雷针立杆示意图2 接地及等电位连接场馆内金属架构的接地及等电位连接是防雷工程的重点,施工中应确保各钢构连接点可靠连接,各连接...

1、当您付费下载文档后,您只拥有了使用权限,并不意味着购买了版权,文档只能用于自身使用,不得用于其他商业用途(如 [转卖]进行直接盈利或[编辑后售卖]进行间接盈利)。
2、本站所有内容均由合作方或网友上传,本站不对文档的完整性、权威性及其观点立场正确性做任何保证或承诺!文档内容仅供研究参考,付费前请自行鉴别。
3、如文档内容存在违规,或者侵犯商业秘密、侵犯著作权等,请点击“违规举报”。

碎片内容

第三节防雷系统施工方案4

确认删除?
VIP
微信客服
  • 扫码咨询
会员Q群
  • 会员专属群点击这里加入QQ群
客服邮箱
回到顶部