电脑桌面
添加小米粒文库到电脑桌面
安装后可以在桌面快捷访问

第五章--重点和难点工程的施工方案、VIP专享

第五章--重点和难点工程的施工方案、_第1页
1/174
第五章--重点和难点工程的施工方案、_第2页
2/174
第五章--重点和难点工程的施工方案、_第3页
3/174
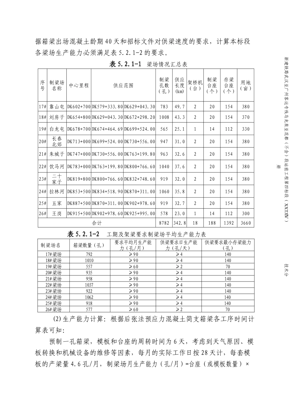
第五章 重点(关键)和难点工程的施工方案、方法及其措施5.1 重点路基工程本标段重点路基工程见“第三章 3.3 节路基、站场工程”。5.2 重点桥梁工程5.2.1 箱梁预制施工方案、施工方法、施工工艺及其措施5.2.1.1 工程概况本项目为新建铁路哈尔滨至大连客运专线第三标段的箱梁预制工程,本标段共预制双线简支箱梁 8782 孔,其中包括 32m 梁 8605 孔,24m 梁 177孔 , 计 划 设 置10个 箱 梁 预 制 场 进 行 集 中 预 制 。17#、19#、20#、21#、22#、23#、24#、25#制梁场在桥跨处配置 2 台 450t轮轨式提梁机用于提升梁,18#、26#制梁场实行路基上运梁的方式;除19# 、 26# 制 梁 场 配 备 架 桥 机 及 运 梁 车 各1套 外 ,17#、18#、20#、21#、22#、23#、24#、25#制梁场配备架桥机及运梁车各2 套,用于运梁及架梁作业;各梁场均配备 900t 轮胎式提梁机 1 台,用于梁场内移梁作业。箱梁截面类型为单箱单室等高度简支箱梁,梁体混凝土强度设计为C50,采纳高性能混凝土。预应力筋采纳高强度低松弛钢绞线,锚固采纳自锚式体系,管道形成采纳波纹管成孔,孔道压浆采纳真空压浆。各梁场情况见“表 5.2.1-1 梁场情况汇总表”。5.2.1.2 箱梁组织供应方案5.2.1.2.1 供梁范围本标段 10 个箱梁预制场,负责供应 DK579+333.8~DK925+995 段内所有预制箱梁。5.2.1.2.2 预制箱梁的施工作业安排(1)根据招标文件工期要求,本标段 10 个箱梁预制场筹备及建设时间为 2007 年 8 月 1 日~2008 年 6 月 5 日,施工工期 6 个月,预制场建设的同时,从 2008 年 4 月 1 日开始进行 1.2 个月左右的试生产,并根据铁道部铁路桥梁生产许可证管理办法进行技术评审和生产许可证检查,在取得生产许可证后,部分制梁场最早于 2008 年 5 月 6 日开始进行正式批量生产。根据箱梁出场混凝土龄期 40 天和招标文件对供梁速度的要求,计算本标段各梁场生产能力必须满足表 5.2.1-2 的要求。表 5.2.1-1 梁场情况汇总表序号制梁场名称中心里程供应范围制梁孔数(孔)供应长度(km)架桥机(台)制梁 台座(个)存梁 台座(个)用地(亩)17# 靠山屯 DK602+700 DK579+333.80 DK629+043.3078349.7 220154380 18# 刘房子 DK654+800 DK629+043.30 DK672+298.20 100843.3 22015437019# 白龙屯 DK678+700 DK674+464.69 DK699+524.0056525.1 11411233020#长春北郊DK713+000 ...

1、当您付费下载文档后,您只拥有了使用权限,并不意味着购买了版权,文档只能用于自身使用,不得用于其他商业用途(如 [转卖]进行直接盈利或[编辑后售卖]进行间接盈利)。
2、本站所有内容均由合作方或网友上传,本站不对文档的完整性、权威性及其观点立场正确性做任何保证或承诺!文档内容仅供研究参考,付费前请自行鉴别。
3、如文档内容存在违规,或者侵犯商业秘密、侵犯著作权等,请点击“违规举报”。

碎片内容

第五章--重点和难点工程的施工方案、

确认删除?
VIP
微信客服
  • 扫码咨询
会员Q群
  • 会员专属群点击这里加入QQ群
客服邮箱
回到顶部