电脑桌面
添加小米粒文库到电脑桌面
安装后可以在桌面快捷访问

第五章-缆机系统兴建

第五章-缆机系统兴建_第1页
1/9
第五章-缆机系统兴建_第2页
2/9
第五章-缆机系统兴建_第3页
3/9
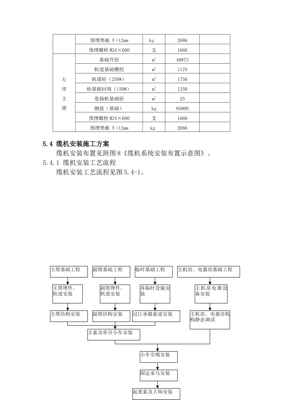
第五章 缆机系统兴建5.1 概述xx 水电站大坝砼垂直运输拟采纳一台 30t 无塔平移式缆机作为主要入仓手段,同时承担以后金结及启闭设备的安装和其它辅助工作,该缆机为德国 PWH 公司生产,其主要性能如下: 额定起重量: 30t 跨距(设计): 1073m 大车运行长度: 165m 重 跨 比: 5.5% 塔架水平力支承方式: 水平轮 起升速度(重载/空载): 105/150 m/min 小车牵引速度: 480 m/min 大车运行速度: 12 m/min 主索直径: Φ95起重索直径: Φ30牵引索直径: Φ32主索张紧方式: 液压式承马型式、间距: 固定式 50m电力拖动方式: F-D励磁方式: 可控硅起升电机功率: 720kw牵引电机功率: 600kw大车运行电机功率: 6×5kw月浇筑强度: 2.8 万 m3全车自重: 280t5.2 缆机系统布置缆机系统布置见附图 6《缆机系统平面布置图》、附图 7《缆机系统下游立视图》。根据大坝坝址两岸的地形特点,在充分保证大坝主体工程施工的前提下,初步计划将缆机呈等高布置在▽400 平台上。主塔布置在右岸,缆机轨道控制点坐标为A(3028114.785,40443502.781)、B(3028102.251,40443601.992)、C(3028486.181,40443655.480)、D(3028498.715,40443556.296),形成一矩形工作区域,主副塔轨道中心距为 388m,缆机大车上、下游运行长度为 100m,在左、右岸▽395 平台布置安装平台,同时在右岸▽395 平台上游端头布置缆机的电器房及主机房,变电站占地约 24m×17m。根据上述布置,缆机在 xx 的工程运用的机械性能做如下改变: 跨 距: 388m主索最大垂直度: 21m非工作区: 40m主副塔运行长度: 100m轨 长: 110m承 马: 8 个主索绞点高程: ▽401m 5.3 主体土建工程缆机主体土建工程主要包括左、右岸▽400 缆机平台开挖缆机轨道基础槽挖及砼浇筑;▽395 安装平台的开挖及安装临时设施的埋件砼等,设计缆机平台开挖边坡坡度为 1:0.2。基础均采纳预裂爆破开挖,坡比 1:0.2 ,每 15m 高设一马道,宽 1.5m。预裂孔间距 0.8~1.0m,爆破孔间排距 2×3m。由于地形原因造成左岸上游端缆机基础宽度不够的部分采纳 150#砼衬垫基础。右岸主塔平台▽400;长 110m,宽 15m。安装平台▽395;长110m,宽 16~25m。左岸副塔平台 400;长 110m,宽 12m。安装平台 395;长度80m,宽 20m。为了不影响以后的缆机运行施工,在距副塔轨道中心26m 的平行线上削坡至 390 高程,坡比为 1:4.0。...

1、当您付费下载文档后,您只拥有了使用权限,并不意味着购买了版权,文档只能用于自身使用,不得用于其他商业用途(如 [转卖]进行直接盈利或[编辑后售卖]进行间接盈利)。
2、本站所有内容均由合作方或网友上传,本站不对文档的完整性、权威性及其观点立场正确性做任何保证或承诺!文档内容仅供研究参考,付费前请自行鉴别。
3、如文档内容存在违规,或者侵犯商业秘密、侵犯著作权等,请点击“违规举报”。

碎片内容

第五章-缆机系统兴建

确认删除?
VIP
微信客服
  • 扫码咨询
会员Q群
  • 会员专属群点击这里加入QQ群
客服邮箱
回到顶部