电脑桌面
添加小米粒文库到电脑桌面
安装后可以在桌面快捷访问

第十四章-质量目标及质量保证体系

第十四章-质量目标及质量保证体系_第1页
1/16
第十四章-质量目标及质量保证体系_第2页
2/16
第十四章-质量目标及质量保证体系_第3页
3/16
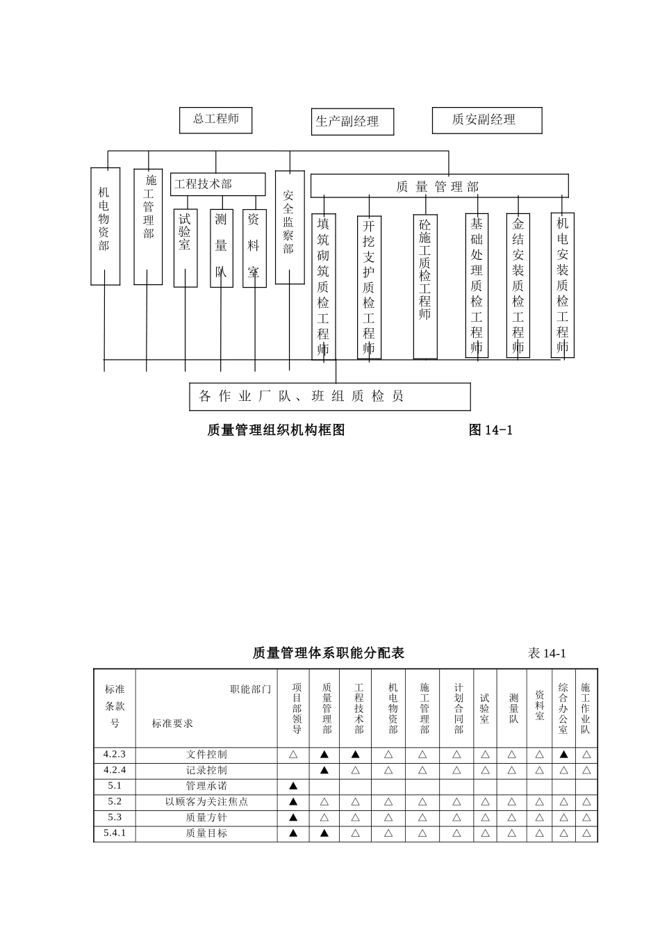
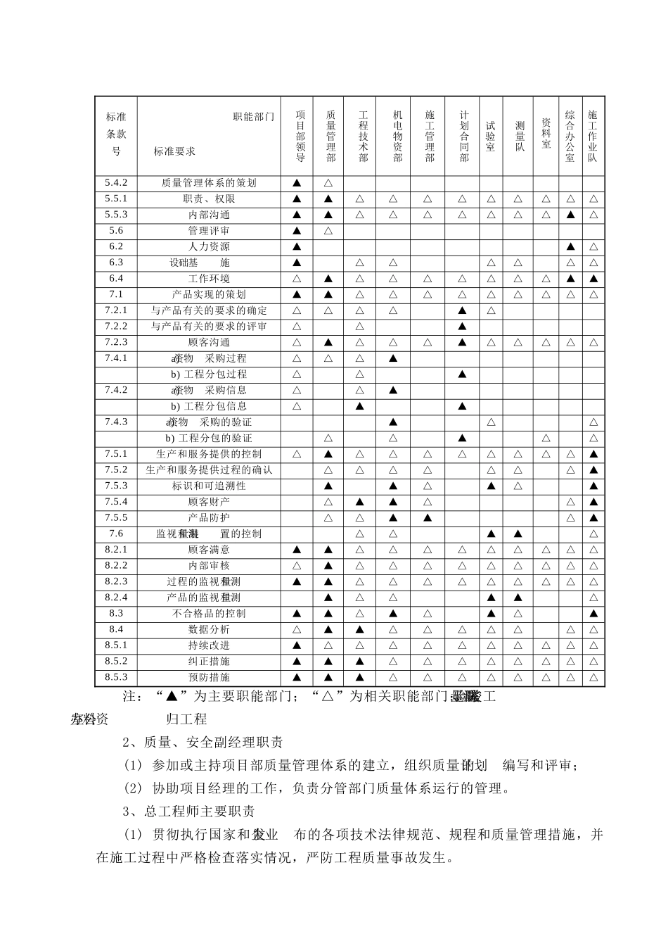
第十四章 质量目标及质量保证体系14.1 质量目标严格遵守本合同《通用技术条款》第 22.1 款的规定,建立系统、完善和严密的质量管理体制,严格履行合同规定的质量检查职责。在本合同工程施工中,始终贯彻我局制定的“一流的质量,顾客的期望,我们的追求”的质量方针。本项目工程质量目标:严格根据 ISO-9001 质量保证体系组织施工,工程合格率 100%。土建分项工程优良率达到 85%以上;金属结构安装优良率达到 92%以上;单位工程优良率达到 85%以上;杜绝质量事故,消除质量隐患。工程竣工验收时,一次性通过,创优质精品工程。14.2 质量保证体系14.2.1 质量管理组织机构根据本工程的施工任务和特点,以我局质量方针为宗旨,以 ISO9001:2000 标准为指南,遵循质量体系文件和合同文件,建立质量保证体系,制定本工程的质量管理办法,明确项目部各级人员质量职责,正确合理地分配质量体系要素,实施全面质量管理。本工程质量管理组织机构见框图 14-1。质量管理体系职能分配见表14-1。14.2.2 质量管理部门主要职责1、项目经理职责项目经理是工程项目质量管理工作的领导者和组织者,对保证工程质量起决定性作用。其主要职责为:(1) 项目经理是施工质量的第一责任人,对工程的施工质量全权负责,对工程质量实施统一领导,对保证施工质量的重大问题进行决策。(2) 对职工进行“百年大计、质量第一、用户至上”的教育,广泛发动职工力创优质工程活动。(3) 正确处理施工质量与施工进度的关系,合理安排施工程序,确保工程质量。(4) 掌握工程项目的质量情况。严格执行质量奖罚制度,按“三不放过”的原则处理质量事故。(5) 每周组织一次工程项目的质量检查,针对主要问题,亲自组织攻关。对重大质量问题负责,并及时上报有关部门,以得到妥善解决。项目经理 质量管理组织机构框图 图 14-1 质量管理体系职能分配表 表 14-1标准条款号职能部门标准要求项目部领导质量管理部工程技术部机电物资部施工管理部计划合同部试验室测量队资料室综合办公室施工作业队4.2.3 文件控制△▲▲△△△△△△▲△4.2.4记录控制▲△△△△△△△△△5.1管理承诺▲5.2以顾客为关注焦点▲△△△△△△△△△△5.3质量方针▲△△△△△△△△△△5.4.1质量目标▲▲△△△△△△△△△质安副经理总工程师生产副经理各 作 业 厂 队 、 班 组 质 检 员质 量 管 理 部基础处理质检工程师开挖支护质检工程师 施工管理部机电物资部工程技术部试...

1、当您付费下载文档后,您只拥有了使用权限,并不意味着购买了版权,文档只能用于自身使用,不得用于其他商业用途(如 [转卖]进行直接盈利或[编辑后售卖]进行间接盈利)。
2、本站所有内容均由合作方或网友上传,本站不对文档的完整性、权威性及其观点立场正确性做任何保证或承诺!文档内容仅供研究参考,付费前请自行鉴别。
3、如文档内容存在违规,或者侵犯商业秘密、侵犯著作权等,请点击“违规举报”。

碎片内容

第十四章-质量目标及质量保证体系

不二商店+ 关注
实名认证
内容提供者

我是你的不二选择

相关文档

确认删除?
VIP
微信客服
  • 扫码咨询
会员Q群
  • 会员专属群点击这里加入QQ群
客服邮箱
回到顶部