电脑桌面
添加小米粒文库到电脑桌面
安装后可以在桌面快捷访问

第四册炉窖砌筑工程

第四册炉窖砌筑工程_第1页
1/7
第四册炉窖砌筑工程_第2页
2/7
第四册炉窖砌筑工程_第3页
3/7
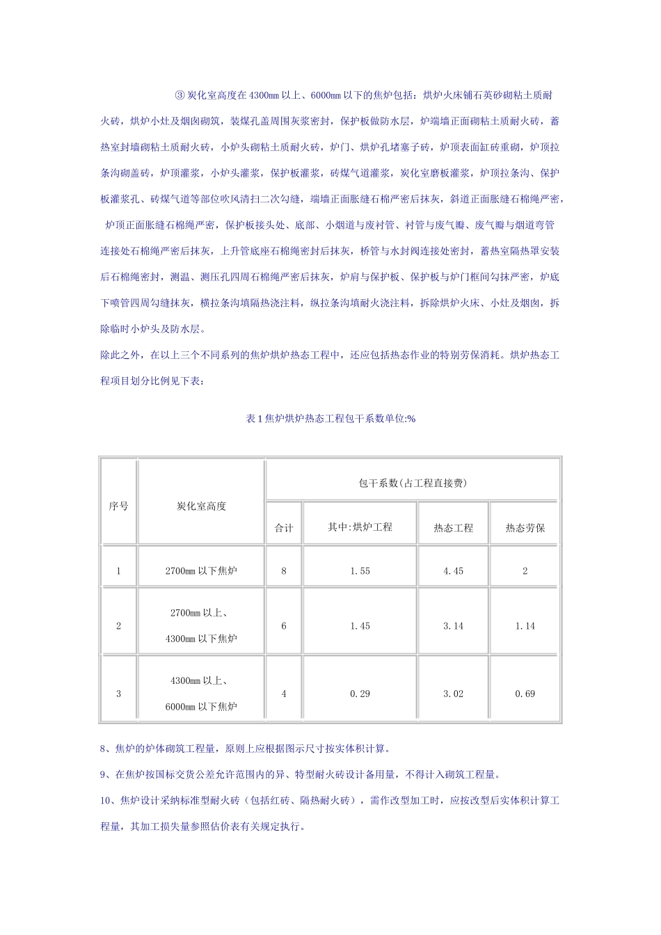
第四册 炉窑砌筑工程(一)说 明1、炉窖砌筑工程量的计算,应按施工阶段的设计图纸(包括修改后的设计文件)上标明的尺寸计算,未标明尺寸的部位可按比例尺测算。2、炉窑砌筑工程量的计算,应按炉窑部位、砖种与施工顺序,根据估价表的要求,依次计算。3、在计算工程量时,不扣除下列情况构成的体积: (1)小于 25mm 的膨胀缝所占的体积; (2)断面积小于 0.02m2 的孔洞; (3)断面积小于 0.06m2 、长度(或深度)不超过 1m 的孔洞; (4)炉门喇叭口的斜坡; (5)墙根交叉处的小斜坡;4、凡由异、特型耐火砖(或制品)拼砌而成的孔洞,或异、特型耐火砖本身所带的孔洞均应扣除其体积。5、本估价表第一章专业炉窑中的 31 个炉种的炉窑砌筑消耗量中,已综合了选砖、预砌筑、砖加工(临时和集中)、吹风清扫(包括吸尘)以及二次勾缝等辅助工序的消耗量。(二)专业炉1、高炉本体的工程量不分部位按砖种计算,炉体各部所需的条子砖,如用定型耐火砖改型加工,其加工损失量按估价表有关规定处理。2、凡设计要求采纳母砖加工成子砖组装成结合砖的高炉与热风炉各部位,其工程量按加工后实体积计算,其加工损失量允许按大样图计算。3、高炉炭捣压下量按 45%计算。4、热风炉一般耐火喷涂回弹率按 45%计算,球顶和联络管按 55%计算。5、高炉内吊盘工程量,按炉内最大直径处计算。6、焦炉钢结构施工大棚的折旧计算规定: (1)钢架支柱、横梁按五次计算; (2)钢屋架、轨道按四次计算; (3)支撑、拉杆按三次计算; (4)檩条、梯子、电力设备按二次计算; (5)屋面瓦、围护墙瓦、照明设备按一次计算; 注:如采纳镀锌瓦铁皮应考虑回收率 25 年。 (6)仓储费按 2.5 年计算。其中使用期 1 年、闲置期 1.5 年; (7)维护保养费按闲置 1.5 年实际发生费用计取。 焦炉烘炉工作大棚使用期间应计取费用=(工作棚摊销费+仓储费+保养费)。7、焦炉烘炉、热态工程计取办法: (1)凡炭化室高度为 2700mm 以下的焦炉,其烘炉、热态工程费用,按焦炉本体砌筑工程直接费的8%计取; (2)凡炭化室高度为 2700mm 以上、4300mm 以下的焦炉,其烘炉、热态工程费用,接焦炉本体砌筑工程直接费的 6%计取; (3)凡炭化室高度为 4300mm 以上的焦炉,其烘炉、热态工程费用,按焦炉本体砌筑工程直接费的4%计取。纳入焦炉、烘炉、热态工程包干系数内的项目明细如下: ① 炭化室高度在 2700mm 以下的焦炉包括:小烘炉砌红砖,小烘炉铺石英砂,小烘...

1、当您付费下载文档后,您只拥有了使用权限,并不意味着购买了版权,文档只能用于自身使用,不得用于其他商业用途(如 [转卖]进行直接盈利或[编辑后售卖]进行间接盈利)。
2、本站所有内容均由合作方或网友上传,本站不对文档的完整性、权威性及其观点立场正确性做任何保证或承诺!文档内容仅供研究参考,付费前请自行鉴别。
3、如文档内容存在违规,或者侵犯商业秘密、侵犯著作权等,请点击“违规举报”。

碎片内容

第四册炉窖砌筑工程

您可能关注的文档

确认删除?
VIP
微信客服
  • 扫码咨询
会员Q群
  • 会员专属群点击这里加入QQ群
客服邮箱
回到顶部