电脑桌面
添加小米粒文库到电脑桌面
安装后可以在桌面快捷访问

紫铜、黄铜管道安装质量管理

紫铜、黄铜管道安装质量管理_第1页
1/18
紫铜、黄铜管道安装质量管理_第2页
2/18
紫铜、黄铜管道安装质量管理_第3页
3/18
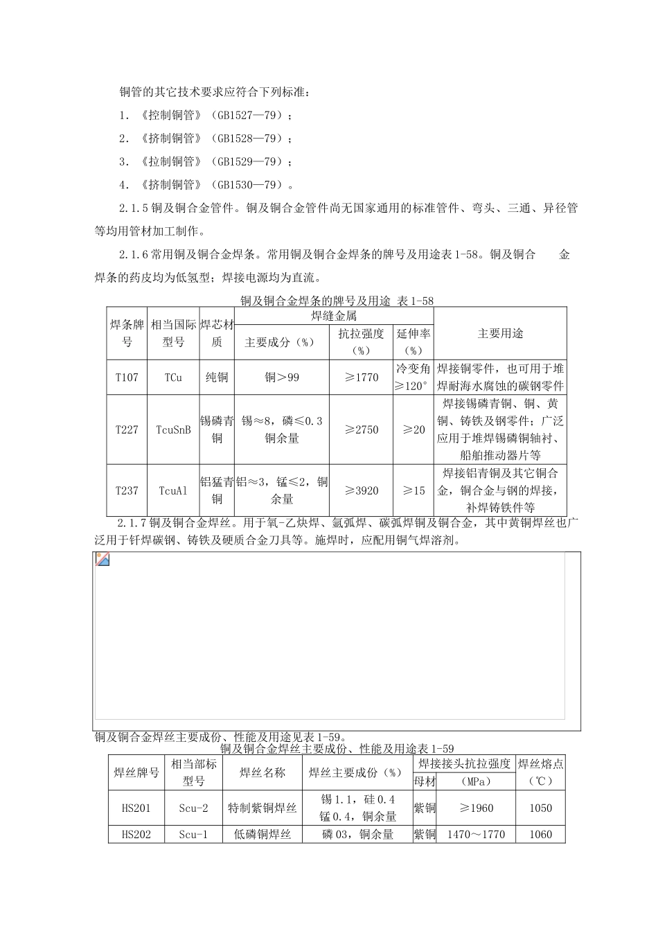
紫铜、黄铜管道安装质量管理依据标准:《建筑工程施工质量验收统一标准》 GB50300-2001《建筑给水排水及采暖工程施工质量验收法律规范》 GB50242-20251、范围本工艺标准适用于工作压力为 4MPa 以下、温度为 250~196℃的紫铜管道和工作压力为22MPa 以下、温度为 120~158℃的黄铜管道的安装工程。2、施工准备2.1 常用材料:2.1.1 管材:常用的有紫铜管(工业纯铜)及黄铜管(铜锌合金)按制造方法的不同分为控制管、轧制管和挤制管,一般中、低压管道采纳拉制管。紫铜管常用材料的牌号为:T2 、 T3 、 T4 、 TUP ( 脱 氧 铜 ) ; 分 为 软 质 和 硬 质 两 种 。 黄 铜 管 常 用 的 材 料 牌 号 为 :H62、H68、H85、HP659-1,分为软质、半硬质和硬质三种。2.1.2 铜合金。为了改善黄铜的性能,在合金中添加锡、锰、铅、锌、磷等元素就成为特别黄铜。添加元素的作用简述如下:2.1.2.1 加锡能提高黄铜的强度,并能显著提高其对海水的耐蚀性能,故锡黄铜又称“海军黄铜”;2.1.2.2 加锰能显著提高合金工艺性能、强度和耐腐蚀性;2.1.2.3 加铅改善了切削加工性能和耐腐蚀能,但塑性稍有降低;2.1.2.4 加锌能够提高合金的机械性能和流动性能;2.1.2.5 加磷能提高合金的韧性、硬度、耐磨性和流动性。2.1.3 铜管的应用。紫铜管与黄铜管大多数用的制造换热设备上;也常用在深冷装置和化工管道上,仪表的测压管线或传送有压液体管线方面也常采纳。当温度大于 250℃时,不宜在压力下使用。挤制铝青铜管用 QAI10-3-1,5 及 QAI10-4-4 牌号的青铜制成,用于机械和航空工业,制造耐磨、耐腐蚀和高强度的管件。锡青铜管系由 QSn4-0.3 等牌号锡青铜制成,适用于制造压力表的弹簧管及耐磨管件。2.1.4 铜管的质量:供安装用的铜管及铜合金管,表面与内壁均应光洁,无疵孔、裂缝、结疤、尾裂或气孔。黄铜管不得有绿锈和严重脱锌。铜及铜合金狞道的外表面缺陷允许度规定如下:纵向划痕深度如表 1-57 所示;偏横向的凹入深度或凸出高度不大于 0.35mm;瘢疤碰伤、起泡及凹坑,其深度不超过 0.03mm,其面积不超过管子表面积的 30%。用作导管时其面积则不超过管子表面积的 0.5%。铜及铜合金管纵向划痕深度规定表 1-57壁厚(mm)纵向划痕深度不大于(mm)壁厚(mm)纵向划痕深度不大于(mm)≤20.04>20.05注:用于作导管的铜及铜合金管道,不论壁厚大小,纵向划痕深度不应大于 0.03mm。铜管的椭圆度和...

1、当您付费下载文档后,您只拥有了使用权限,并不意味着购买了版权,文档只能用于自身使用,不得用于其他商业用途(如 [转卖]进行直接盈利或[编辑后售卖]进行间接盈利)。
2、本站所有内容均由合作方或网友上传,本站不对文档的完整性、权威性及其观点立场正确性做任何保证或承诺!文档内容仅供研究参考,付费前请自行鉴别。
3、如文档内容存在违规,或者侵犯商业秘密、侵犯著作权等,请点击“违规举报”。

碎片内容

紫铜、黄铜管道安装质量管理

您可能关注的文档

确认删除?
VIP
微信客服
  • 扫码咨询
会员Q群
  • 会员专属群点击这里加入QQ群
客服邮箱
回到顶部