电脑桌面
添加小米粒文库到电脑桌面
安装后可以在桌面快捷访问

绕城高速特大桥钻孔灌注桩安全施工方案

绕城高速特大桥钻孔灌注桩安全施工方案_第1页
1/26
绕城高速特大桥钻孔灌注桩安全施工方案_第2页
2/26
绕城高速特大桥钻孔灌注桩安全施工方案_第3页
3/26
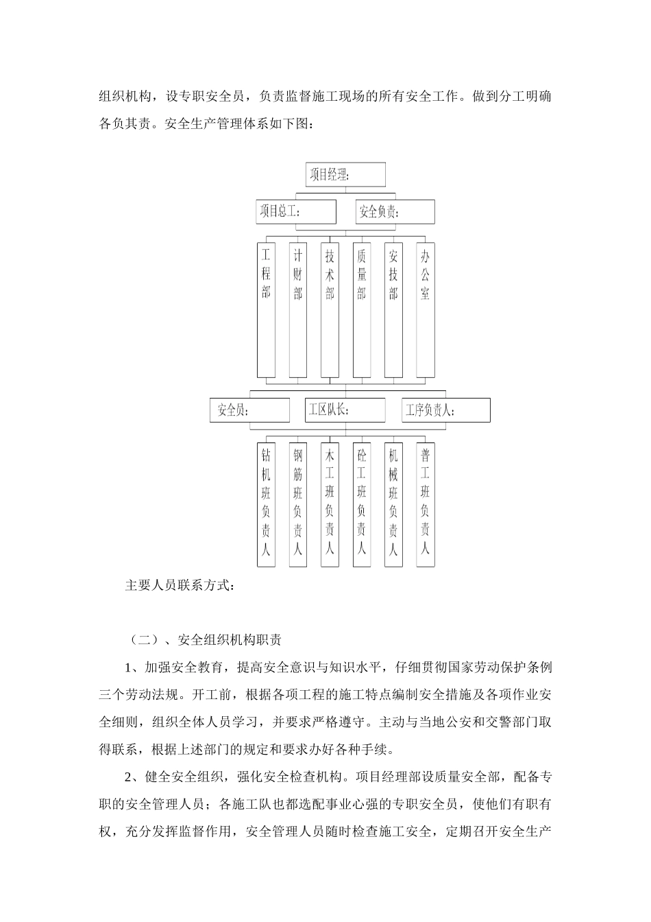
钻孔灌注桩施工《安全专项方案》一、工程概述(一)、工程简介03 省道 xx 绕城高速至临浦段改建工程是 xx 省公路水运交通建设的重要组成部分,是沟通萧山市区与临浦镇的干线公路。该工段为本项目的支线,起点位于峙山西路与 03 省道交叉口,终点与包洪线平交。支线里程桩号为 LK0+000-LK5+077,支线长约 5km。所经主要河流:浦阳江、茅潭河、南河。第四施工段桥梁工程包含茅潭河桥、LK4+088 小桥、南河大桥,共有钻孔灌注桩基础 94 根。(二)、水文地质气象条件1、地形情况根据区域地质资料及钻探成果分析,本施工段地质情况为表层为杂填筑、农耕土,上部土层为粘质粉土、砂质粘土、矿质粉土夹淤泥,厚度为 3~5.2m,下卧为淤泥质粘土、淤泥质粉质粘土,层厚为 5~25m;下部为砂质粘土、含砂质粉质粘土及含砂质粘土,底部为风化基岩;山体表层土层为残破积土粘性土夹碎石,底部为岩石,岩体完整性较好,岩质坚硬。2、水文地质评价拟建道路沿线地表水和地下水对混凝土均无腐蚀性,场区地下水和地表水类 型 为 S042-·HC03-·CL-―Ca2+·Na+ 型 水 。 基 岩 裂 隙 水 水 位 埋 深1.60~13.30m,根据山体海拔高度越高水位埋深越深的特点,变幅一般小于6m,本场地基岩裂隙水水量不大、径流缓慢,一般路基及桥梁位置,基岩裂隙水对工程影响小或无影响。3、气象特征工程区地处 xx 市萧山,属于亚热带季风气候区,四季交替明显,雨量充沛,日照充足。冬季盛行西北风,以晴冷、干燥天气为主、是低温少雨季节,夏季空气湿润,是高温、强光照季节,春季降雨丰富,且降水时间长,秋季天气干燥,冷暖变化大。二、编制依据1、本项目招标文件2、中华人民共和国安全生产法3、已批准的施工组织设计4、建设工程安全生产管理条例5、公路桥涵施工技术法律规范6、中华人民共和国劳动法7、施工现场临时用电安全技术法律规范及已批准的临时用电方案三、编制原则(一)、安全第一的原则在安全方案编制中始终根据技术可靠、措施得力、施工顺序安排合理、确保安全的原则确定施工方案。重点是钻机就位移位、钻孔及砼浇筑、临边、临水防护等重要环节的施工安全。工程开工前做到安全保证措施首先落实到位,在确保万无一失的前提下组织施工。(二)、坚持法律规范、规程原则贯彻执行桥涵施工法律规范、安全施工规程。执行业主对本工程建设的各项要求,实行现代化的管理手段和管理模式,优化各项资源配置,以适应施工组织安排。四、计划开竣工日期桩...

1、当您付费下载文档后,您只拥有了使用权限,并不意味着购买了版权,文档只能用于自身使用,不得用于其他商业用途(如 [转卖]进行直接盈利或[编辑后售卖]进行间接盈利)。
2、本站所有内容均由合作方或网友上传,本站不对文档的完整性、权威性及其观点立场正确性做任何保证或承诺!文档内容仅供研究参考,付费前请自行鉴别。
3、如文档内容存在违规,或者侵犯商业秘密、侵犯著作权等,请点击“违规举报”。

碎片内容

绕城高速特大桥钻孔灌注桩安全施工方案

您可能关注的文档

确认删除?
VIP
微信客服
  • 扫码咨询
会员Q群
  • 会员专属群点击这里加入QQ群
客服邮箱
回到顶部