电脑桌面
添加小米粒文库到电脑桌面
安装后可以在桌面快捷访问

给水试压塑料管

给水试压塑料管_第1页
1/5
给水试压塑料管_第2页
2/5
给水试压塑料管_第3页
3/5
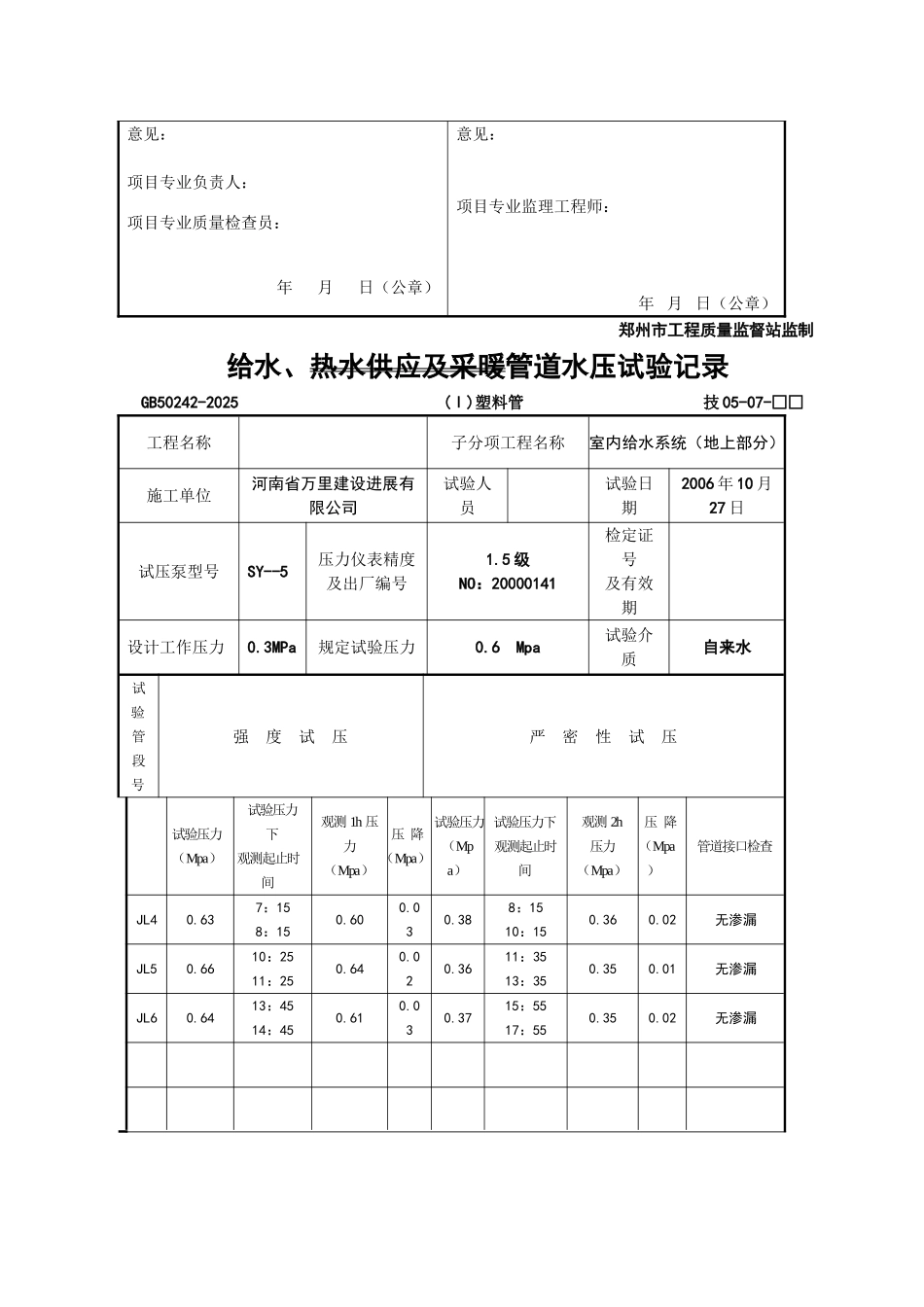
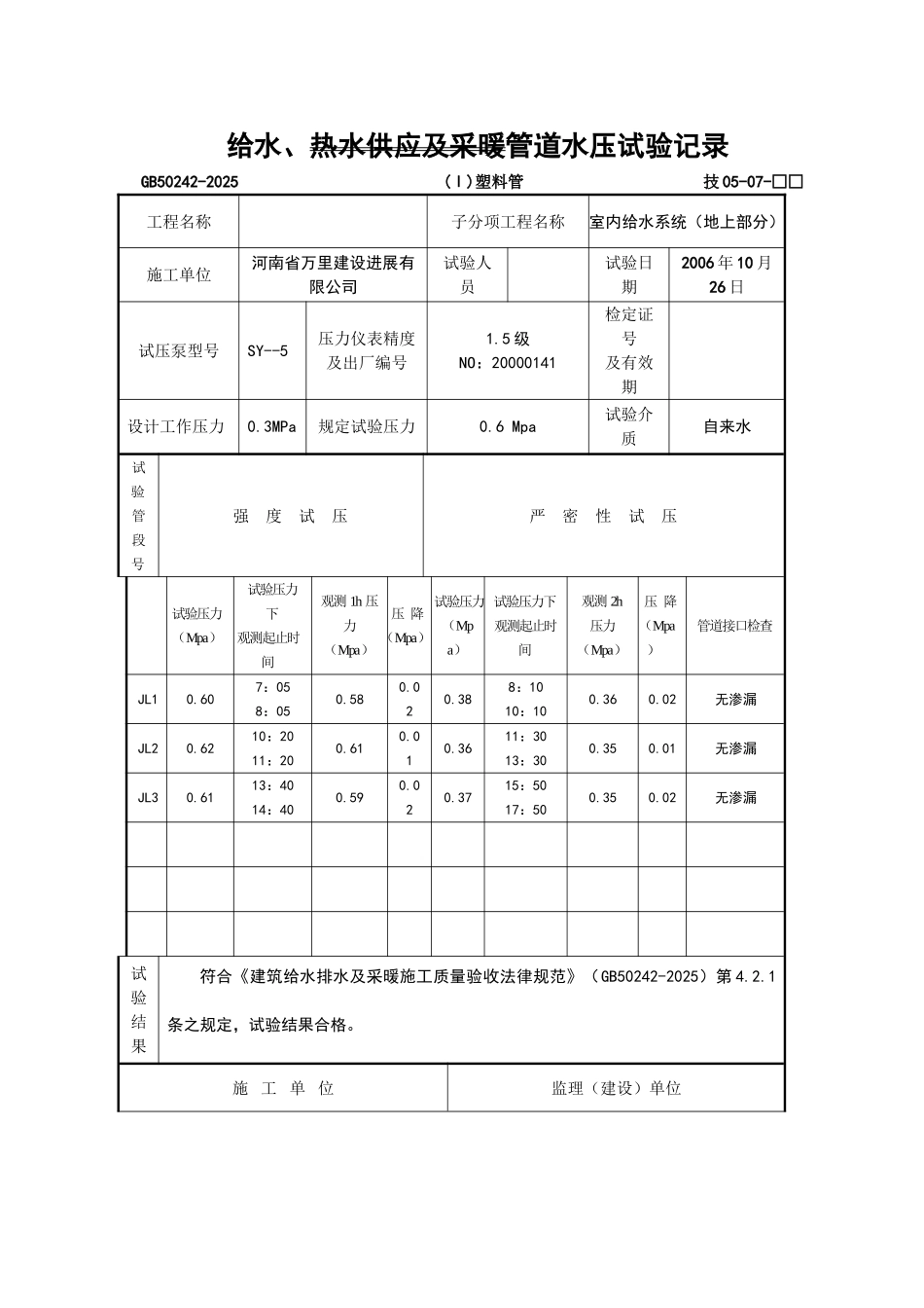
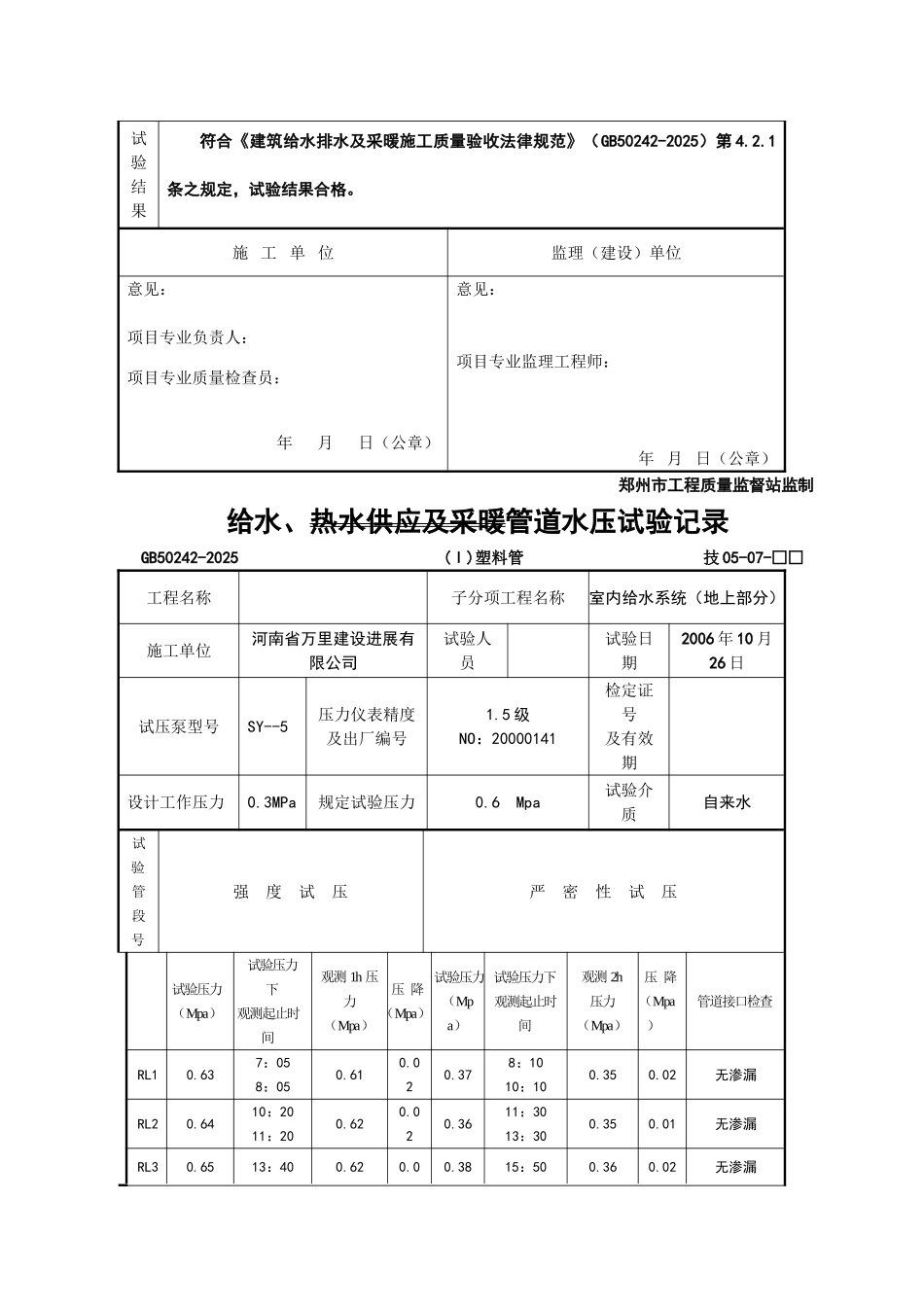
给水、热水供应及采暖管道水压试验记录GB50242-2025 (Ⅰ)塑料管 技 05-07-□□工程名称 子分项工程名称室内给水系统(地上部分)施工单位河南省万里建设进展有限公司试验人员 试验日期2006 年 10 月26 日试压泵型号SY--5压力仪表精度及出厂编号1.5 级NO:20000141检定证号及有效期设计工作压力0.3MPa规定试验压力0.6 Mpa试验介质自来水试验管段号强 度 试 压严 密 性 试 压 试验压力 (Mpa)试验压力下观测起止时间观测 1h 压力(Mpa) 压 降(Mpa)试验压力(Mpa)试验压力下观测起止时间观测 2h压力(Mpa)压 降 (Mpa)管道接口检查JL10.607:058:050.580.020.388:1010:100.360.02无渗漏JL20.6210:2011:200.610.010.3611:3013:300.350.01无渗漏JL30.6113:4014:400.590.020.3715:5017:500.350.02无渗漏试验结果符合《建筑给水排水及采暖施工质量验收法律规范》(GB50242-2025)第 4.2.1条之规定,试验结果合格。施 工 单 位监理(建设)单位意见:项目专业负责人:项目专业质量检查员: 年 月 日(公章)意见:项目专业监理工程师:年 月 日(公章)郑州市工程质量监督站监制给水、热水供应及采暖管道水压试验记录GB50242-2025 (Ⅰ)塑料管 技 05-07-□□工程名称 子分项工程名称室内给水系统(地上部分)施工单位河南省万里建设进展有限公司试验人员 试验日期2006 年 10 月27 日试压泵型号SY--5压力仪表精度及出厂编号1.5 级NO:20000141检定证号及有效期设计工作压力0.3MPa规定试验压力0.6 Mpa试验介质自来水试验管段号强 度 试 压严 密 性 试 压 试验压力 (Mpa)试验压力下观测起止时间观测 1h 压力(Mpa) 压 降(Mpa)试验压力(Mpa)试验压力下观测起止时间观测 2h压力(Mpa)压 降 (Mpa)管道接口检查JL40.637:158:150.600.030.388:1510:150.360.02无渗漏JL50.6610:2511:250.640.020.3611:3513:350.350.01无渗漏JL60.6413:4514:450.610.030.3715:5517:550.350.02无渗漏试验结果符合《建筑给水排水及采暖施工质量验收法律规范》(GB50242-2025)第 4.2.1条之规定,试验结果合格。施 工 单 位监理(建设)单位意见:项目专业负责人:项目专业质量检查员: 年 月 日(公章)意见:项目专业监理工程师:年 月 日(公章)郑州市工程质量监督站监制给水、热水供应及采暖管道水压试验记录GB50242-2025 (Ⅰ)塑料管 技 05-07-□□工程名称 ...

1、当您付费下载文档后,您只拥有了使用权限,并不意味着购买了版权,文档只能用于自身使用,不得用于其他商业用途(如 [转卖]进行直接盈利或[编辑后售卖]进行间接盈利)。
2、本站所有内容均由合作方或网友上传,本站不对文档的完整性、权威性及其观点立场正确性做任何保证或承诺!文档内容仅供研究参考,付费前请自行鉴别。
3、如文档内容存在违规,或者侵犯商业秘密、侵犯著作权等,请点击“违规举报”。

碎片内容

给水试压塑料管

您可能关注的文档

确认删除?
VIP
微信客服
  • 扫码咨询
会员Q群
  • 会员专属群点击这里加入QQ群
客服邮箱
回到顶部