电脑桌面
添加小米粒文库到电脑桌面
安装后可以在桌面快捷访问

综合布线施工与维护技术标准

综合布线施工与维护技术标准_第1页
1/10
综合布线施工与维护技术标准_第2页
2/10
综合布线施工与维护技术标准_第3页
3/10
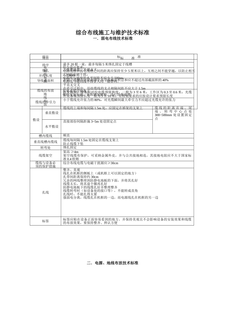
综合布线施工与维护技术标准一.弱电布线技术标准二.电源、地线布放技术标准项目标 准排序最多 20 根一束,最多每隔 5 米绑扎固定于线槽绑扎力度要适度、不能太大开绞长度≤13mm导线截面积在同一线槽内包括绝缘在内导线截面积总和应不超过内部截面积的 40%缆线的布放平直无交叉在牵引过程中,吊挂缆线的支点相隔间距不应大于 1.5m在交接间,设备间对绞电缆预留和度,一般为 3 至 6 米;工作区为 0.3 至 0.6 米;光缆在设备端预留长度一般为 5 至 10 米;有特别要求的应按设计要求预留长度缆线的牵引力小于缆线允许张力的 80%,对光缆瞬间最大牵引力不应超过光缆允许的张力敷设垂直敷设缆线的上端和每间隔 1.5m 处,应固定在桥架的支架上缆 线 的 距 离 首 端 、 尾端 、 转 弯 中 心 点 处300~500mm 处设置固定点水平敷设直接部份间隔距施 3~5m 处设固定点槽内缆线顺直垂直线槽内缆线缆线每间隔 1.5m 处固定在缆线支架上防止线缆下坠转弯处绑扎固定线缆架空架高 ≥4m架空线缆有保护,可采纳金属外皮,并与公共接地相连,其接地电阻应不大于国家标准 0.4 欧姆缆线与设备必须的保护措施综合布线电缆与电磁干扰源应≥30cm扎线整齐、美观线扎在机框的侧板上(或机框上可以固定的地方)扎带间距离保持约 30cm冗余的网线整理到防静电地板的下面,并将其扎好线缆太长,将其盘个圈再扎好防静电地板下的线缆扎好并整理整齐线缆转弯时(如设备处的接口等),不能转成直角扎线时,不能扎得太紧强弱电分离,线缆扎在机框的一边,而电源线扎在机框的另一边标签标签应贴在设备正面容易看到的地方,并保持美观且不会影响设备的安装效果和线缆的布放效果,要保持整齐、辨认方便项目标 准电源线布放符合设计要求;电源线槽和弱电线槽之间的距离应保持至少 5 厘米以上,互相之间不能穿越,以防止相互之间的电磁干扰;电源线与插座的水平间距不应小于 500mm;电源线与通讯线不得穿入同一根管内。地线布放按要求装设铜鼻子螺栓安装牢固,更换锈蚀螺栓,进行防腐处理三.线槽铺设技术标准四.金属管加工敷设技术标准项目标 准线管敷设a. 管的弯曲角度不应小于 90 度,弯曲半径不应小于线管外径的 6 倍,弯曲处不.应有凹陷、裂缝和明显的弯偏;b. 线管应排列整齐、固定牢固,管卡间距应均匀;c. 线管的连接应保证整个系统的电气连续性;d . 当线管的直线段长度超过 30 米或弯曲角度的总和超过 270 度时...

1、当您付费下载文档后,您只拥有了使用权限,并不意味着购买了版权,文档只能用于自身使用,不得用于其他商业用途(如 [转卖]进行直接盈利或[编辑后售卖]进行间接盈利)。
2、本站所有内容均由合作方或网友上传,本站不对文档的完整性、权威性及其观点立场正确性做任何保证或承诺!文档内容仅供研究参考,付费前请自行鉴别。
3、如文档内容存在违规,或者侵犯商业秘密、侵犯著作权等,请点击“违规举报”。

碎片内容

综合布线施工与维护技术标准

确认删除?
VIP
微信客服
  • 扫码咨询
会员Q群
  • 会员专属群点击这里加入QQ群
客服邮箱
回到顶部