电脑桌面
添加小米粒文库到电脑桌面
安装后可以在桌面快捷访问

群体项目建设工程施工总承包招标文件

群体项目建设工程施工总承包招标文件_第1页
1/74
群体项目建设工程施工总承包招标文件_第2页
2/74
群体项目建设工程施工总承包招标文件_第3页
3/74
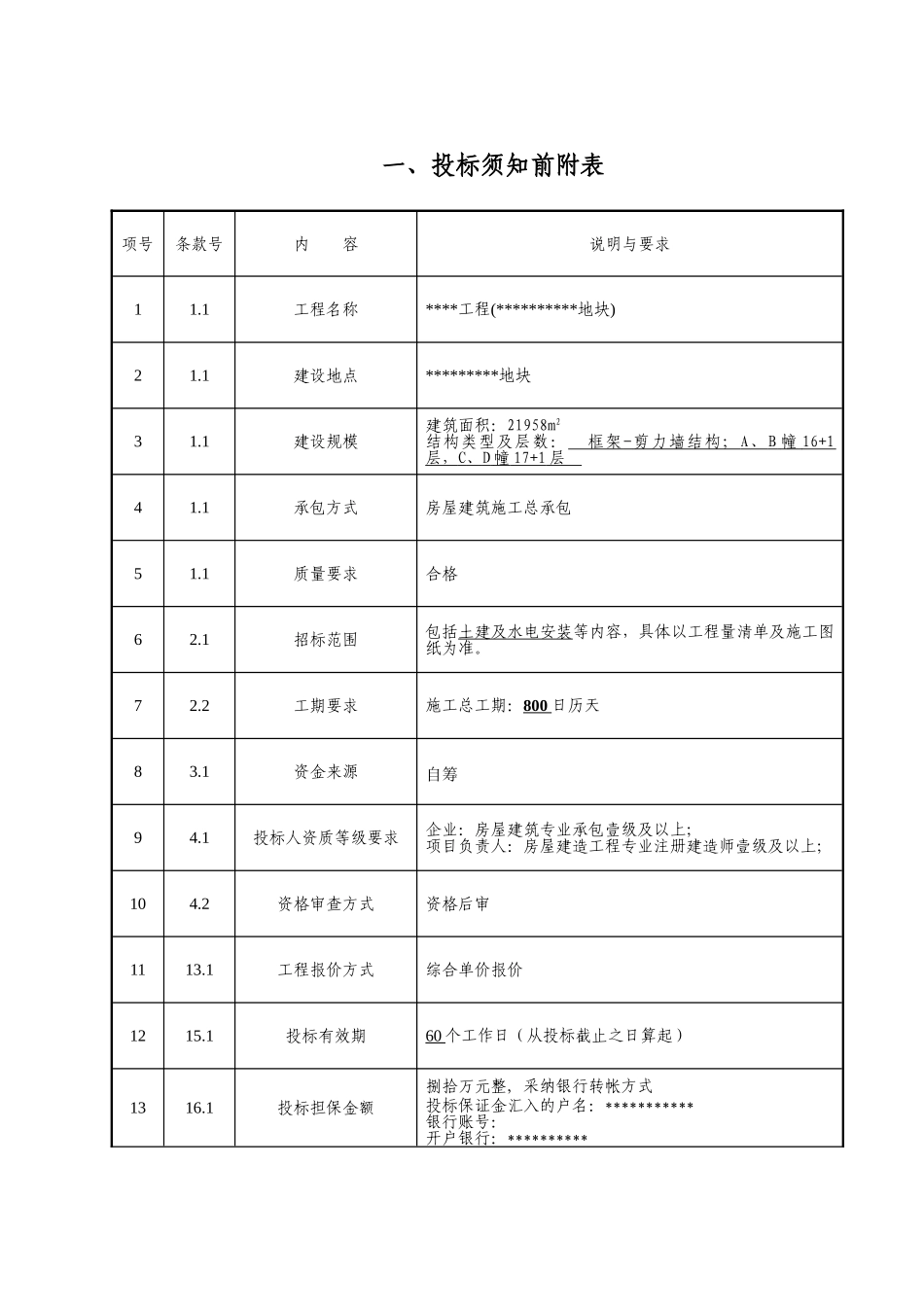
* * * 建 设 工 程 施 工招 标 文 件工程名称:**** 工程 (********** 地块 ) 招 标 单 位:************ 招标代理单位:************ 监督机构:*** 建设工程招投标管理中心 日期: 二○○八 年 五 月目 录目 录................................................................................................................................................0一、投标须知前附表..............................................................................................................2二、投标须知.............................................................................................................................4(一)总则...................................................................................................................................4(二)招标文件........................................................................................................................5(三)投标文件的编制........................................................................................................6(四)投标文件的提交........................................................................................................9(五)开标.................................................................................................................................10(六)评标.................................................................................................................................11(七)合同的授予.................................................................................................................14(八)其他事项......................................................................................................................15三、合同条款...........................................................................................................................16四、合同文件格式(略).................................................................................................25五、工程建设标准..............

1、当您付费下载文档后,您只拥有了使用权限,并不意味着购买了版权,文档只能用于自身使用,不得用于其他商业用途(如 [转卖]进行直接盈利或[编辑后售卖]进行间接盈利)。
2、本站所有内容均由合作方或网友上传,本站不对文档的完整性、权威性及其观点立场正确性做任何保证或承诺!文档内容仅供研究参考,付费前请自行鉴别。
3、如文档内容存在违规,或者侵犯商业秘密、侵犯著作权等,请点击“违规举报”。

碎片内容

群体项目建设工程施工总承包招标文件

您可能关注的文档

确认删除?
VIP
微信客服
  • 扫码咨询
会员Q群
  • 会员专属群点击这里加入QQ群
客服邮箱
回到顶部