电脑桌面
添加小米粒文库到电脑桌面
安装后可以在桌面快捷访问

自动喷水灭火系统设计参数

自动喷水灭火系统设计参数_第1页
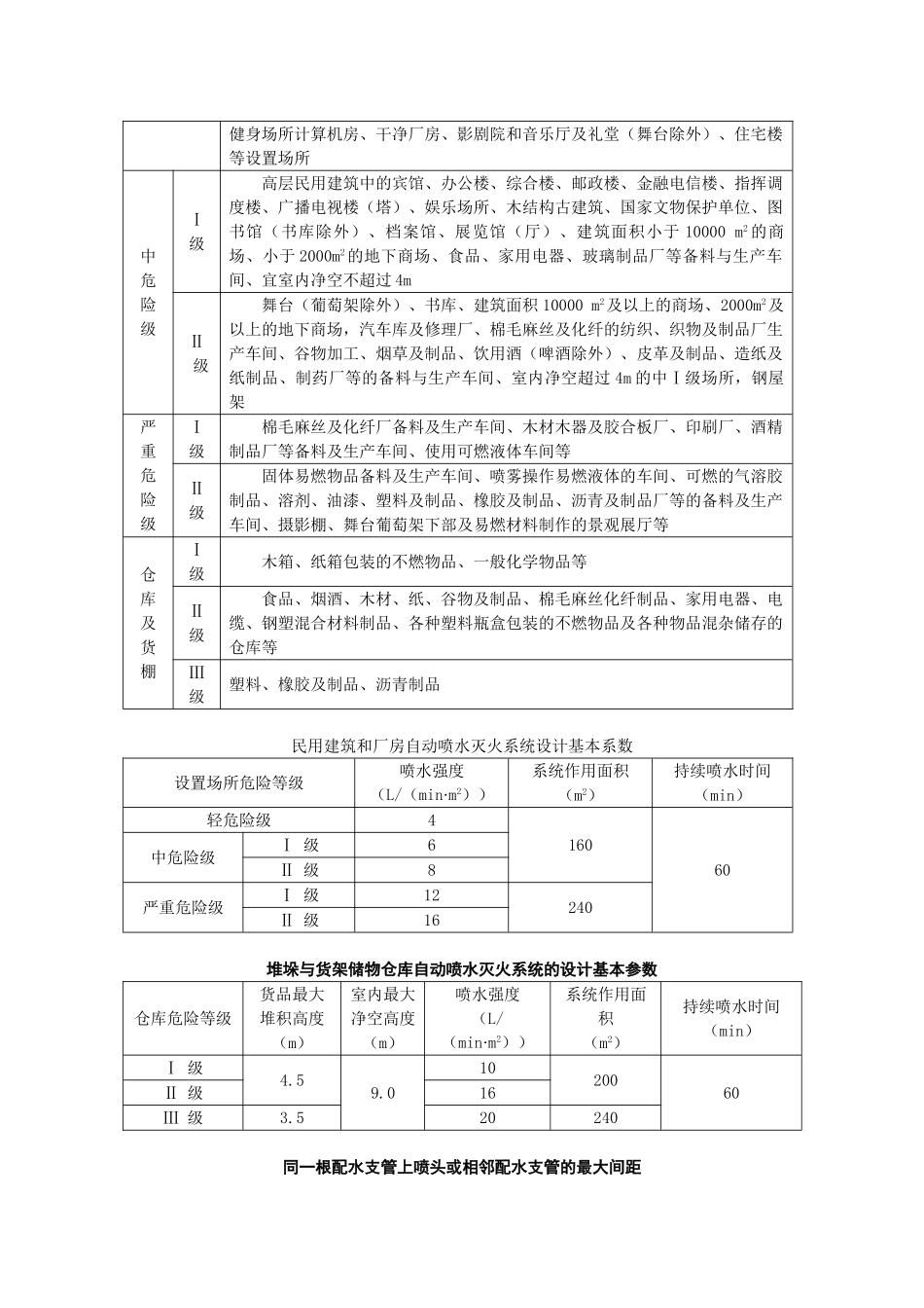
1/4
自动喷水灭火系统设计参数_第2页
2/4
自动喷水灭火系统设计参数_第3页
3/4
设置各类自动喷水灭火系统的原则自喷水灭火系统动类型设 置 原 则设置闭式喷水灭火系统(常用的是湿 式 、 干式 、 预 作用)喷水灭火系统1、≥50000 纱锭的棉织厂的开包、清花车间:等于或大于 5000 锭的麻织厂的分级、梳麻车间;服装、针织高层厂房;面积>1500 m2的木器厂房;火柴厂的烤梗、筛选部位;泡沫塑料厂的预发、成型、切片、压花部位;2、占地面积>1000 m2的棉、麻、丝、毛、化纤、毛皮及其制品库房;占地面积>6000 m2 的香烟、火柴库房;建筑面积>500 m2 的可燃物品仓库;可燃、难燃品的高架仓库和高层库房(冷库除外);省级以上或藏书 >100 万册图书馆的书库;3、>1500 个座位的剧院观众厅、舞台上部(屋顶采纳金属构件时)、化妆室、道具室、贵宾室;>2000 个座位的会堂或礼堂的观众厅、舞台上部、储藏室、贵宾室;>3000 个座位的体育馆、观众厅的吊顶上部、贵宾室、器材间、运动员休息室;4、省级邮政楼的信函和包裹分检闸、邮袋库;5、每层面积>3000 m2或建筑面积>9000 m2的百货楼、展览楼;6、设有空气调节系统的旅馆、综合办公楼的走道、办公室、餐厅、商店、库房和无楼层服务的客房。7、飞机发动机试验台的准备部位;8、国家级文物保护单位的重点砖木或木结构建筑;9、一类高层民用建筑(普通住宅、教学楼、普通旅馆、办公楼以及建筑中不宜用水扑救的部位除外)的主体建筑和主体建筑相邻的附属建筑物的下列部位:舞台、观众厅、展览厅、多功能厅、门厅、电梯厅、舞厅、餐厅、厨房、商场营业厅和保龄球房等公共活动用房;走道(电信楼内走道除外)、办公室和每层无服务台的客房;>25 辆的汽车停车库和可燃品库房;自动扶梯底部和垃圾道顶部;避难层或避难区;10、二类高层民用建筑中的商场营业厅、展览厅、可燃物陈列室;11、建筑高度>100m 的超高层建筑(卫生间、厕所除外);12、高层民用建筑物顶层附设的观众厅、会议厅;13、Ⅰ、Ⅱ、Ⅲ类停车库、多层停车库和底层停车库;14、人防工程的下列部位:使用面积>1000 m2的商场、医院、旅馆、餐厅、展览厅、旱冰场、体育场、舞厅、电子游艺厅、丙类生产车间、丙类和丁类物品库房等;>800 个座位的电影院、礼堂的观众厅,且吊顶下表面至观众席地面>8 米时,舞台面积>200 m2时设置水幕系统1、>1500 个座位的剧院和>2000 个座位的会堂、礼堂的舞台口、以及与舞台相邻的侧台、后台的门窗侧口;2、应设防火墙等防火分隔物而无法设置的开口部位;3、...

1、当您付费下载文档后,您只拥有了使用权限,并不意味着购买了版权,文档只能用于自身使用,不得用于其他商业用途(如 [转卖]进行直接盈利或[编辑后售卖]进行间接盈利)。
2、本站所有内容均由合作方或网友上传,本站不对文档的完整性、权威性及其观点立场正确性做任何保证或承诺!文档内容仅供研究参考,付费前请自行鉴别。
3、如文档内容存在违规,或者侵犯商业秘密、侵犯著作权等,请点击“违规举报”。

碎片内容

自动喷水灭火系统设计参数

MY shop+ 关注
实名认证
内容提供者

欢迎挑选适合自己的材料。

确认删除?
VIP
微信客服
  • 扫码咨询
会员Q群
  • 会员专属群点击这里加入QQ群
客服邮箱
回到顶部