电脑桌面
添加小米粒文库到电脑桌面
安装后可以在桌面快捷访问

药业原料药车间环境影响报告书

药业原料药车间环境影响报告书_第1页
1/19
药业原料药车间环境影响报告书_第2页
2/19
药业原料药车间环境影响报告书_第3页
3/19
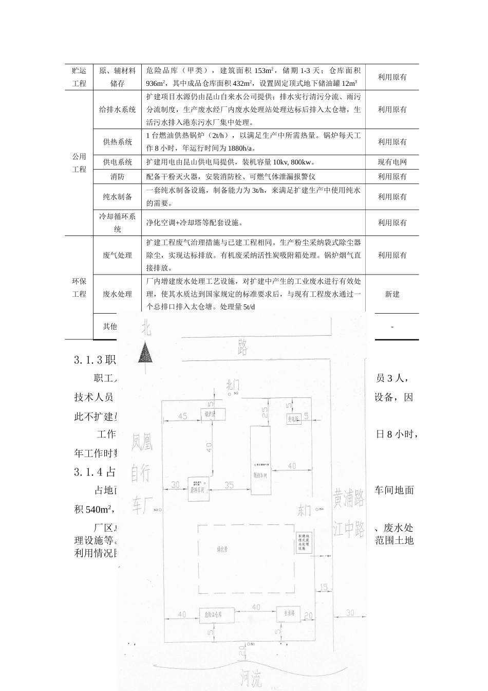
某市某制药有限公司原料药车间扩建项目环境影响报告书(简本)某市某制药有限公司二零一零年一月工程分析3.1 拟建工程项目概况3.1.1 项目名称、基本性质、建设地点及投资总额项目名称:某市某制药有限公司原料药车间扩建项目建设性质:本项目属于扩建工程。建设地点:江苏省某市开发区黄浦江中路 258 号。建设项目具体位置见图2-1-2。投资总额:该项目拟增加投资 100 万元,其中环保投资约为 100 万元人民币,占总投资的比例为 100%。3.1.2 项目的建设内容某市某制药有限公司原料药车间原计划生产西尼必利 1t/a、坎地沙坦0.2t/a、美洛昔康 1.8t/a、多潘立酮马来盐酸 1.5t/a、西沙必利 1.5t/a。由于市场需求变化等因素,原料车间虽根据原计划购置安装了相应数量的生产设备,但实际只生产美洛昔康 400kg/a。随着市场的变化,公司决定在继续生产现有的美洛昔康产品的同时,增加生产公司新研发的市场前景较好的雷米普利、利拉萘酯、西布曲明、西替利嗪、苯扎贝特、奈韦拉平等新产品。新产品对比原产品仅是配方发生变化,生产工艺无较大变动,除了不增加设备,扩建项目主要生产工艺与设备采纳情况与已建工程基本相同。其辅助工程主要为废水处理站、废气处理系统、冷却循环系统、纯水制造等配套设施也保持不变。主体工程与设计能力情况见表 3-1-1,公用及辅助工程的组成见表 3-1-2。表 3-1-1 建设项目的主体工程与设计能力序号工程名称(车间或生产线)产品名称及规格设计能力(t/a)年运行时数扩建前扩建后增量1美洛昔康生产线美洛昔康0.40.4018802雷米普利生产线雷米普利00.20.218803利拉萘酯生产线利拉萘酯00.0750.07518804西布曲明生产线西布曲明00.10.118805西替利嗪生产线西替利嗪00.150.1518806苯扎贝特生产线苯扎贝特00.40.418807奈韦拉平生产线奈韦拉平00.050.051880表 3-1-2 公用及辅助工程建设名称设计能力或工程状况备注贮运工程原、辅材料储存危险品库(甲类),建筑面积 153m2,储期 1-3 天;仓库面积936m2,其中成品仓库面积 432m2,设置固定顶式地下储油罐 12m3利用原有公用工程给排水系统扩建项目水源仍由昆山自来水公司提供;排水实行清污分流、雨污分流制度,生产废水经厂内废水处理站处理达标后排入太仓塘,生活污水排入港东污水厂集中处理。利用原有供热系统1 台燃油供热锅炉(2t/h),以满足生产中所需热量。锅炉每天工作 8 小时,年运行时间为 1880h/a。利用原有供电系统扩建用电由昆山供电局提供...

1、当您付费下载文档后,您只拥有了使用权限,并不意味着购买了版权,文档只能用于自身使用,不得用于其他商业用途(如 [转卖]进行直接盈利或[编辑后售卖]进行间接盈利)。
2、本站所有内容均由合作方或网友上传,本站不对文档的完整性、权威性及其观点立场正确性做任何保证或承诺!文档内容仅供研究参考,付费前请自行鉴别。
3、如文档内容存在违规,或者侵犯商业秘密、侵犯著作权等,请点击“违规举报”。

碎片内容

药业原料药车间环境影响报告书

一帆文传+ 关注
实名认证
内容提供者

欢迎光临店铺,各类公文供您挑选。

确认删除?
VIP
微信客服
  • 扫码咨询
会员Q群
  • 会员专属群点击这里加入QQ群
客服邮箱
回到顶部