电脑桌面
添加小米粒文库到电脑桌面
安装后可以在桌面快捷访问

过铁路顶管工程施工方案

过铁路顶管工程施工方案_第1页
1/7
过铁路顶管工程施工方案_第2页
2/7
过铁路顶管工程施工方案_第3页
3/7
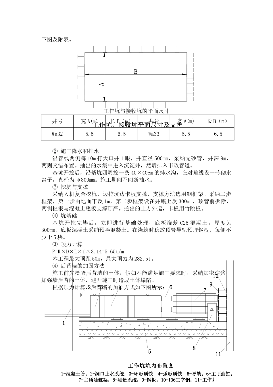
某顶管工程施工方案在 Wa32、Wa33 段,因为穿过××铁路支线,施工时采纳顶管施工工艺。顶管采纳顶进 φ1800mm 的混凝土管,然后在其内安装 φ900mm 的压力管,该段地形如下图所示:1、工艺流程顶管施工工艺流程图详见附图。2、主要施工方法⑴ 准备工作架设动力线路时,与有关单位联系提供借用动力电源挂表计量,根据三相五线制标准合理架设线路,并配制 3 台 120kW 发电机以备线路发生故障时或停电时使用。⑵ 工作坑制作① 打桩Wa32、Wa33 工作坑在两侧面采纳钢板桩支撑,工字钢间距为 800mm;工作坑后背采纳打钢板桩,钢板桩桩中间距为 400mm,桩长为 7m;在龙门口打钢板桩,钢板桩桩中间距为 800mm,桩长为 7m。打桩机采纳 0.6t 柴油打桩机。打桩前先挖桩沟,摸清地下其他设施,桩沟深 500mm。工作坑、接收坑平面尺寸及支护见压Wa32压Wa33××铁路支路地面高程4.000m地面高程3.600m沟底高程0.418m沟底高程0.388mWa32~Wa33段地形图管道压Wa32压Wa33××铁路支路地面高程4.000m地面高程3.600m沟底高程0.418m沟底高程0.388mWa32~Wa33段地形图管道顶管施工工艺流程工程开始测量放样放样复核基坑构筑工作坑设备安装地面设备安装出洞准备注浆材料准备挖土、运土推动测量卸管、接口安装进洞注浆取工具管全线测量收坑工程结束下图及附表。工作坑与接收坑的平面尺寸井号宽 A(m)长 B(m)井号宽 A(m)长 B(m)Wa325.56.5Wa335.56.5② 施工降水和排水沿管线两侧每 10m 打大口井 1 眼,井直径 500mm,采纳无砂管,井深 9m,两则交错布置。抽出的水集中进入沉淀井,然后排入市政管道。基坑开挖后,沿基坑四周挖一条 40×40cm 的排水沟,在对角线设一砖砌水窝子,直径为 φ800mm。施工期间不间断抽水。③ 挖坑与支撑采纳人机复合挖坑,边挖坑边卡板支撑,支撑方法选用钢框架。采纳二步框架,第一步由地面下反 1m,第二步框架设在井底上反 300mm,顶管前拆除,两侧桩根与混凝土底板支撑顶严。挖出的土方外运,卡板用竹跳板。④ 坑基础基坑开挖完毕后,立即进行基础处理,底板浇筑 C25 混凝土,厚度为300mm。底板混凝土采纳预拌混凝土。在浇筑时稳放顶管导轨预埋钢板,每侧不少于 5 块。⑶ 顶力计算P=K×D×L×f×3.14=5.65t/m本工程最大顶距 50m,最大顶力为 282.5t。⑷ 后背墙的加固方法施工前先检验后背墙的土体,假如不能满足施工要求时,采纳加密注浆,加强墙后背的土体,避开施工时造成土体塌陷。根据...

1、当您付费下载文档后,您只拥有了使用权限,并不意味着购买了版权,文档只能用于自身使用,不得用于其他商业用途(如 [转卖]进行直接盈利或[编辑后售卖]进行间接盈利)。
2、本站所有内容均由合作方或网友上传,本站不对文档的完整性、权威性及其观点立场正确性做任何保证或承诺!文档内容仅供研究参考,付费前请自行鉴别。
3、如文档内容存在违规,或者侵犯商业秘密、侵犯著作权等,请点击“违规举报”。

碎片内容

过铁路顶管工程施工方案

确认删除?
VIP
微信客服
  • 扫码咨询
会员Q群
  • 会员专属群点击这里加入QQ群
客服邮箱
回到顶部