电脑桌面
添加小米粒文库到电脑桌面
安装后可以在桌面快捷访问

配电柜安装工艺

配电柜安装工艺_第1页
1/8
配电柜安装工艺_第2页
2/8
配电柜安装工艺_第3页
3/8
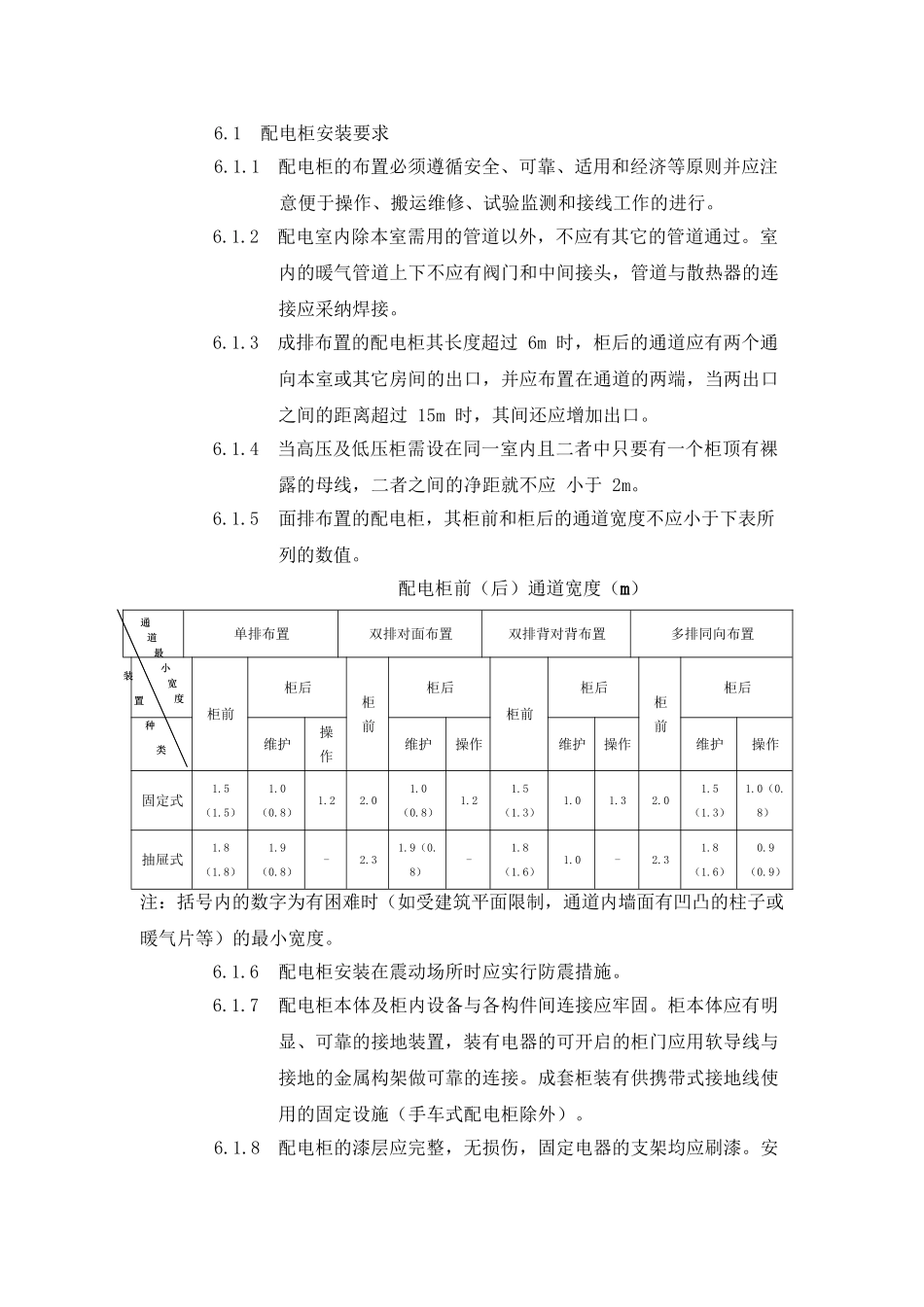
配电柜安装工艺1 适用范围本标准适用于建筑电气配电柜安装工程。2 引用标准GB50303《建筑电气工程施工质量验收法律规范》3 材料要求3.1 成套定型配电柜应根据设计要求的型号、规格选用合格产品。并有产品合格证。3.2 槽钢、镀锌扁钢,不得有严重锈蚀和缺陷,且镀锌层不应脱落。3.3 镀锌材料有机螺丝、垫圈、弹筑垫圈;非镀锌材料有地脚螺栓、钢垫片。3.4 母线应根据设计要求截面进行选择,应使用合格产品。3.5 其它材料有压线端子、塑料管、小线、塑料带、黑胶布、防锈漆、电焊条、电石、氧气、砂布、水泥、砂子、焊锡、焊剂。4 主要机具4.1 铅笔、卷尺、水平尺、线坠、点冲子、灰桶、水桶、油桶、刷子。4.2 手锤、錾子、大锤、钢锯、锯条、扁锉、圆锉、活扳子、套筒扳子。4.3 电烙铁、电炉、锡锅、锡勺、绝缘手套、台钳、案子、压接钳等。4.4 手电钻、钻头、撬棍、电焊机、气焊工具、万能表、兆欧表、工具袋、工具箱、高凳等。5 作业条件5.1 埋设基础槽钢或地脚螺栓时,须有地面的基准线。5.2 预埋件及预留孔洞符合设计要求,预埋件应牢固。5.3 必须在基础台、沟槽及地面抹灰完,顶棚、墙面喷完浆,门窗安装应向外开门并符合防火要求后才允许进行配电柜的安装。5.4 配电室内的暖卫管线不得采纳丝接和设置节门,连接处应采纳焊接且不得有渗漏现象。6 操作工艺工艺流程:配 电柜 安装 要求检查配电柜槽钢基础做法配电柜安装调试运行槽钢基础做法混凝土基础做法6.1 配电柜安装要求6.1.1配电柜的布置必须遵循安全、可靠、适用和经济等原则并应注意便于操作、搬运维修、试验监测和接线工作的进行。6.1.2 配电室内除本室需用的管道以外,不应有其它的管道通过。室内的暖气管道上下不应有阀门和中间接头,管道与散热器的连接应采纳焊接。6.1.3 成排布置的配电柜其长度超过 6m 时,柜后的通道应有两个通向本室或其它房间的出口,并应布置在通道的两端,当两出口之间的距离超过 15m 时,其间还应增加出口。6.1.4 当高压及低压柜需设在同一室内且二者中只要有一个柜顶有裸露的母线,二者之间的净距就不应 小于 2m。6.1.5面排布置的配电柜,其柜前和柜后的通道宽度不应小于下表所列的数值。配电柜前(后)通道宽度(m)单排布置双排对面布置双排背对背布置多排同向布置柜前柜后柜前柜后柜前柜后柜前柜后维护操作维护操作维护操作维护操作固定式1.5 (1.5)1.0 (0.8)1.22.01.0 (0.8)1.21.5 (1.3)1.01.32.01.5 (1....

1、当您付费下载文档后,您只拥有了使用权限,并不意味着购买了版权,文档只能用于自身使用,不得用于其他商业用途(如 [转卖]进行直接盈利或[编辑后售卖]进行间接盈利)。
2、本站所有内容均由合作方或网友上传,本站不对文档的完整性、权威性及其观点立场正确性做任何保证或承诺!文档内容仅供研究参考,付费前请自行鉴别。
3、如文档内容存在违规,或者侵犯商业秘密、侵犯著作权等,请点击“违规举报”。

碎片内容

配电柜安装工艺

您可能关注的文档

确认删除?
VIP
微信客服
  • 扫码咨询
会员Q群
  • 会员专属群点击这里加入QQ群
客服邮箱
回到顶部