电脑桌面
添加小米粒文库到电脑桌面
安装后可以在桌面快捷访问

配电箱预算价格编制方法

配电箱预算价格编制方法_第1页
1/5
配电箱预算价格编制方法_第2页
2/5
配电箱预算价格编制方法_第3页
3/5
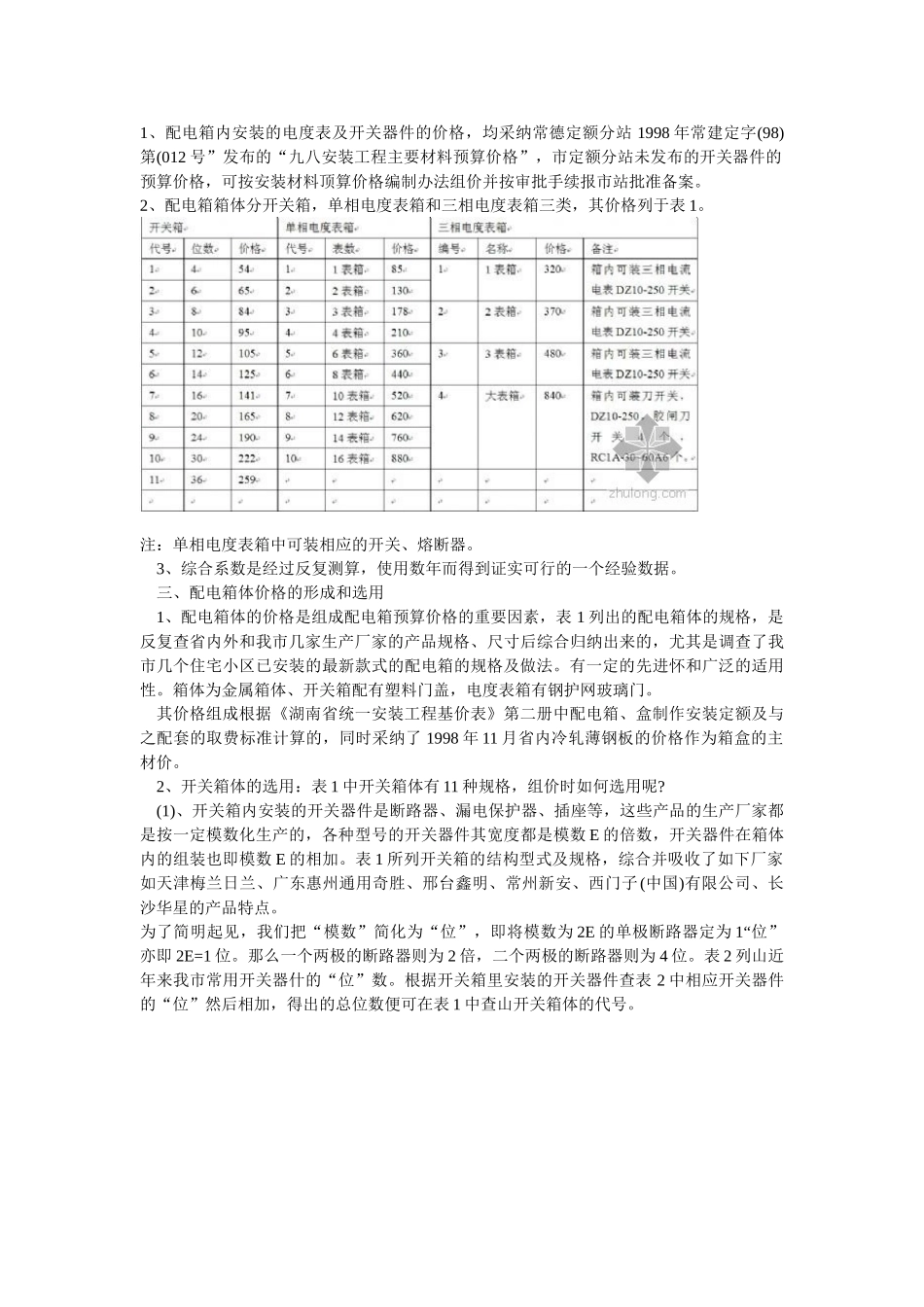
配电箱预算价格编制方法配电箱预算价格计算公式还可以表示为:A=∑BK+C+D式中:A-为配电箱的预算价格∑B-为箱内各开关器件价格之和C-为钢制配电箱体价格D-为箱内辅助材料费K-综合系数(配套费),K 值取定(部标取 1.36、国标取 1.40)介绍一下我们是怎样做配电箱预算的: 1。根据配电箱的要求把所需要的断路器、箱体、端子板等元件分别列在表上,价格根据市场价列上,根据各自的数量计算出价格。 2。接下来就是列出取费的项目,我们的取费项目是 材料费(上面计算的元件价格的总和); 工时费百分之 15;购销费百分之 7;管理费百分之 5;燃料动力费百分之 7;利润百分之15;税金百分之 17。这些取费的基础是材料费。最后把这些费用加和起来就是配电箱的报价,不但配电箱这样报价,就是高压柜、低压柜、箱变都是这样报价的。在编制电气安装工程施工图预算时,工程中使用配电箱的品种繁多,规格各异,尤其足高层建筑中更甚。配电箱的预算价格往往是预算编制人员十分棘手的问题。在实际工作中,采纳的解决办法有两个,一是将电气安装工程的配电系统图拿到厂家去,由厂家按图报价二是由预算编制者估价。一般来说,前者得到的价格是较为准确的,但往往由于市场方面的原因或因时间紧迫,猎取厂家的报价也不容易。而后者,由于配电箱内的电气开关器件规格多、产地厂家各异,特别是招投标工程,底标和投标报价编制预算人的经验、水平的差异,往往估出的价格差别较大。 为此,笔者根据多年工作的体会,以及对省内外和我市生产厂家产品价的调查,综合分析,依据建筑产品价格的编制办法,摸索出了一种配电箱预算价格的编制办法,向同行们推举,亦希望起到抛砖引玉的效果,使之更加合符实际。 配电箱价格的形成也和其他产品价格的形成一样,它是由材料费、人工费、管理费和利润等几大项组成。这里将配电箱的预算价格分解成二大项即主材费和综合系数。下面分别进行介绍: 一、配电箱包括的范围 这里讲的配电箱是指照明开关箱、小型动力配电箱和电表箱。 二、配电箱预算价格的计算公式 配电箱的预算价格是由主材费和综合系数组成。其中主材费是指箱内安装的开关器件和箱体的价值。开关器件包括断路器(又叫空气开关、自动开关)、漏电断路器(又叫漏电开关)、熔断器、插座、电度表等主要电器。综合系数则包括了辅材费(连接导线、接线端子等)、人工费、管理费和利润在内的各项费用测算得到的系数。据此列出下面的计算公式: A=(∑B+C)×K 式中...

1、当您付费下载文档后,您只拥有了使用权限,并不意味着购买了版权,文档只能用于自身使用,不得用于其他商业用途(如 [转卖]进行直接盈利或[编辑后售卖]进行间接盈利)。
2、本站所有内容均由合作方或网友上传,本站不对文档的完整性、权威性及其观点立场正确性做任何保证或承诺!文档内容仅供研究参考,付费前请自行鉴别。
3、如文档内容存在违规,或者侵犯商业秘密、侵犯著作权等,请点击“违规举报”。

碎片内容

配电箱预算价格编制方法

您可能关注的文档

确认删除?
VIP
微信客服
  • 扫码咨询
会员Q群
  • 会员专属群点击这里加入QQ群
客服邮箱
回到顶部