电脑桌面
添加小米粒文库到电脑桌面
安装后可以在桌面快捷访问

钢筋专项施工方案1

钢筋专项施工方案1_第1页
1/8
钢筋专项施工方案1_第2页
2/8
钢筋专项施工方案1_第3页
3/8
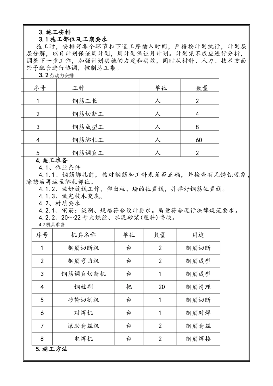
府东公馆 1# 、 2# 、办公楼工程 钢筋专项施工方案 审批: 审核: 编制: 山西四建集团第十一分公司府东公馆项目部 二 0 一二年三月三十日府东公馆 1# 、 2# 、办公楼工程 钢筋专项施工方案1、编制依据1.1 府东公馆 1#、2#、办公楼施工图纸1.2 建筑安装工程施工工艺标准1.3 图纸会审、技术交底记录1.4《钢筋焊接技术规程》(JGJ107-2025)1.5《11G1O1-1》、《11G329-1》、《标准建筑图集》。1.6《建筑施工手册》1.7《建筑施工法律规范大全》 2.工程概况顺康府东公馆项目一期Ⅰ标段(府东公馆 1#楼.2#楼.办公楼)位于太原市杏花岭区东山耙儿沟以西,红沟路以北,太行路以西,北侧紧临府东街。总建筑面积 44695.59m2,1#楼地下四层,地上三十层,檐高 95.50 米,2#楼地下三层,地上三十层,檐高 92.10 米,办公楼地下四层,地上四层,檐高 22.3 米,其中 1#、2#楼为框剪结构,办公楼、车库及裙房部分为框架结构。3.施工安排3.1 施工部位及工期要求施工时,安排好各个环节和下道工序插入时间,严格按计划执行,计划层层分解,以日计划保证周计划,周计划保证月计划。计划完不成应进行分析,调整下一步工作,加强计划实施的力度和实效,同时从材料、人力、技术方面给予配合进行协调,控制总工期。3.2 劳动力安排序号工种单位数量1钢筋工长人22钢筋切断工人43钢筋成型工人84钢筋绑扎工人605钢筋调直工人24.施工准备4.1、作业条件4.1.1、钢筋绑扎前,核对钢筋加工料表是否正确,并检查有无锈蚀现象,除锈后再运至绑扎部位。4.1.2、做好放线工作,弹出柱、墙的位置线,并弹好钢筋位置线。4.1.3、做完技术交底。4.2、材质要求4.2.1、钢筋:级别、规格符合设计要求。质量符合现行法律规范要求。4.2.2、20~22 号火烧丝、水泥砂浆(塑料)垫块。4.2 机具准备序号机具名称单位数量用途1钢筋切断机台2钢筋切断2钢筋弯曲机台2钢筋成型3钢筋调直切断机台1钢筋成型4钢丝刷把20钢筋清理5砂轮切割机台1钢筋切断6对焊机台1钢筋对焊7滚肋套丝机台2钢筋套丝8电焊机台2钢筋焊接5.施工方法5.1 钢筋的检验要求5.1.1 材质要求根据施工进度计划,钢筋进场按钢筋备料单分批进场。钢筋进场后,应按现行国家标准《钢筋砼用热扎带肋钢筋》(GB1499-1998)等的法律规范抽取试件做力学性能检验,其质量必须符合有关标准的规定。检查数量:按进场的批进场的批次和产品的抽样检验确定。检验方法:检查产品合格证、出厂检验报告和进场复验报告。5.1....

1、当您付费下载文档后,您只拥有了使用权限,并不意味着购买了版权,文档只能用于自身使用,不得用于其他商业用途(如 [转卖]进行直接盈利或[编辑后售卖]进行间接盈利)。
2、本站所有内容均由合作方或网友上传,本站不对文档的完整性、权威性及其观点立场正确性做任何保证或承诺!文档内容仅供研究参考,付费前请自行鉴别。
3、如文档内容存在违规,或者侵犯商业秘密、侵犯著作权等,请点击“违规举报”。

碎片内容

钢筋专项施工方案1

您可能关注的文档

确认删除?
VIP
微信客服
  • 扫码咨询
会员Q群
  • 会员专属群点击这里加入QQ群
客服邮箱
回到顶部