电脑桌面
添加小米粒文库到电脑桌面
安装后可以在桌面快捷访问

钢筋混凝土单向板肋形楼盖课程设计

钢筋混凝土单向板肋形楼盖课程设计_第1页
1/11
钢筋混凝土单向板肋形楼盖课程设计_第2页
2/11
钢筋混凝土单向板肋形楼盖课程设计_第3页
3/11
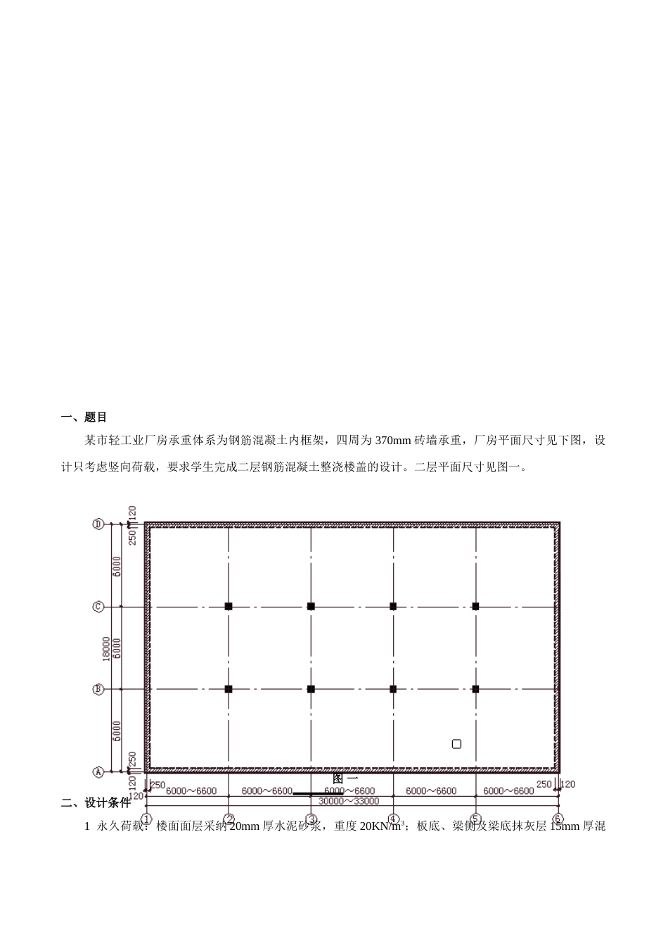
东 莞 理 工 学 院课程设计题目:钢筋混凝土单向板肋形楼盖课程设计学生姓名:学 号:系 别:建筑工程系专业班级:06 土木 1 班 指导老师姓名:一、题目某市轻工业厂房承重体系为钢筋混凝土内框架,四周为 370mm 砖墙承重,厂房平面尺寸见下图,设计只考虑竖向荷载,要求学生完成二层钢筋混凝土整浇楼盖的设计。二层平面尺寸见图一。 图 一二、设计条件1 永久荷载:楼面面层采纳 20mm 厚水泥砂浆,重度 20KN/m3;板底、梁侧及梁底抹灰层 15mm 厚混合砂浆,重度 17KN/m3;钢筋混凝土重度 25KN/m3。2 二楼楼面可变荷载按任务书分配取值。3 材 料 : 混 凝 土 强 度 等 级 按 任 务 书 分 配 选 用 ; 主 梁 、 次 梁 主 筋 采 纳 HRB335 级 钢 筋(fy=300N/mm2);其余钢筋采纳 HRB235 级钢筋(fy=210N/mm2)。4 板伸入墙内 120mm,次梁伸入墙内 240mm,主梁伸入墙内 370mm。5 柱断面尺寸 400×400mm2。三、设计内容 学生承担的具体设计姓 名横向轴线间距(m)楼面可变荷载(kN/m2)混凝土强度等级6.07.0C25课程设计指导书一、初步选择梁、板的截面尺寸1 板的尺寸除满足承载力、刚度、裂缝宽度要求外,尚应满足施工要求。板厚取=2000/40=50mm;按施工要求,一般楼板厚度不少于 60mm,密肋板厚度不少于 50mm,工业建筑楼板厚度不少于 70mm,本设计楼板厚度选 80mm。2次梁截面尺寸:次梁高度取,宽度取。本设计次梁截面尺寸选 b×h=200×450mm2。3 主梁截面尺寸:主梁高度取,宽度取。本设计主梁截面尺寸选 b×h=300×600mm2。4 柱断面尺寸 400×400mm2。二、结构平面布置图三、板的设计本设计采纳单向板整浇楼盖,按塑性内力重分布方法计算内力。对多跨连续板沿板的长边方向取 1 米宽的板带作为板的计算单元。1 计算简图(见图)计算跨度 边跨:=2000-100-120+80/2=1820mm< =2000-100-120+120/2=1840mm取 1820mm中间跨:=2000-100-120=1780mm边跨与中间跨计算跨度相差若不超过 10%,可按等跨连续板计算内力。本设计为九跨连续板超过五跨按五跨计算内力。 g+q 板的计算简图 2 板的荷载计算(见表) 板的荷载计算表 3 板的内力计算板考虑塑性内力重分布后,各跨中及支座截面的弯矩系数 α 值按图四采纳,各跨中及支座截面的弯矩按式计算。α 值图 板一般均能满足斜截面抗剪承载力要求,所以只进行正截面承载力计算。计算 B 支座负弯矩时,计算跨度取相邻...

1、当您付费下载文档后,您只拥有了使用权限,并不意味着购买了版权,文档只能用于自身使用,不得用于其他商业用途(如 [转卖]进行直接盈利或[编辑后售卖]进行间接盈利)。
2、本站所有内容均由合作方或网友上传,本站不对文档的完整性、权威性及其观点立场正确性做任何保证或承诺!文档内容仅供研究参考,付费前请自行鉴别。
3、如文档内容存在违规,或者侵犯商业秘密、侵犯著作权等,请点击“违规举报”。

碎片内容

钢筋混凝土单向板肋形楼盖课程设计

不二商店+ 关注
实名认证
内容提供者

我是你的不二选择

确认删除?
VIP
微信客服
  • 扫码咨询
会员Q群
  • 会员专属群点击这里加入QQ群
客服邮箱
回到顶部