电脑桌面
添加小米粒文库到电脑桌面
安装后可以在桌面快捷访问

钢结构加层抗震鉴定实例

钢结构加层抗震鉴定实例_第1页
1/8
钢结构加层抗震鉴定实例_第2页
2/8
钢结构加层抗震鉴定实例_第3页
3/8
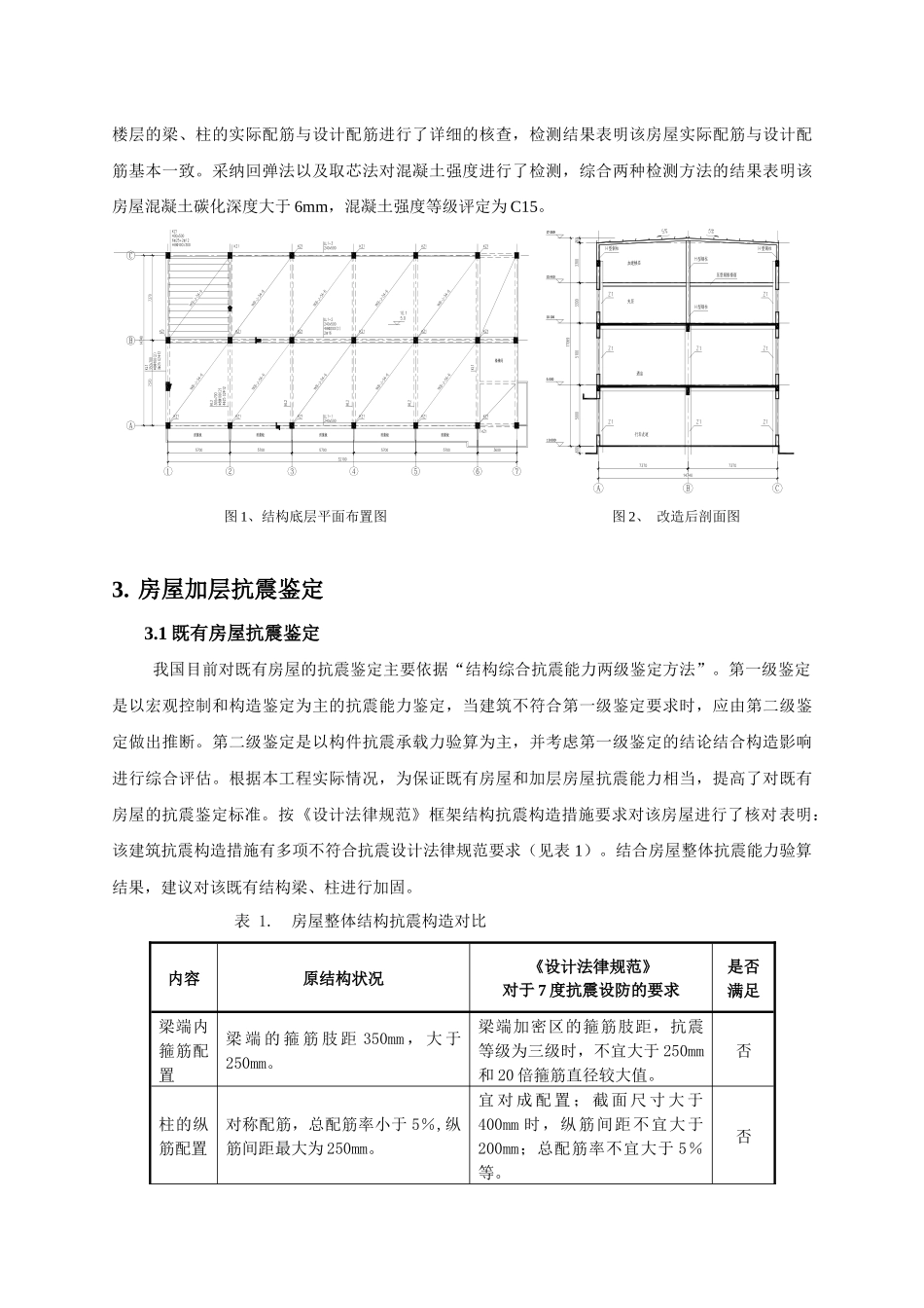
钢结构加层抗震鉴定实例摘要:本文从实际工程入手,介绍了某混凝土框架结构采纳钢结构加层抗震鉴定工作的现场勘察、检测、抗震验算分析过程,并提出了钢结构加层抗震鉴定、设计中应注意的相关问题,供类似工程探讨和参考。关键词:钢结构;抗震鉴定;检测;加固;加层. Seismic Appraiser for Steel frame StructureBuilt on the Existed RC StructureABSTRACT: The method about seismic appraiser for steel frame structure built on theexisted RC structure is presented briefly combined with one engineering case. It can provide a reference for similar engineering projects.KEYWORDS: steel frame structure; seismic appraiser; retrofit; adding storey前言目前,对既有房屋建筑进行加层改造是获得更多使用面积的一个快捷有效的方法。许多工程实践证明,采纳加层改造方案比拆旧新建方案,具有工期短、造价低、改善使用功能等优点。同时,我国存在相当数量的现有建筑已经达到或是接近其使用年限,因此旧房加层改造一般会结合房屋的抗震加固同时进行,从而最大程度上发挥了原建筑的使用价值。目前,在 1~3 层的钢结构加层工程中,部分工程设计人员将加层部分视为隔离体直接落于地面,按相应的地震设防烈度进行简化的抗震设计,并不考虑下部既有结构和加层结构之间的相互影响,这种方法具有一定的局限性和不可靠性。同时,在加层抗震鉴定过程中如何依据《建筑抗震设计法律规范》(GB50011-2001)(以下称《设计法律规范》)和《建筑抗震鉴定标准》(GB50023—95)(以下称《鉴定标准》)对既有房屋进行抗震鉴定也存在不同的观点。本文将以同济大学房屋质量检测站对上海市某混凝土框架结构采纳钢结构加层工程进行的抗震鉴定为例,简略地叙述房屋抗震鉴定的目的、依据、内容,以便类似工程进行探讨和借鉴。1.工程概况该工程原为三层两等跨混凝土框架结构的体育场活动楼,由同济大学建筑设计讨论院于 1984年设计,1985 年建成并投入使用。该建筑属于丙类建筑,抗震设防烈度为 7 度,建筑场地属于Ⅳ类场地;基础为柱下钢筋混凝土十字交叉梁基础。原房屋一二层框架柱截面尺寸为 400mm¿500mm,三层框架柱截面尺寸为 400mm¿ 400mm,框架梁截面尺寸为 300mm¿ 700mm,连系梁截面尺寸为 240mm¿ 500mm。该建筑跨度 7.37m,柱距 5.7m,平面尺寸 32.5m×14.74m(见图 1)...

1、当您付费下载文档后,您只拥有了使用权限,并不意味着购买了版权,文档只能用于自身使用,不得用于其他商业用途(如 [转卖]进行直接盈利或[编辑后售卖]进行间接盈利)。
2、本站所有内容均由合作方或网友上传,本站不对文档的完整性、权威性及其观点立场正确性做任何保证或承诺!文档内容仅供研究参考,付费前请自行鉴别。
3、如文档内容存在违规,或者侵犯商业秘密、侵犯著作权等,请点击“违规举报”。

碎片内容

钢结构加层抗震鉴定实例

确认删除?
VIP
微信客服
  • 扫码咨询
会员Q群
  • 会员专属群点击这里加入QQ群
客服邮箱
回到顶部