电脑桌面
添加小米粒文库到电脑桌面
安装后可以在桌面快捷访问

钢结构毕业设计计算书

钢结构毕业设计计算书_第1页
1/84
钢结构毕业设计计算书_第2页
2/84
钢结构毕业设计计算书_第3页
3/84
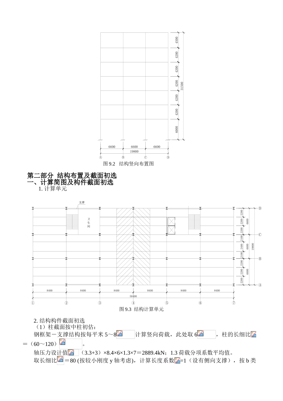
钢结构设计实例要求:试设计沈阳某公司办公楼,已知工程概况如下:本建筑为沈阳某公司办公楼,位于沈阳市区。共七层,全部为办公用房,总建筑面积:7100,占地面积:3400,底层层高 4.5m,顶层层高 4.5m,其余层均为 4.2m。室内外高差 0.600m,室外绝对标高为+46.200m。满足防火要求设两个双跑楼梯和两部电梯。墙体采纳聚氨酯 PU 夹芯墙板,室内地面采纳大理石装饰。屋面为不上人屋面,采纳改性沥青防水,苯板保温。结构形式为钢框架——支撑体系。设计基准期 50 年,雪荷载 0.50,基本风压:0.55。抗震设防烈度为 7 度,设计基本加速度为 0.1。地质条件:拟建场地地形平坦,地下稳定水位距地坪-9.0m 以下,冰冻深度-1.20m,土质分布具体情况见表 9.1,Ⅱ类场地。建筑地层一览表 表 9.1 序号岩土分类土层深度(m)厚度范围(m)地基土承载力(kPa)桩端阻力(kPa)桩周摩擦力(kPa)1杂填土0.0—0.50.5——2粉土0.5—1.51.0120—103中砂1.5—2.51.0200—254砾砂2.5-6.54.03002400305圆砾6.5-12.56.0500350060注:地下稳定水位距地表-9m,表中给定土层深度由自然地坪算起。第一部分 方案设计概述一、建筑方案概述1. 设计依据《总图制图标准》GB/T 50103-2001《建筑制图标准》GB/T 50104-2001《民用建筑设计通则》JGJ 37-87(试行)《办公建筑设计法律规范》JGJ 67-89《高层民用建筑设计防火法律规范》GB 50045—95(2001 年修订版)《建筑设计防火法律规范》GBJ16-87(2001 版)2.设计说明(1)屋面(不上人屋面)防水层:改性沥青防水卷材;20mm 厚 1:3 水泥沙浆找平层;100mm 厚水泥珍珠岩保温层焦渣找坡(最薄处 30mm 厚,最厚处 150mm);压型钢板混凝土组合板(总厚度 150mm,折算厚度 100mm);轻钢龙骨吊顶。(2)楼面:20mm 大理石面层;20mm1:3 干硬性水泥沙浆找平层;100mm 厚压型钢板混凝土组合结构层; 轻钢龙骨吊顶。(3)门窗本工程采纳实木门和塑钢玻璃窗。(4)墙体外墙为双层聚氨酯 PU 夹芯墙板 300mm(内塞岩棉);内墙为双层聚氨酯 PU 夹芯墙板 180mm 厚聚氨酯 PU 夹芯墙板;卫生间采纳 C 型轻钢龙骨隔墙。二、结构方案概述1. 设计依据本设计依据以下现行国家法律规范及规程设计。《建筑结构荷载法律规范》(GB50009-2001) 《钢结构设计法律规范》(GBJ50017-2025)《建筑抗震设计法律规范》(GB50011-2001)《高层民用建筑钢结构技术规程》JGJ 99-982. 结构形式及布置采纳钢框架-支撑...

1、当您付费下载文档后,您只拥有了使用权限,并不意味着购买了版权,文档只能用于自身使用,不得用于其他商业用途(如 [转卖]进行直接盈利或[编辑后售卖]进行间接盈利)。
2、本站所有内容均由合作方或网友上传,本站不对文档的完整性、权威性及其观点立场正确性做任何保证或承诺!文档内容仅供研究参考,付费前请自行鉴别。
3、如文档内容存在违规,或者侵犯商业秘密、侵犯著作权等,请点击“违规举报”。

碎片内容

钢结构毕业设计计算书

津创媒+ 关注
实名认证
内容提供者

欢迎交流文创,小店资料希望满足您的需要。

确认删除?
VIP
微信客服
  • 扫码咨询
会员Q群
  • 会员专属群点击这里加入QQ群
客服邮箱
回到顶部