电脑桌面
添加小米粒文库到电脑桌面
安装后可以在桌面快捷访问

阀门的基础知识

阀门的基础知识_第1页
1/66
阀门的基础知识_第2页
2/66
阀门的基础知识_第3页
3/66
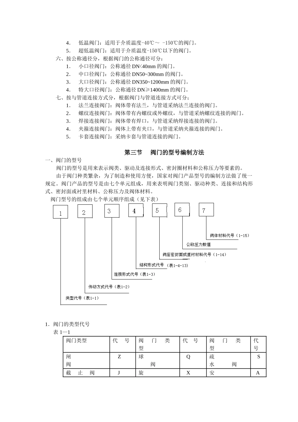
第一章 阀门的基础知识 第一节 概述阀门是流体管路的控制装置,其基本功能是接通或切断管路介质的流通,改变介质的流通,改变介质的流动方向,调节介质的压力和流量,保护管路的设备的正常运行。工业用的阀门的大量应用是在瓦特发明蒸汽机之后,近二三十年来,由于石油、化工 、电站、冶金、船舶、核能、宇航等方面的需要,对阀门提出更高的要求,促使人们讨论和生产高参数的阀门,其工作温度从超低温-269℃到高温 1200℃,甚至高达 3430℃,工作压力从超真空 1.33x10-8Mpa(1x10-1㎜Hg)到超高压 1460MPa,阀门通径从 1mm 到 600mm,甚至达到 9750mm,阀门的材料从铸铁,碳素钢进展到钛及钛合金,高强度耐腐蚀钢等,阀门的驱动方式从手动进展到电动、气动、液动、程控、数控、遥控等。随着现代工业的不断进展,阀门需求量不断增长,一个现代化的石油化工装置就需要上万只各式各样的阀门,阀门使用量大。开闭频繁,但往往由于制造、使用选型、维修不当,发生跑、冒、滴、漏现象,由此引起火焰、爆炸、中毒、烫伤事故,或者造成产品质量低劣,能耗提高,设备腐蚀,物耗提高,环境污染,甚至造成停产等事故,已屡见不鲜因此人们希望获得高质量的阀门,同时也要求提高阀门的使用,维修水平,这时对从事阀门操作人员,维修人员以及工程技术人员,提出新的要求,除了要精心设计、合理选用、正确操作阀门之外,还要及时维护、修理阀门,使阀门的“跑、冒、滴、漏”及各类事故降到最低限度。 第二节 阀门的分类 阀门的用途广泛,种类繁多,分类方法也比较多。总的可分两大类:第一类自动阀门:依靠介质(液体、气体)本身的能力而自行动作的阀门。如止回阀、安全阀、调节阀、疏水阀、减压阀等。第二类驱动阀门:借助手动、电动、液动、气动来操纵动作的阀门。如闸阀,截止阀、节流阀、蝶阀、球阀、旋塞阀等。此外,阀门的分类还有以下几种方法:一、按结构特征,根据关闭件相对于阀座移动的方向可分:1. 截门形:关闭件沿着阀座中心移动,如图 1—1 所示。2. 闸门形:关闭件沿着垂直阀座中心移动,如图 1—2 所示。3. 旋塞和球形:关闭件是柱塞或球,围绕本身的中心线旋转,如图 1—3 所示。4. 旋启形;关闭件围绕阀座外的轴旋转,如图 1—4 所示。5. 碟形:关闭件的圆盘,围绕阀座内的轴旋转,如图 1—5 所示。6. 滑阀形:关闭件在垂直于通道的方向滑动,如图 1—6 所示。 二、按用途,根据阀门的不同用途可分:...

1、当您付费下载文档后,您只拥有了使用权限,并不意味着购买了版权,文档只能用于自身使用,不得用于其他商业用途(如 [转卖]进行直接盈利或[编辑后售卖]进行间接盈利)。
2、本站所有内容均由合作方或网友上传,本站不对文档的完整性、权威性及其观点立场正确性做任何保证或承诺!文档内容仅供研究参考,付费前请自行鉴别。
3、如文档内容存在违规,或者侵犯商业秘密、侵犯著作权等,请点击“违规举报”。

碎片内容

阀门的基础知识

您可能关注的文档

人从众+ 关注
实名认证
内容提供者

欢迎光临小店,本店以公文和教育为主,希望符合您的需求。

确认删除?
VIP
微信客服
  • 扫码咨询
会员Q群
  • 会员专属群点击这里加入QQ群
客服邮箱
回到顶部