电脑桌面
添加小米粒文库到电脑桌面
安装后可以在桌面快捷访问

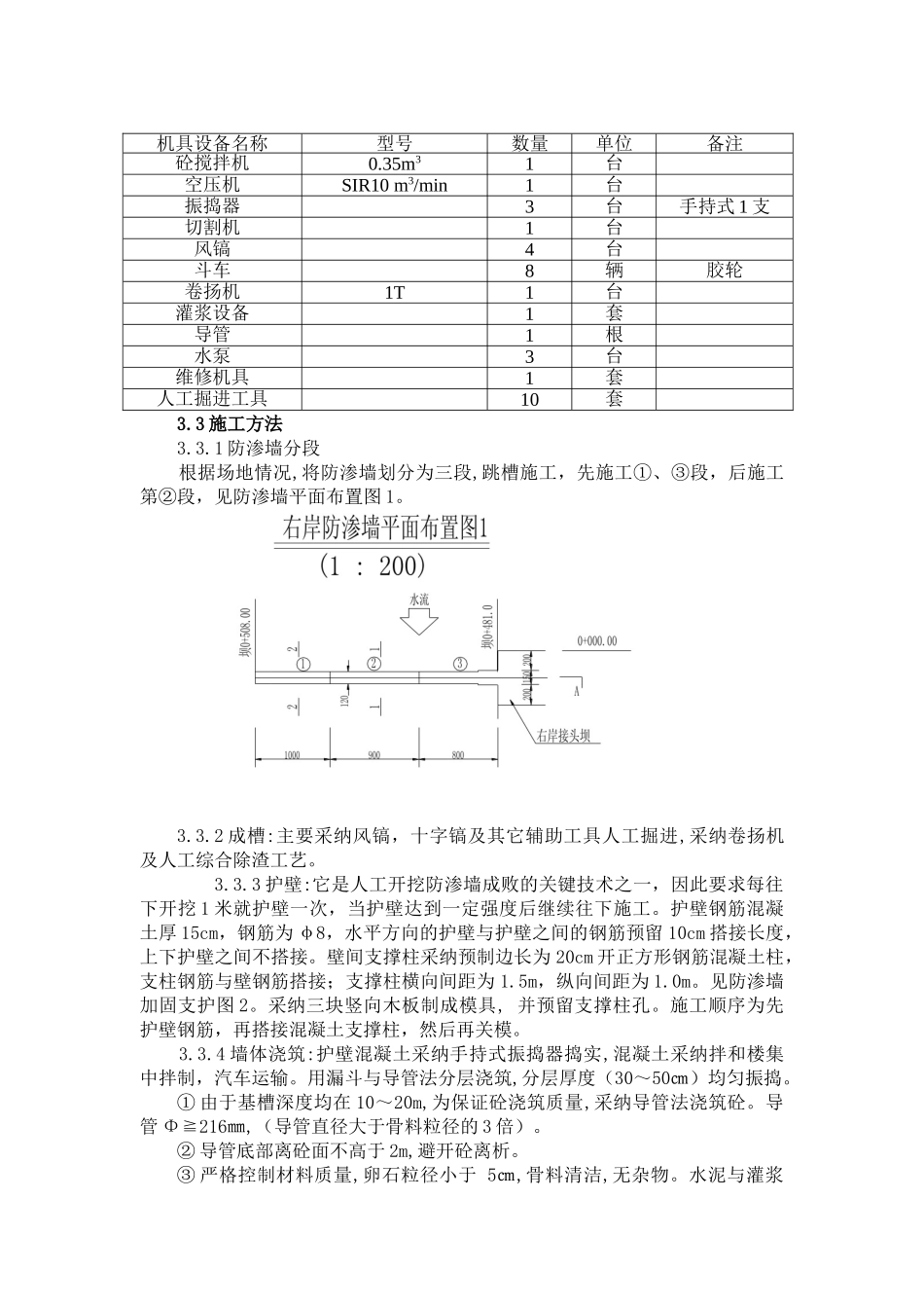
防渗墙人工施工技术

防渗墙人工施工技术_第1页
1/3
防渗墙人工施工技术_第2页
2/3
防渗墙人工施工技术_第3页
3/3
防渗墙人工施工技术 1、前言人们常说的防渗墙都是机械化施工,这里介绍的防渗墙是人工开凿、支护、浇筑、接缝处理的施工工艺及施工技术。它适宜于含水量少、深度不太大(20m左右)、地形条件不利于机械化作业的各类土层与强度较低的岩石中的防渗墙施工。它的优点在于灵活、简洁、质量看得见、节约资金,同时减少对施工环境的污染,不受地形条件的限制。富流滩电航工程位于四川省岳池县罗渡镇境内,该工程是渠江梯级开发的第五级,是以发电为主,兼通航,养殖等综合利用工程。水工建筑物有闸坝,通航船闸,发电厂房等设施。设计正常水位高为 213.80m,装机 39 兆瓦。防渗墙位于渠江右岸坡的与右岸接头坝相连接处,防渗墙长 27m,开挖深度11~19m,设计厚度 1.2m,初步设计是接头坝与弱风化的粉砂质泥岩相接。由于相接处为重要的交通公路,车流量大,加又有较厚的覆盖层,大开挖将会导致公路失稳,将会中断交通要道,加之,场地有限,不能改道,因此考虑此段改为防渗墙。由于场地为一斜坡,机械设备无法施工,因此采纳人工施工方案。2、地质概况工程区属四川沉降带川中褶带的边缘,挽近期本区地壳运动以间歇性抬升为主。历史地震资料表明,区内未发生过地震,场地地震基本烈度为Ⅵ,区域稳定性好。工区内除分布有第四系中更新统、全新统松散堆积层外,广泛出露侏罗系中统上沙溪庙中段地层砂岩与粉砂质泥岩。其中坝基为砂岩夹薄层的泥岩透镜体,坝肩为粉砂质泥岩。场地为一斜坡,表层为人工堆积的块碎石土,厚 5~8m,下伏为粉砂质泥岩与完整的砂岩。3、施工工艺3.1 工艺流程:采纳将防渗墙分段、跳槽开挖,护壁、浇筑、接缝处理,其工艺流程图为:准备 → 放样 → 成槽 → 护壁 → 待凝 → 拆模浇筑 清基 接逢灌浆 回填3.2 施工机具机具设备见(表 1)机具设备表表 13.3 施工方法3.3.1 防渗墙分段 根据场地情况,将防渗墙划分为三段,跳槽施工,先施工①、③段,后施工第②段,见防渗墙平面布置图 1。3.3.2 成槽:主要采纳风镐,十字镐及其它辅助工具人工掘进,采纳卷扬机及人工综合除渣工艺。 3.3.3 护壁:它是人工开挖防渗墙成败的关键技术之一,因此要求每往下开挖 1 米就护壁一次,当护壁达到一定强度后继续往下施工。护壁钢筋混凝土厚 15cm,钢筋为 φ8,水平方向的护壁与护壁之间的钢筋预留 10cm 搭接长度,上下护壁之间不搭接。壁间支撑柱采纳预制边长为 20cm 开正方形钢筋混凝土柱,支柱钢筋与壁钢筋搭接;支撑柱...

1、当您付费下载文档后,您只拥有了使用权限,并不意味着购买了版权,文档只能用于自身使用,不得用于其他商业用途(如 [转卖]进行直接盈利或[编辑后售卖]进行间接盈利)。
2、本站所有内容均由合作方或网友上传,本站不对文档的完整性、权威性及其观点立场正确性做任何保证或承诺!文档内容仅供研究参考,付费前请自行鉴别。
3、如文档内容存在违规,或者侵犯商业秘密、侵犯著作权等,请点击“违规举报”。

碎片内容

防渗墙人工施工技术

确认删除?
VIP
微信客服
  • 扫码咨询
会员Q群
  • 会员专属群点击这里加入QQ群
客服邮箱
回到顶部